GM Service Manual Online
For 1990-2009 cars only
Figure 1:

Headlamp Switch, Ambient Light Sensor, DLC


Object Number: 1903203  Size: FS
Master Electrical Component List
Exterior Lighting Systems Description and Operation
Control Module References
Headlamps
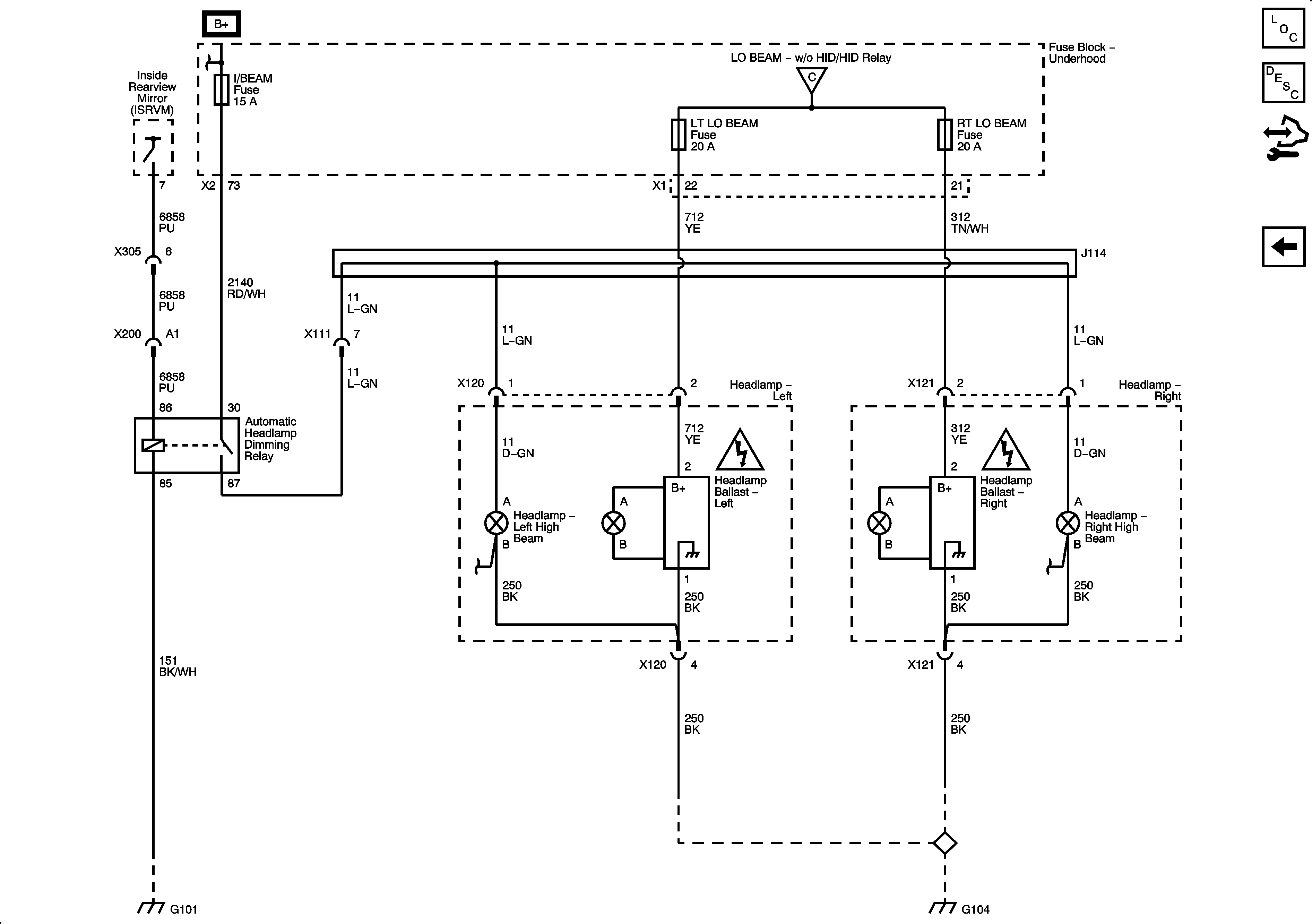
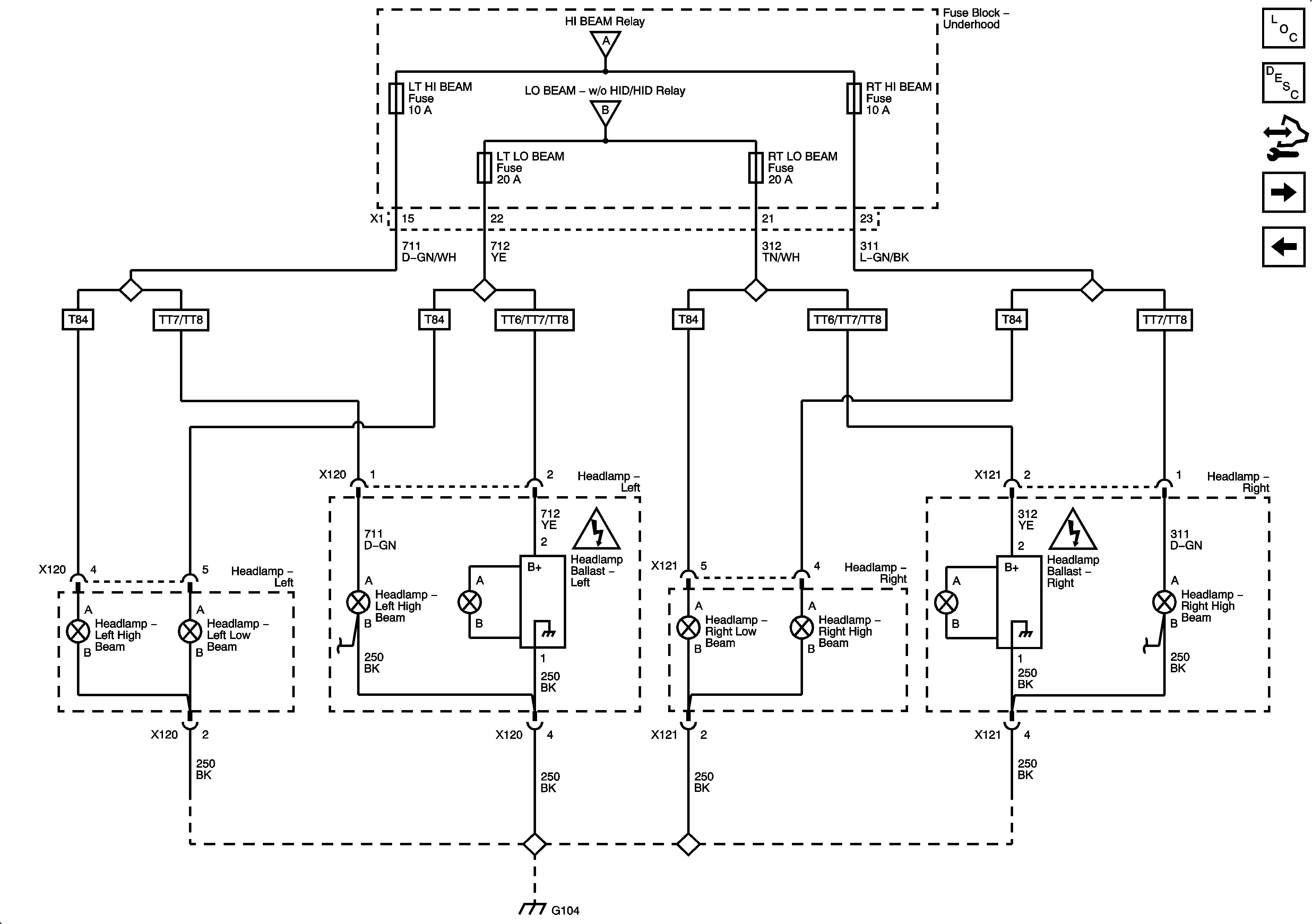
Figure 2:

Headlamps


Object Number: 1903230  Size: FS
Master Electrical Component List
Exterior Lighting Systems Description and Operation
Control Module References
Automatic Headlamp Dimming (TQ5)
Headlamp Switch, Ambient Light Sensor, DLC
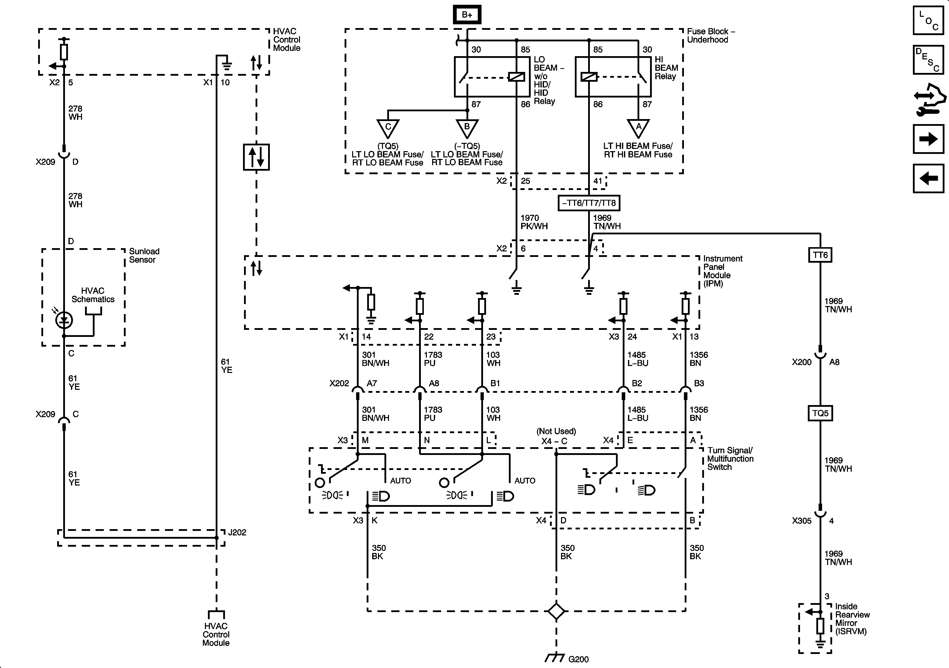
Figure 3:

Automatic Headlamp Dimming (TQ5)


Object Number: 1903239  Size: FS
Master Electrical Component List
Exterior Lighting Systems Description and Operation
Control Module References
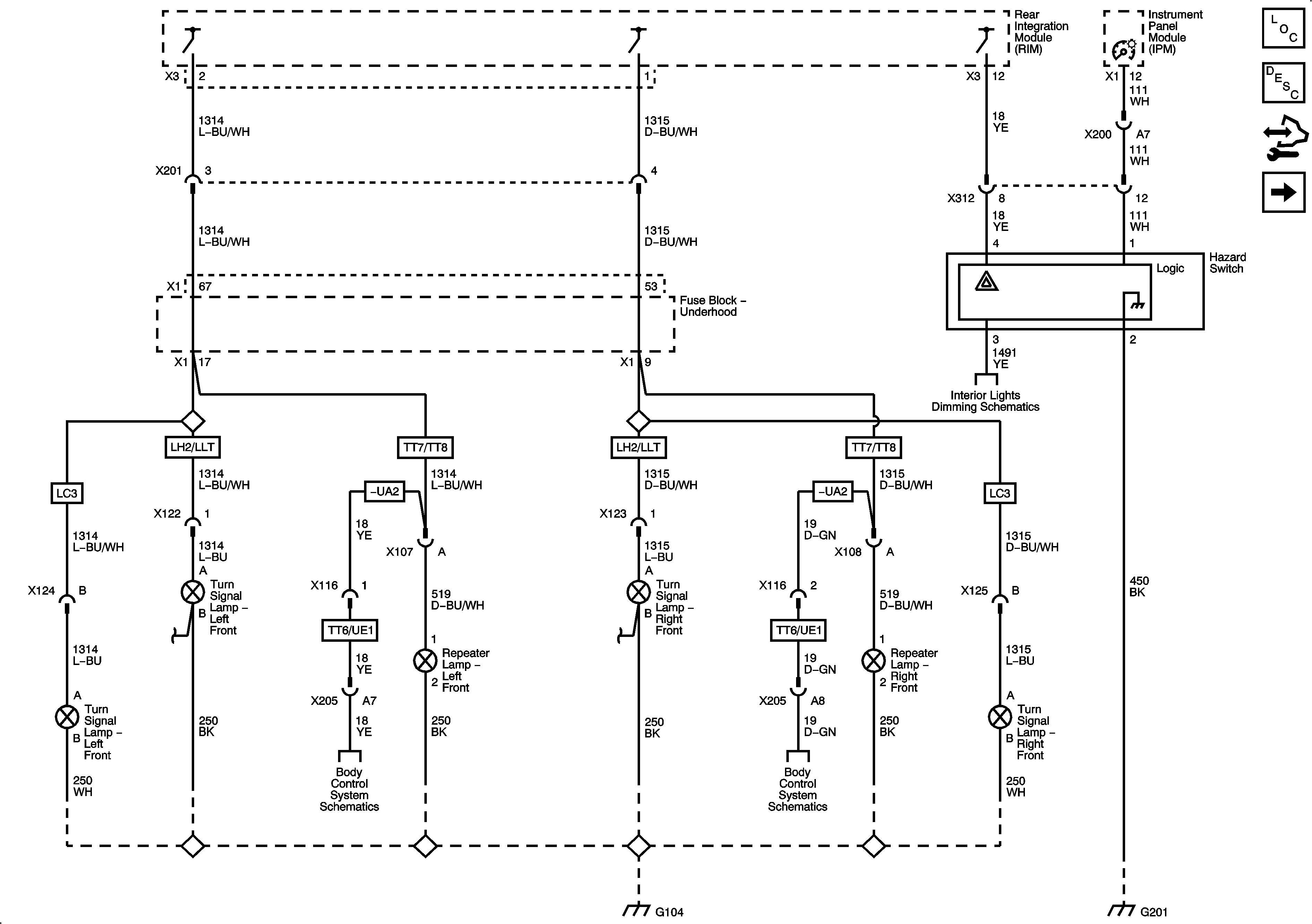
Daytime Running Lights
Headlamps
Figure 4:

Daytime Running Lights


Object Number: 1903159  Size: FS
Master Electrical Component List
Exterior Lighting Systems Description and Operation
Control Module References
Automatic Headlamp Dimming (TQ5)