GM Service Manual Online
For 1990-2009 cars only
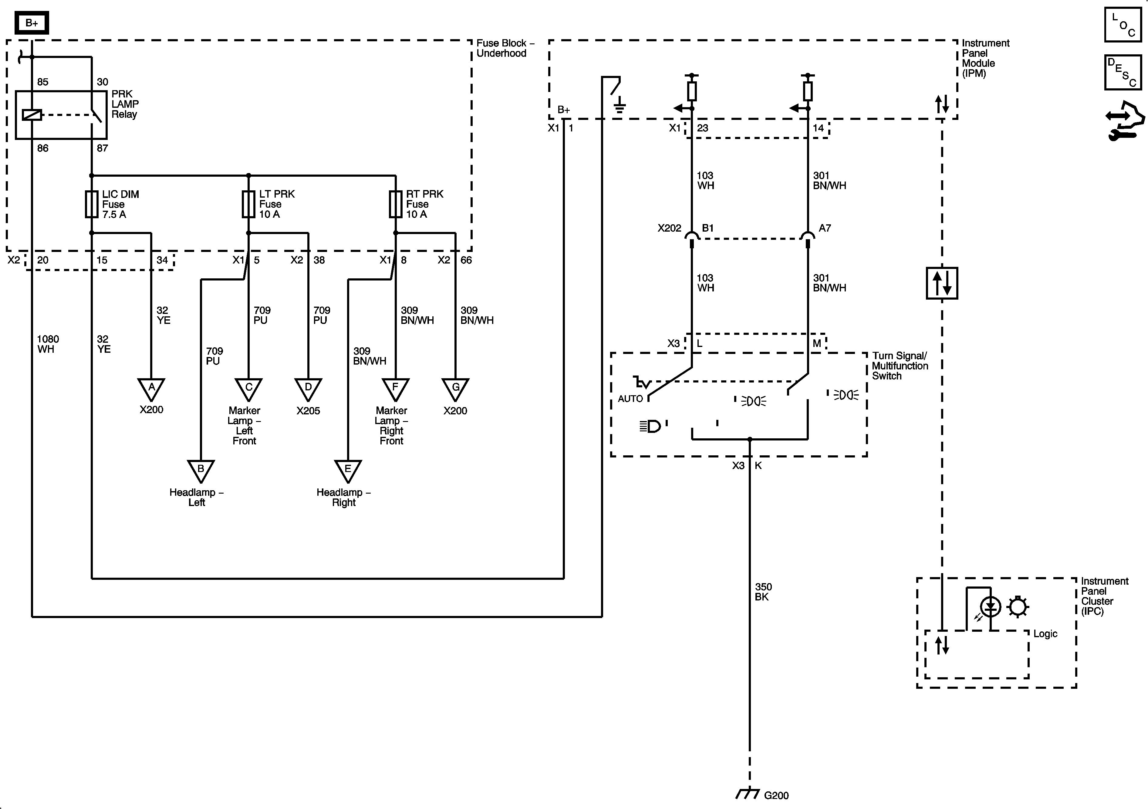
Figure 1:

Park Lamp Relay, Switch, and Instrument Cluster (North America)


Object Number: 1903115  Size: FS
Master Electrical Component List
Exterior Lighting Systems Description and Operation
Control Module References
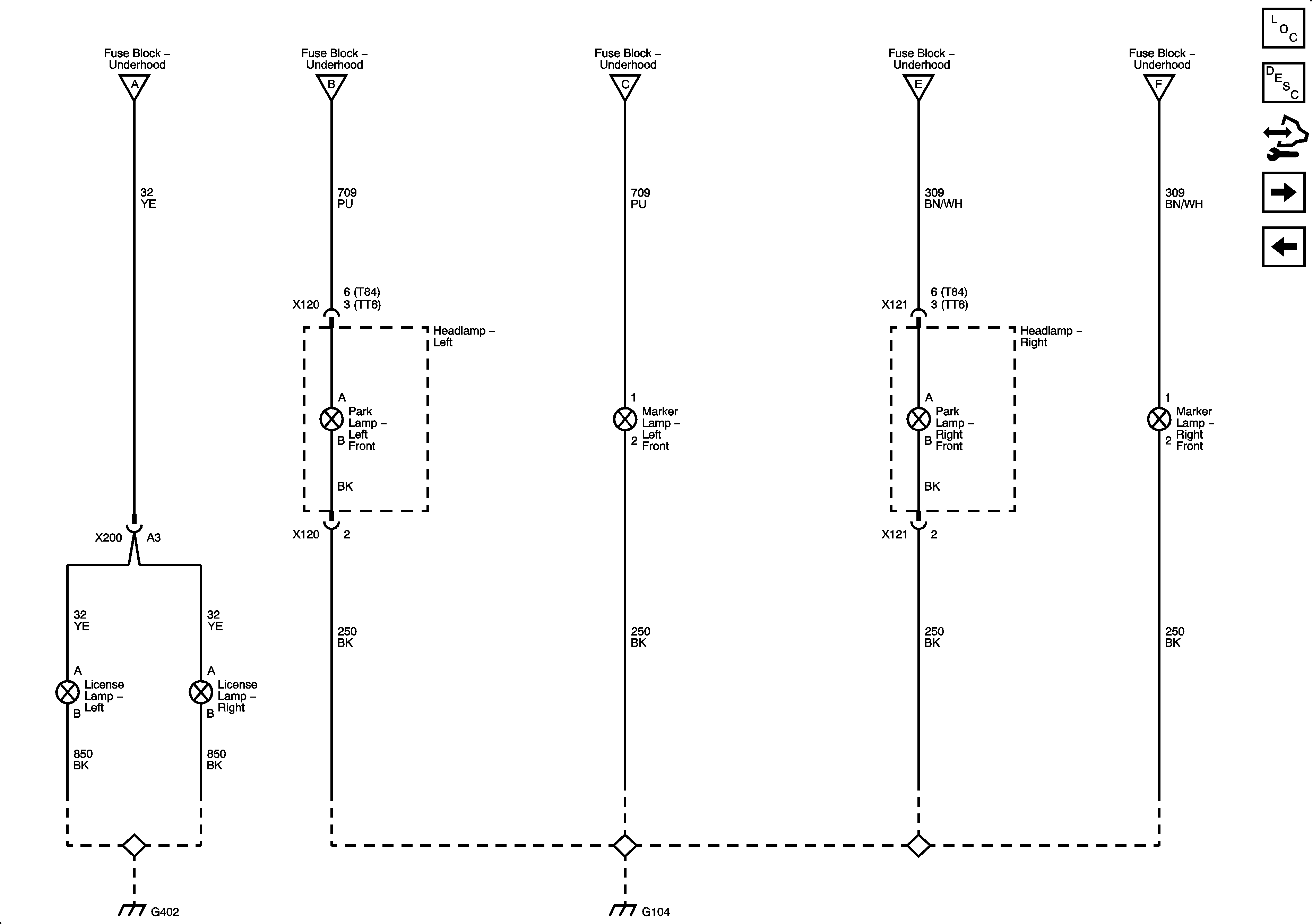
License, Park and Side Marker lamps (North America)
Figure 2:

License, Park, and Side Marker Lamps (North America)


Object Number: 1903119  Size: FS
Master Electrical Component List
Exterior Lighting Systems Description and Operation
Control Module References
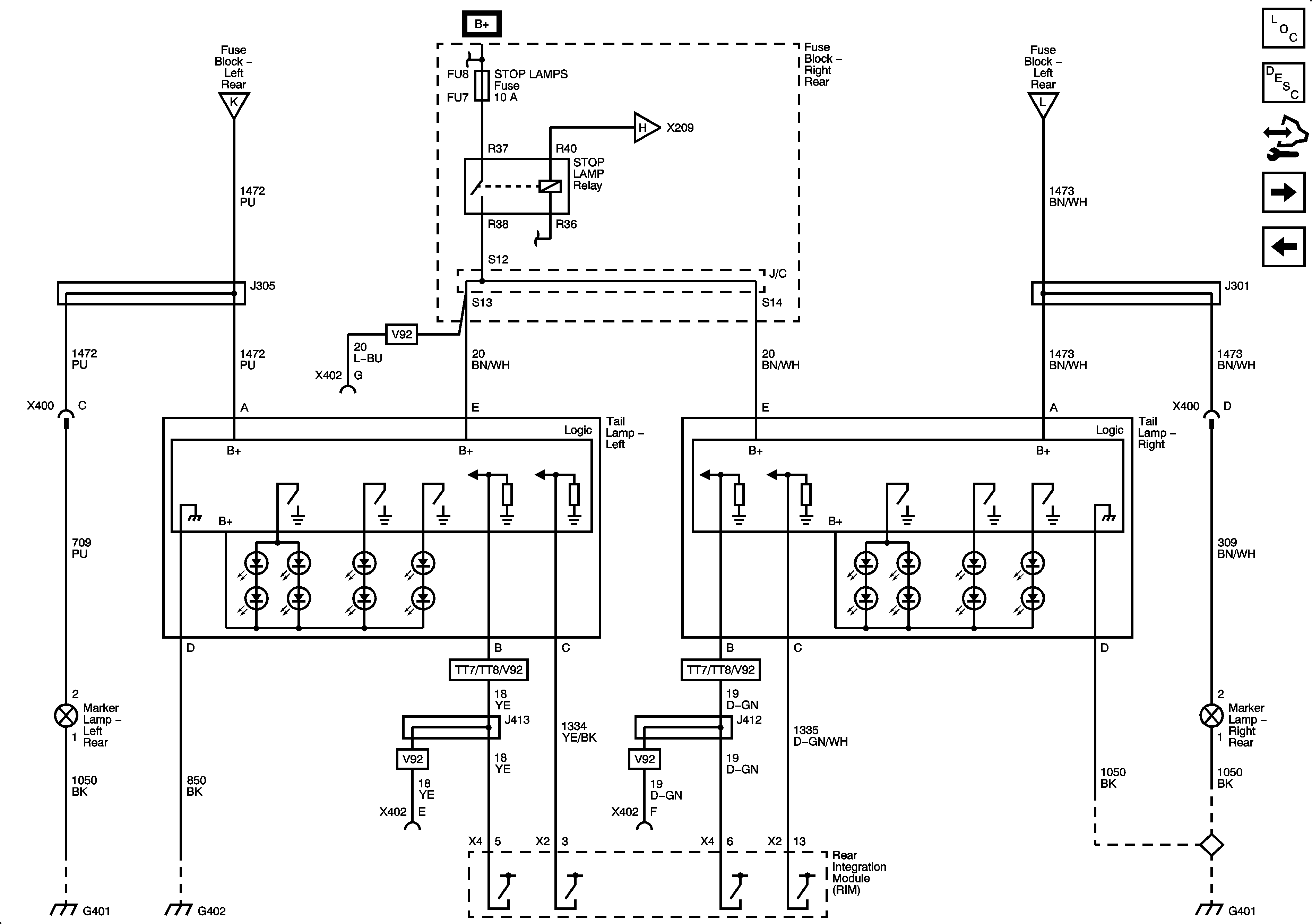
Tail Lamps (North America)
Park Lamp Relay, Switch and Instrument Cluster (North America)
Figure 3:

Tail Lamps (North America)


Object Number: 1903121  Size: FS
Master Electrical Component List
Exterior Lighting Systems Description and Operation
Control Module References
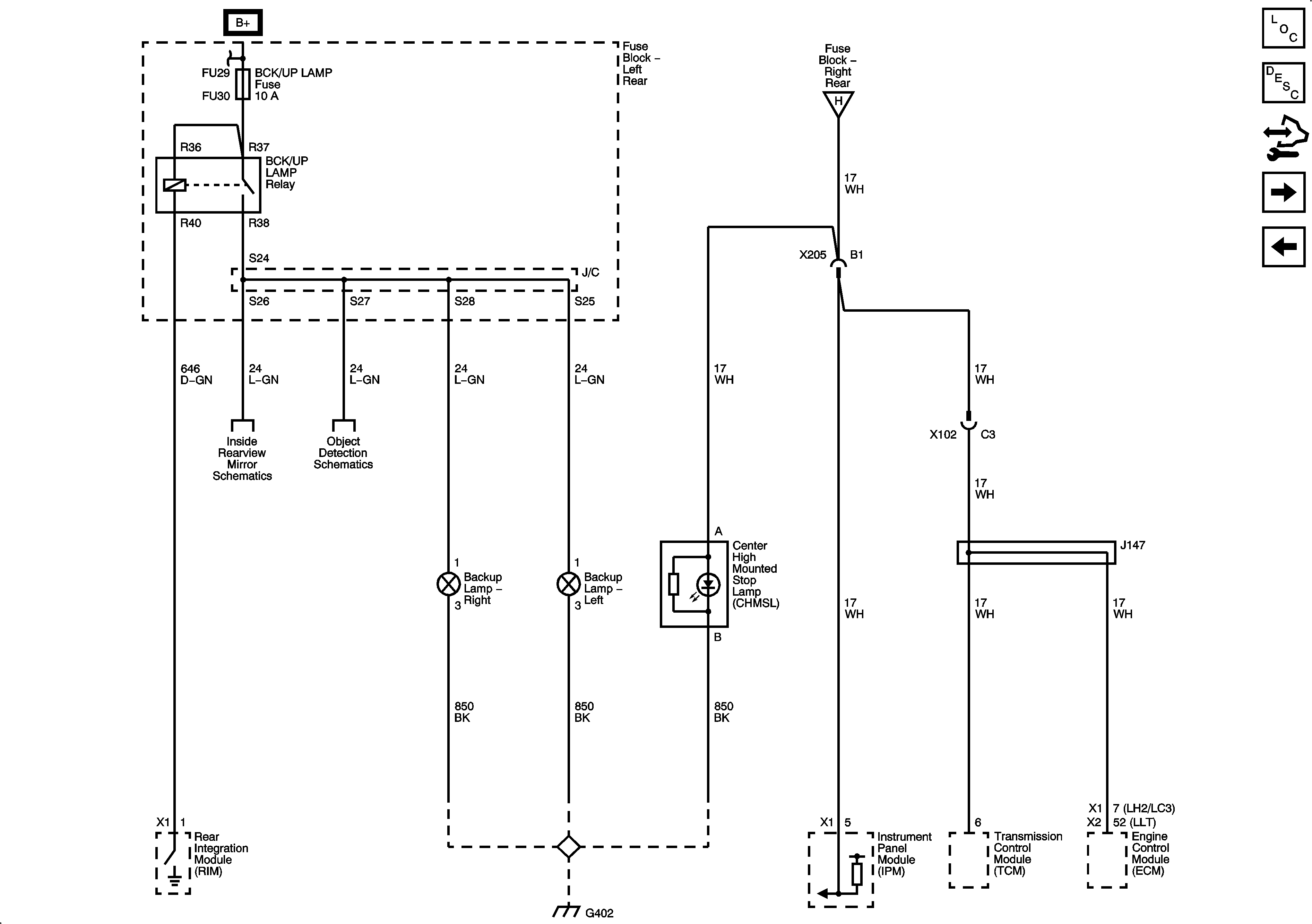
Backup Lamps, CHMSL
License, Park and Side Marker lamps (North America)
Figure 4:

Backup Lamps, CHMSL


Object Number: 1906000  Size: FS
Master Electrical Component List
Exterior Lighting Systems Description and Operation
Control Module References
Front Turn Signal and Repeater Lamps, Hazard Switch
Tail Lamps (North America)
Figure 5:

Front Turn Signal and Repeater Lamps, Hazard Switch


Object Number: 1903129  Size: FS
Master Electrical Component List
Exterior Lighting Systems Description and Operation
Control Module References
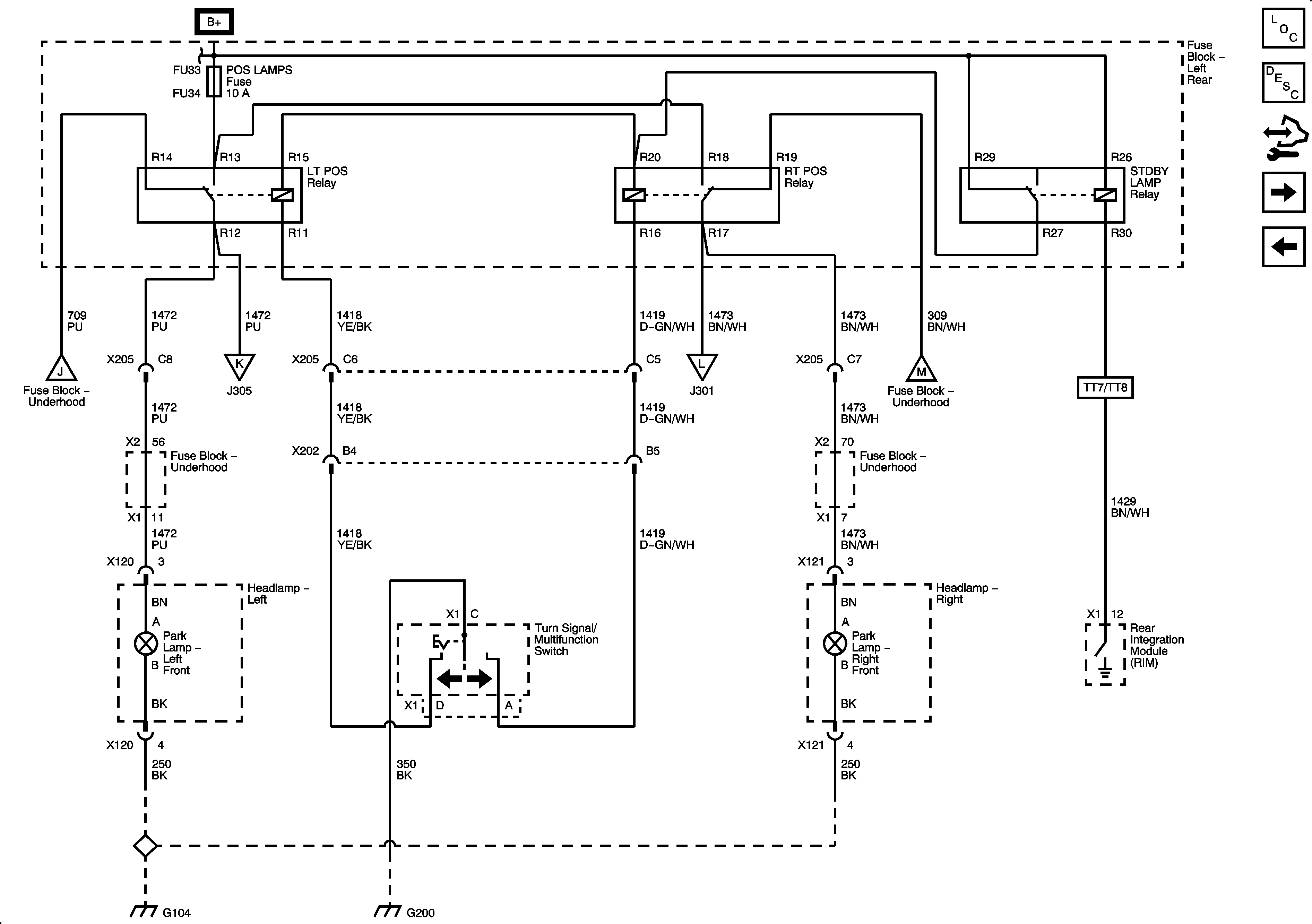
Front Park Lamps, LT, RT Position and Standby Lamp Relays (except North America)
Backup Lamps, CHMSL
Figure 6:

Front Park Lamps, LT, RT Position and Standby Lamp Relays (except North America)


Object Number: 1906001  Size: FS
Master Electrical Component List
Exterior Lighting Systems Description and Operation
Control Module References
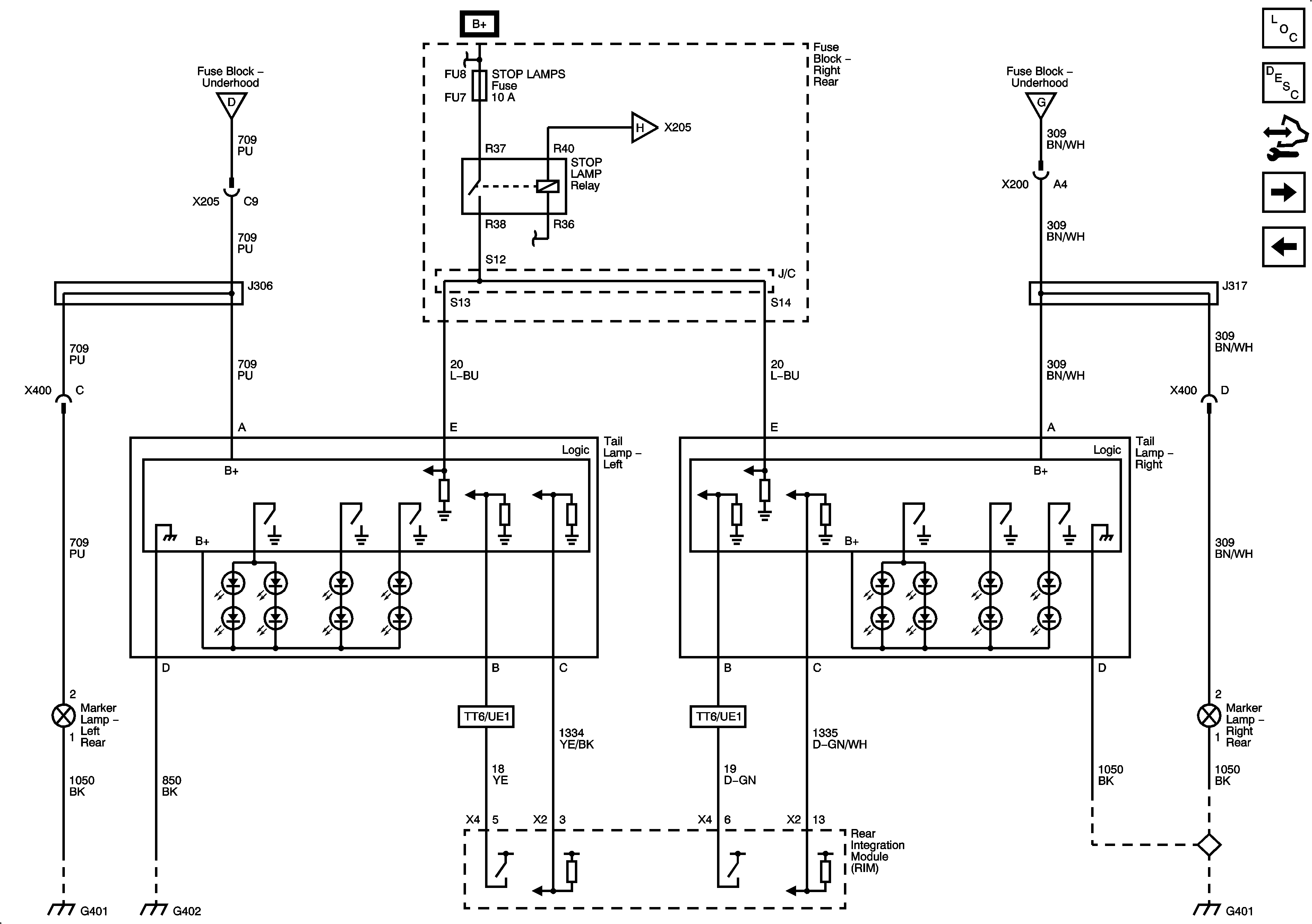
Tail Lamps (except North America)
Front Turn Signal and Repeater Lamps, Hazard Switch
Figure 7:

Tail Lamps (except North America)


Object Number: 1903142  Size: FS
Master Electrical Component List
Exterior Lighting Systems Description and Operation
Control Module References
Park Lamp Relay, Switch and Instrument Cluster (except North America)
Front Park Lamps, LT, RT Position and Standby Lamp Relays (except North America)
Figure 8:

Park Lamp Relay, Switch and Instrument Cluster (except North America)


Object Number: 1903144  Size: FS
Master Electrical Component List
Exterior Lighting Systems Description and Operation
Control Module References
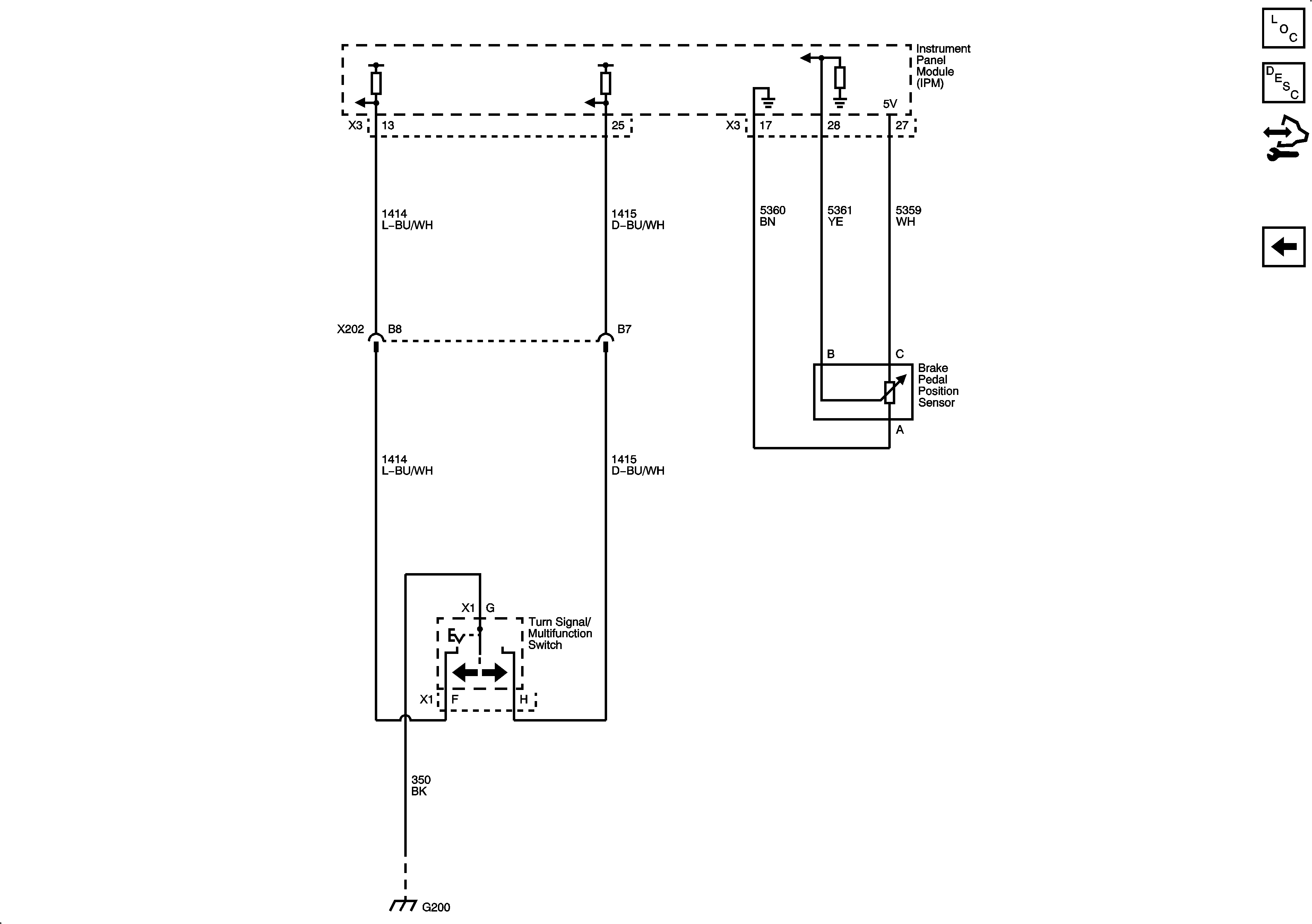
Front Turn Signal Switch Signals, Brake Pedal Position Sensor
Tail Lamps (except North America)
Figure 9:

Front Turn Signal Switch Signals, Brake Pedal Position Sensor


Object Number: 1903150  Size: FS
Master Electrical Component List
Exterior Lighting Systems Description and Operation
Control Module References
Park Lamp Relay, Switch and Instrument Cluster (except North America)