GM Service Manual Online
For 1990-2009 cars only
Makes
🢒
Cadillac
🢒
2008
🢒
STS
🢒
Diagnostic Navigation
🢒
Vehicle Diagnostic Information
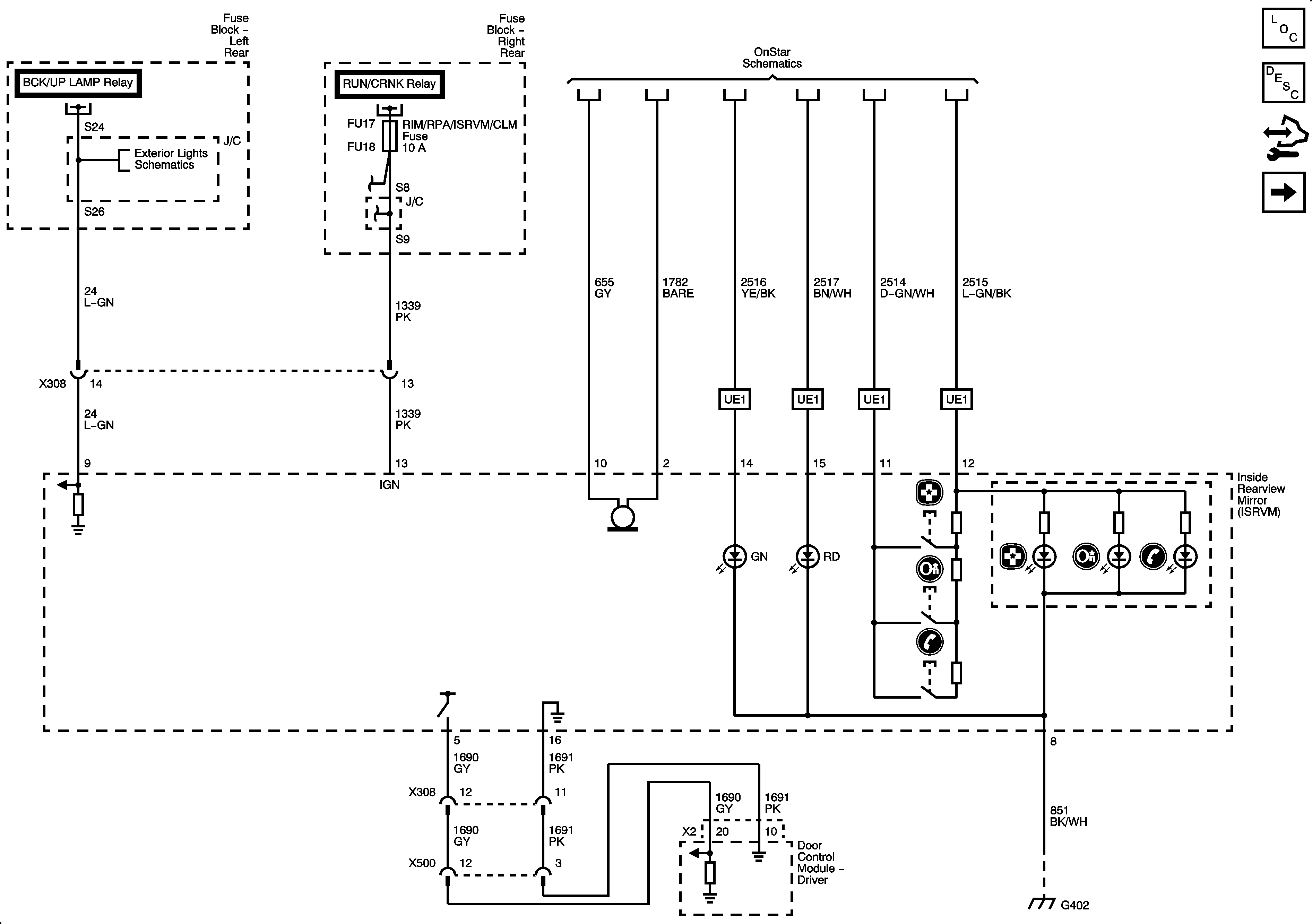
🢒 Inside Rearview Mirror Schematics
Figure
1:
Power and Ground
Master Electrical Component List
Automatic Day-Night Mirror Description and Operation
Control Module References
Automatic Headlamp Dimming Signals
Figure
2:
Automatic Headlamp Dimming Signals
Master Electrical Component List
Automatic Day-Night Mirror Description and Operation
Control Module References
Power and Ground