GM Service Manual Online
For 1990-2009 cars only
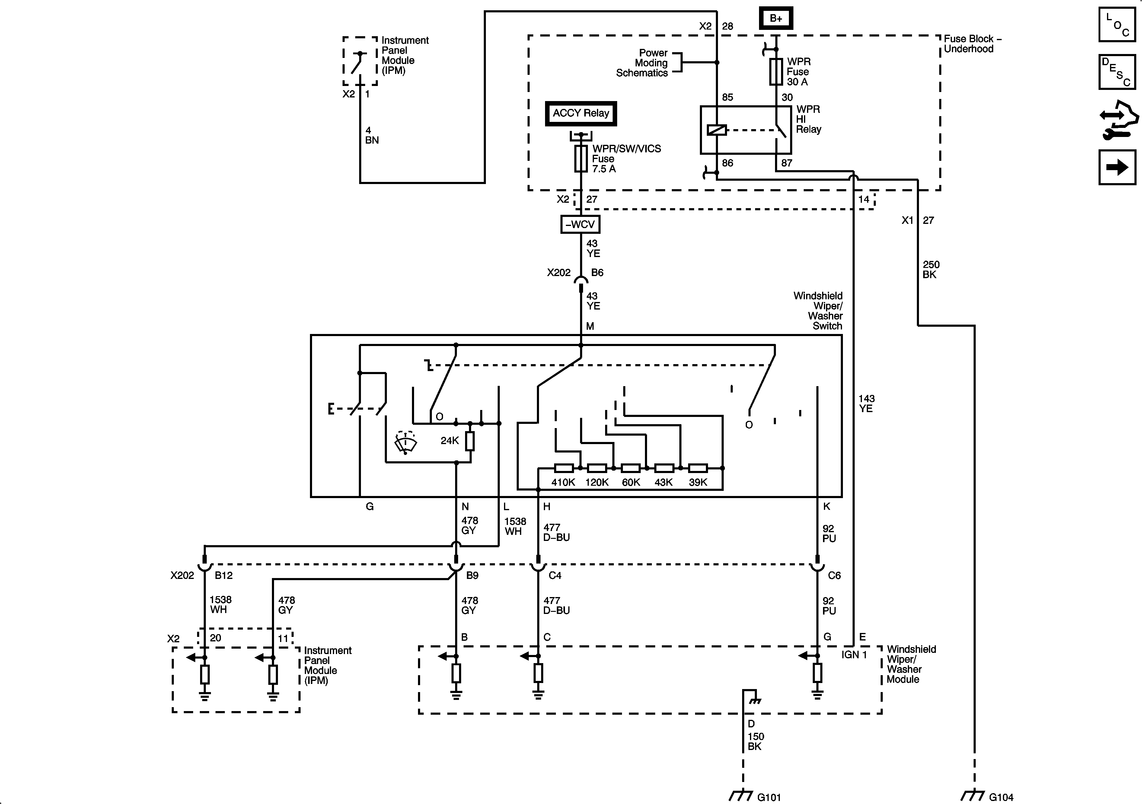
Figure 1:

Power, Grounds and Wiper Switch


Object Number: 1903078  Size: FS
Master Electrical Component List
Wiper/Washer System Description and Operation
Control Module References
Rain Sensor (CEI), Windshield Washer Pump and Headlamp Washer Pump (CE4)
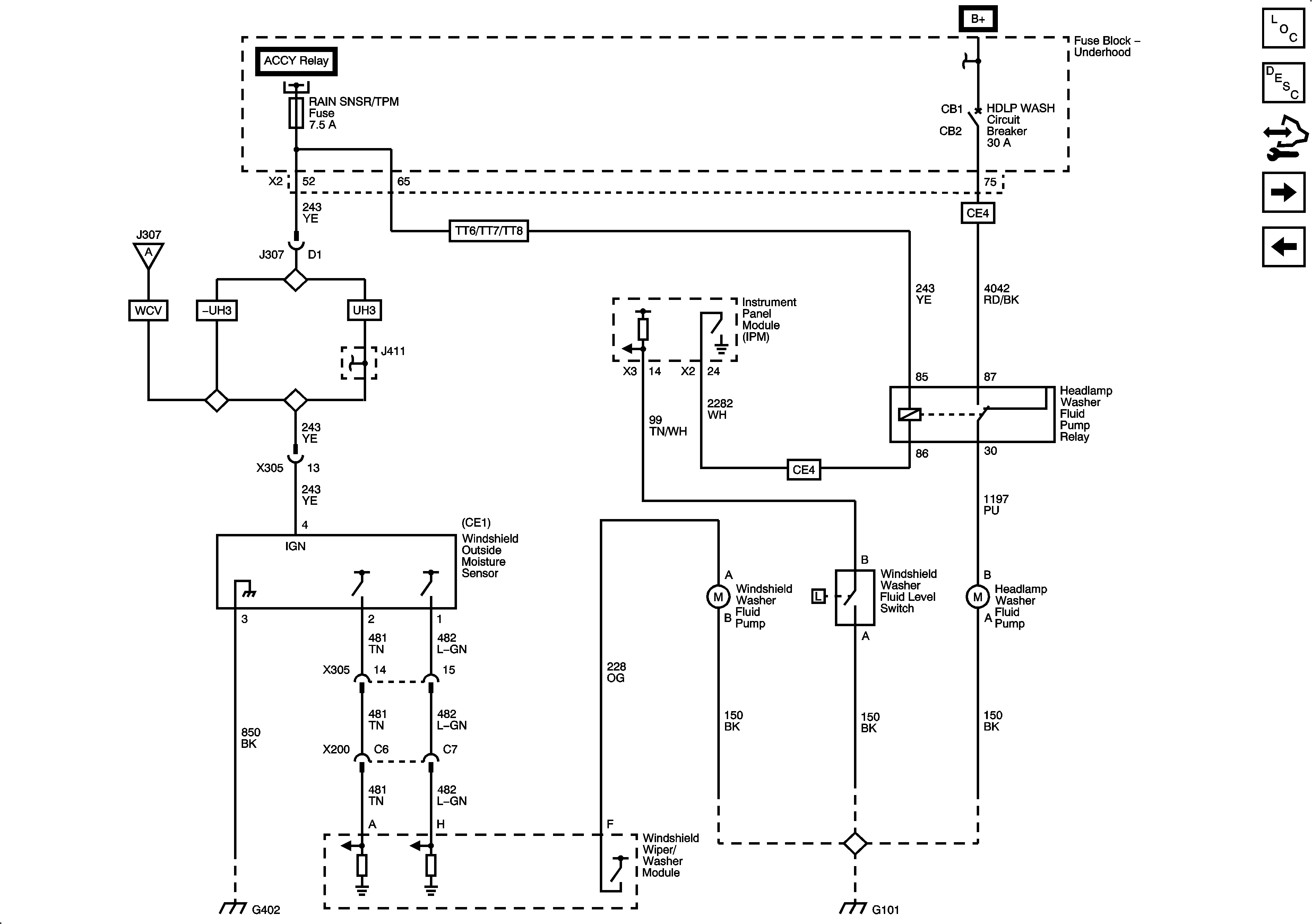
Figure 2:

Rain Sensor (CEI), Windshield Washer Pump and Headlamp Washer Pump (CE4)


Object Number: 1903082  Size: FS
Master Electrical Component List
Headlamp Washer System Description and Operation
Control Module References
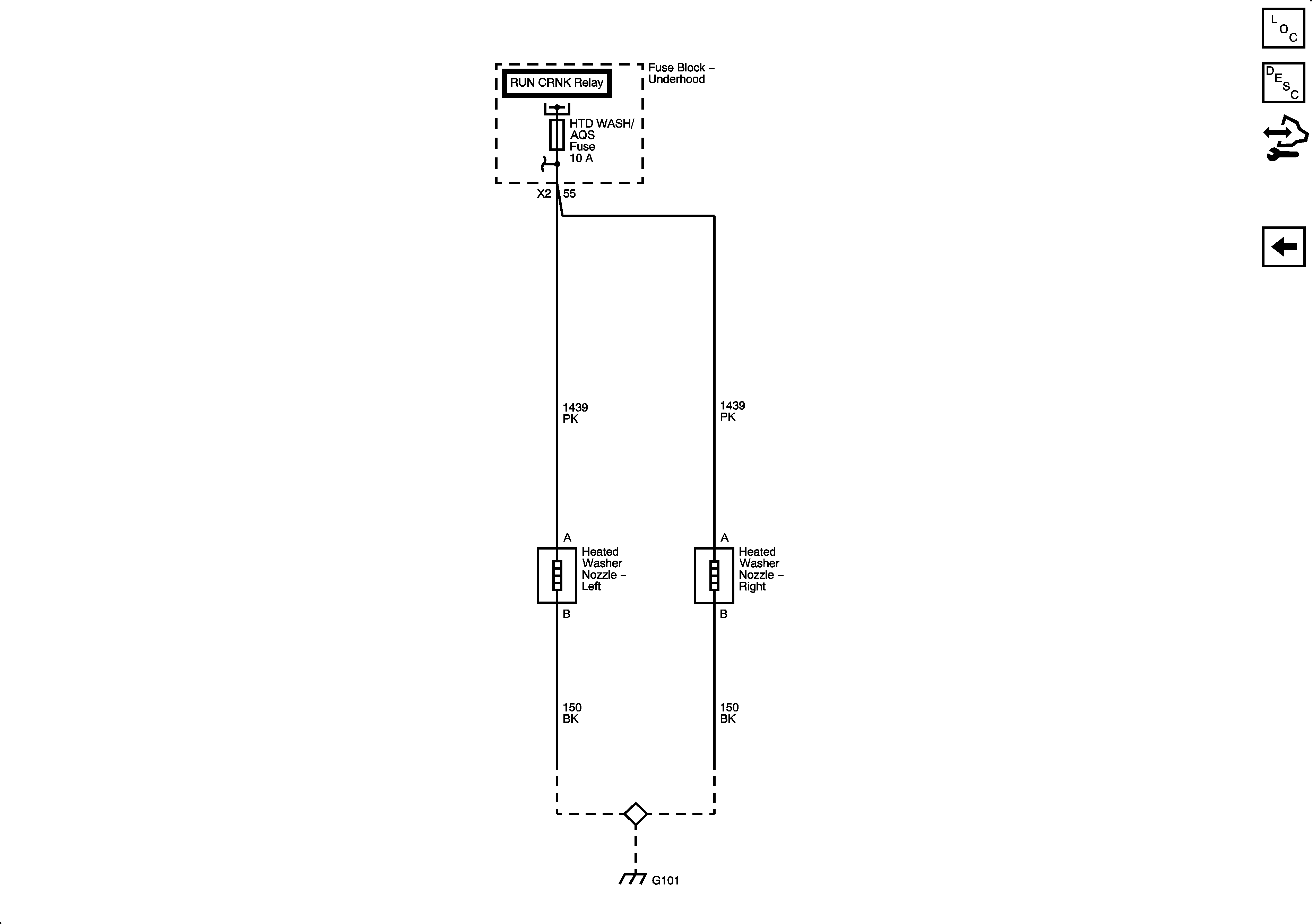
Heated Washer Nozzle (XA7)
Power, Grounds and Wiper Switch
Figure 3:

Heated Washer Nozzles (XA7)


Object Number: 1903085  Size: FS
Master Electrical Component List
Wiper/Washer System Description and Operation
Control Module References
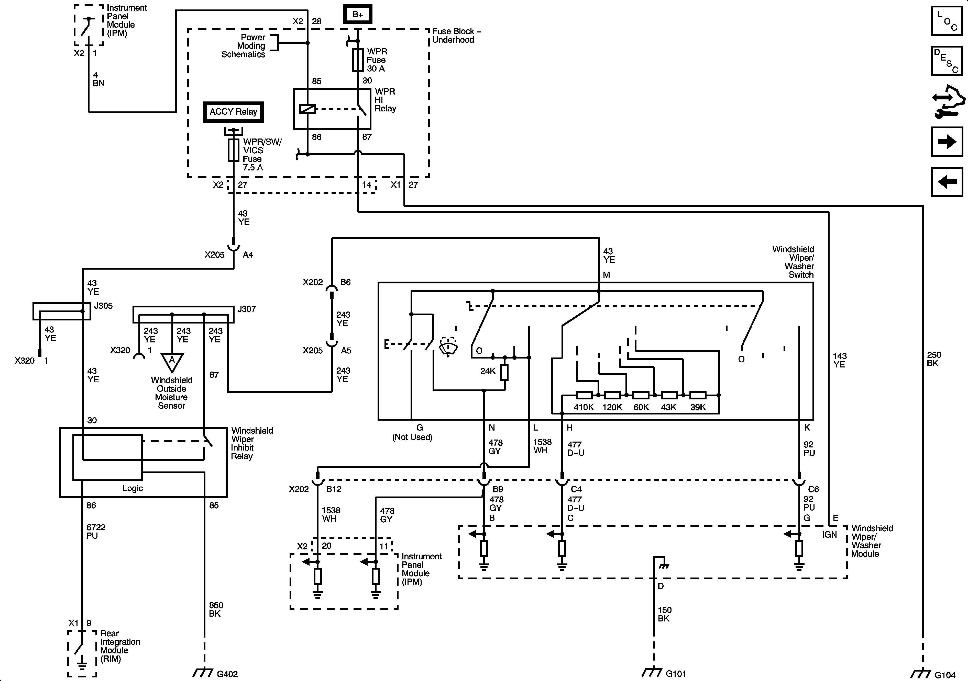
Wiper Inhibit System (WCV)
Rain Sensor (CEI), Windshield Washer Pump and Headlamp Washer Pump (CE4)
Figure 4:

Wiper Inhibit System (WCV)


Object Number: 1903089  Size: FS
Master Electrical Component List
Wiper/Washer System Description and Operation
Control Module References
Heated Washer Nozzle (XA7)