GM Service Manual Online
For 1990-2009 cars only
Figure 1:

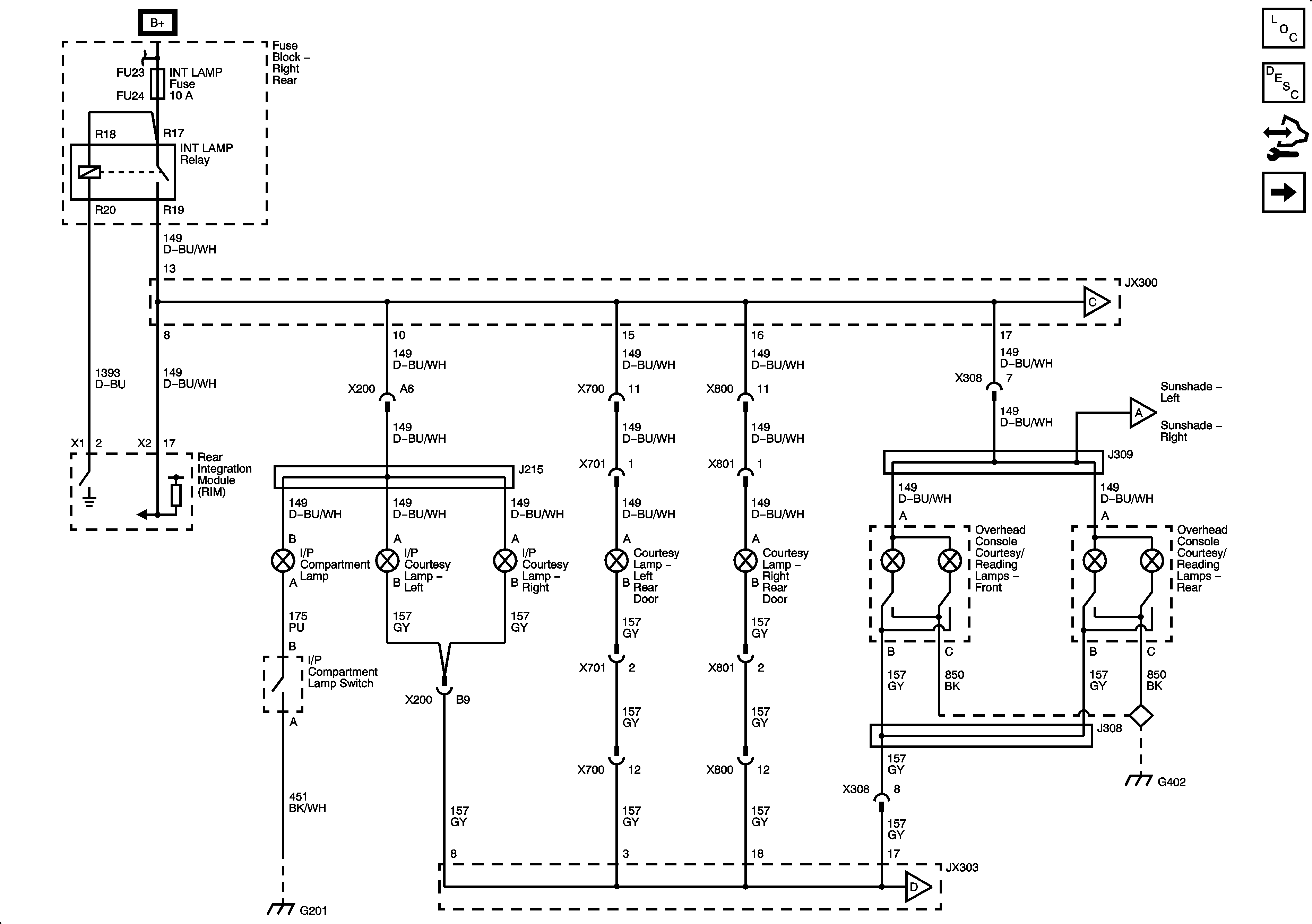
Courtesy Lamps


Object Number: 1903108  Size: FS
Master Electrical Component List
Interior Lighting Systems Description and Operation
Control Module References
Vanity Mirror and Rear Compartment Lamps
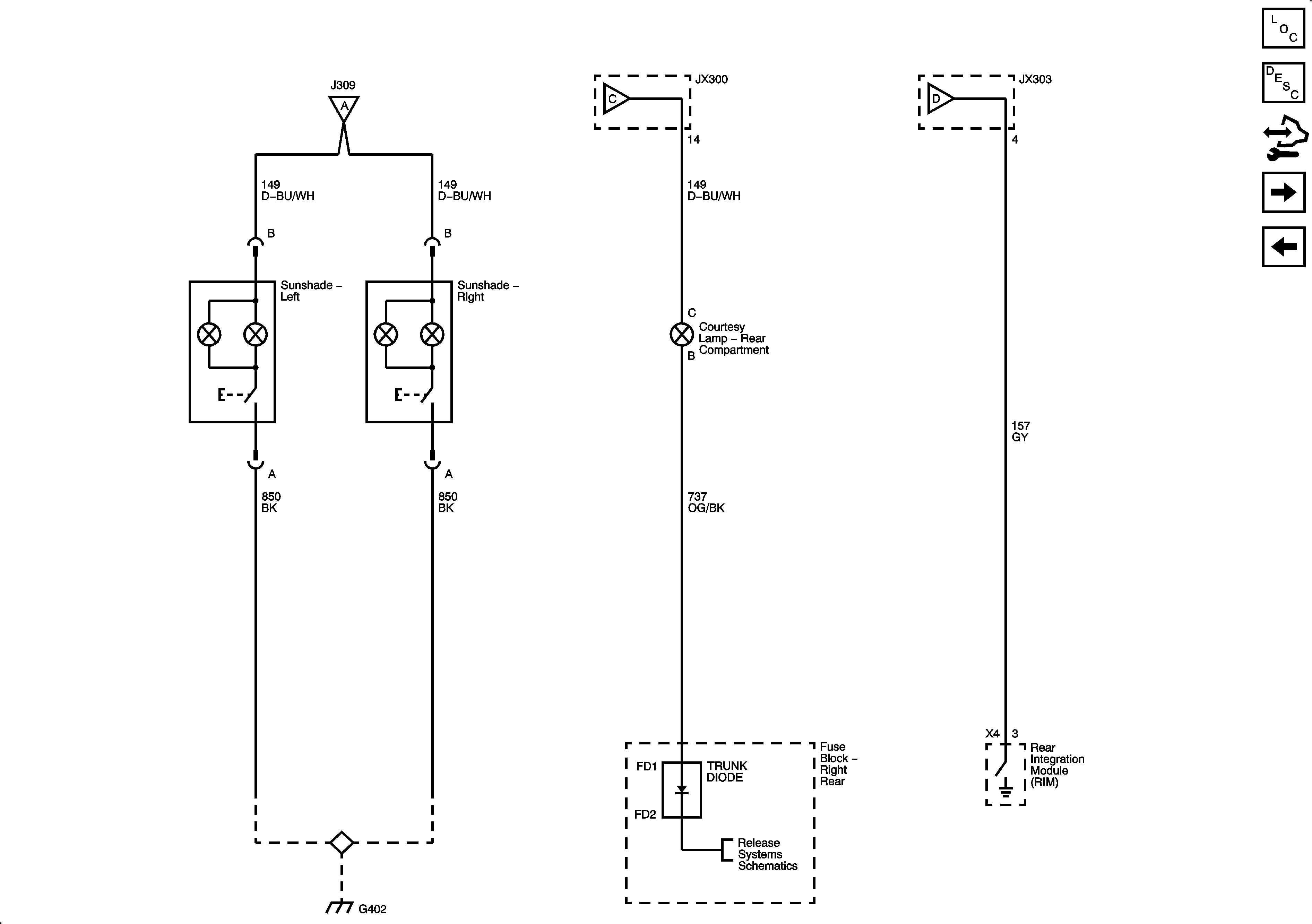
Figure 2:

Vanity Mirror and Rear Compartment Lamps


Object Number: 1903110  Size: FS
Master Electrical Component List
Interior Lighting Systems Description and Operation
Control Module References
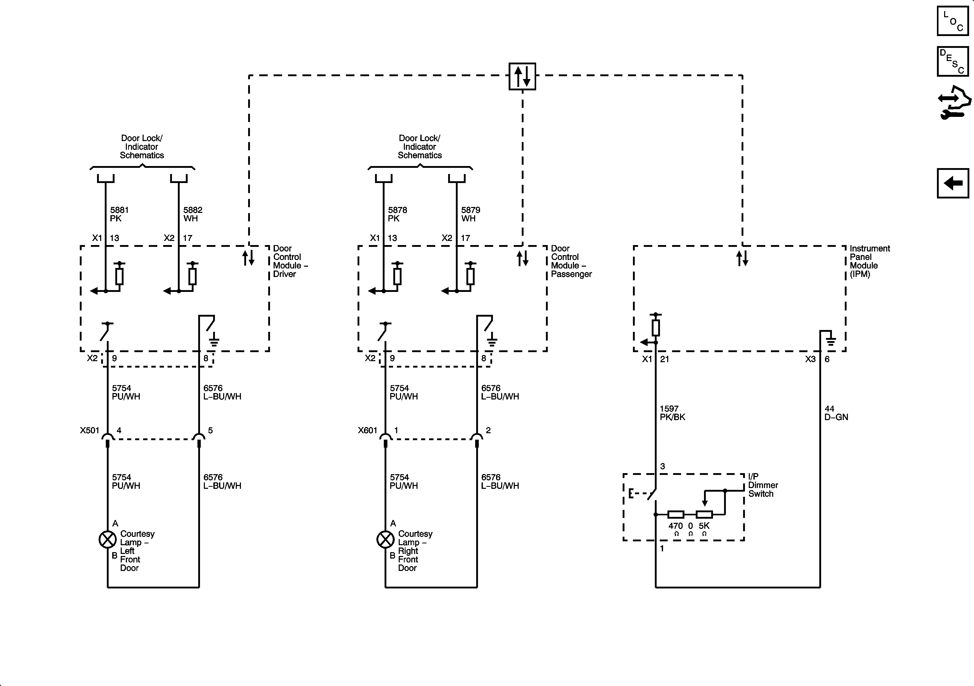
Front Door Puddle Lamps, DIC/Dimmer Switch
Courtesy Lamps
Figure 3:

Front Door Puddle Lamps, DIC/Dimmer Switch


Object Number: 1903113  Size: FS
Master Electrical Component List
Interior Lighting Systems Description and Operation
Control Module References
Vanity Mirror and Rear Compartment Lamps