GM Service Manual Online
For 1990-2009 cars only

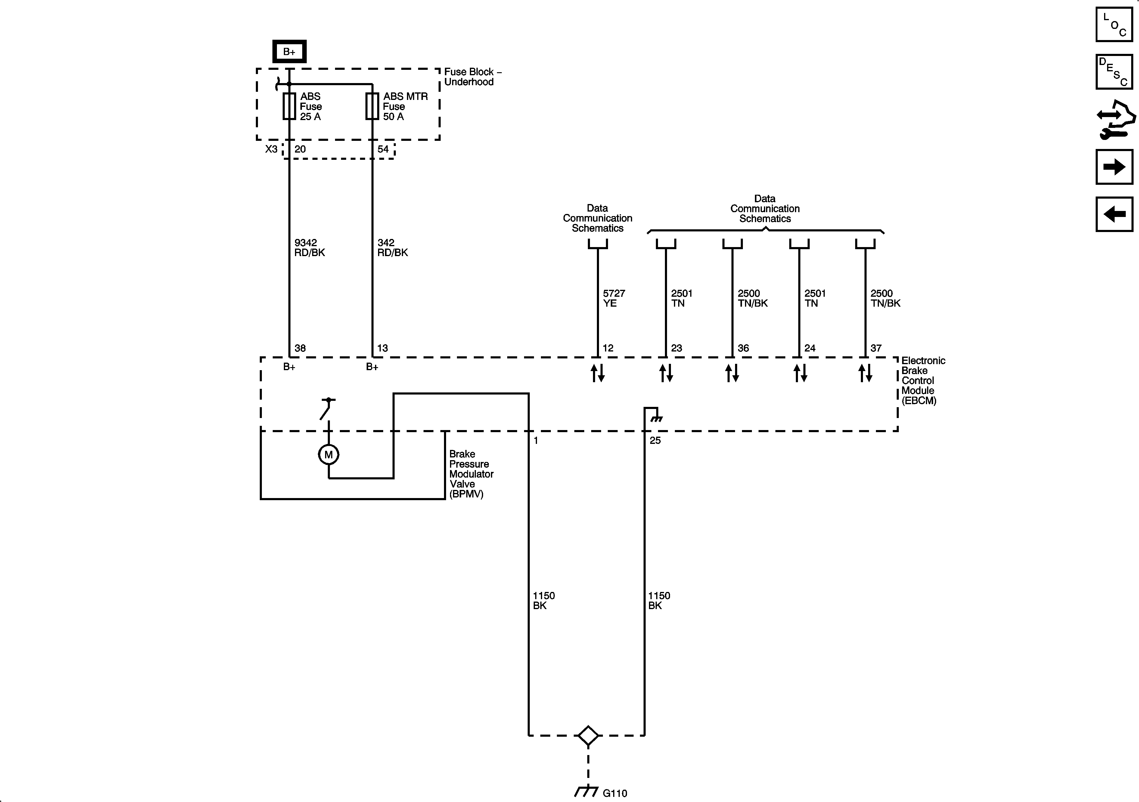
Antilock Brake System Schematics Except JL7

Figure 1:

EBCM Module Power, Ground and DLC


Object Number: 1905986  Size: FS
Master Electrical Component List
ABS Description and Operation (Without JL7)
Control Module References
Wheel Speed Sensors
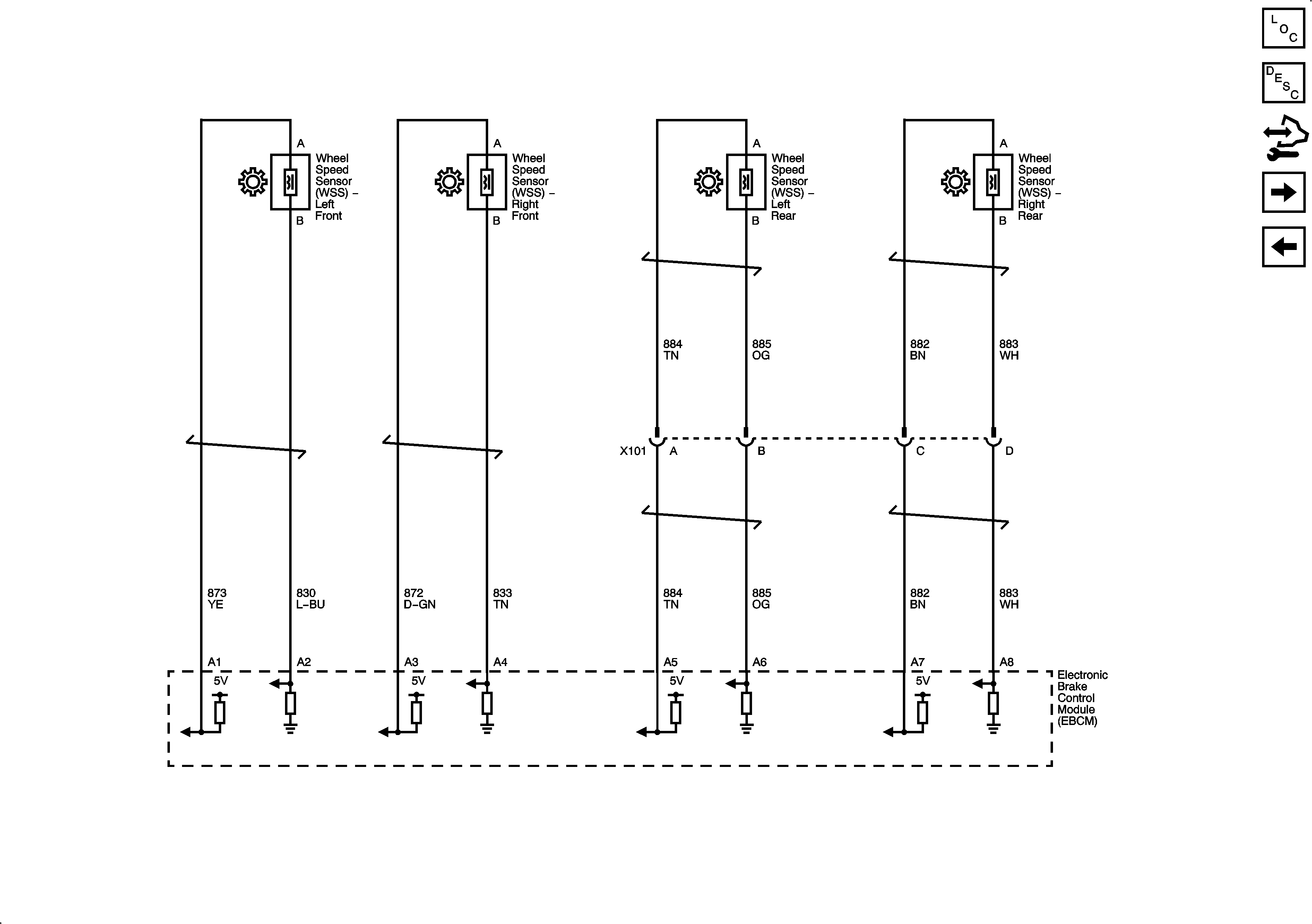
Figure 2:

Wheel Speed Sensors


Object Number: 1905988  Size: FS
Master Electrical Component List
ABS Description and Operation (Without JL7)
Control Module References
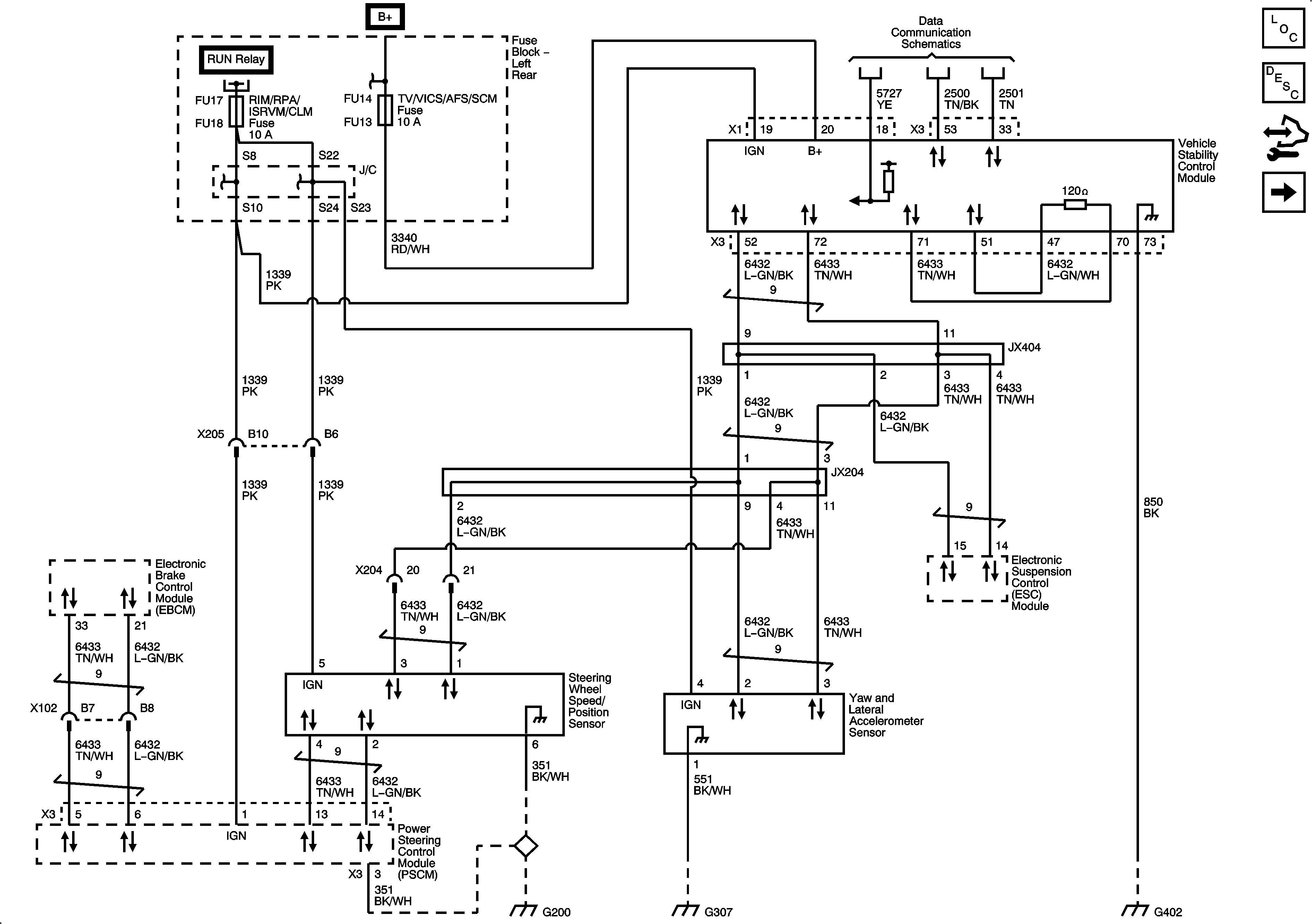
Stability Control System
EBCM Module Power, Ground and DLC
Figure 3:

Stability Control System


Object Number: 1905990  Size: FS
Master Electrical Component List
ABS Description and Operation (Without JL7)
Control Module References
Indicator and Traction Control
Wheel Speed Sensors
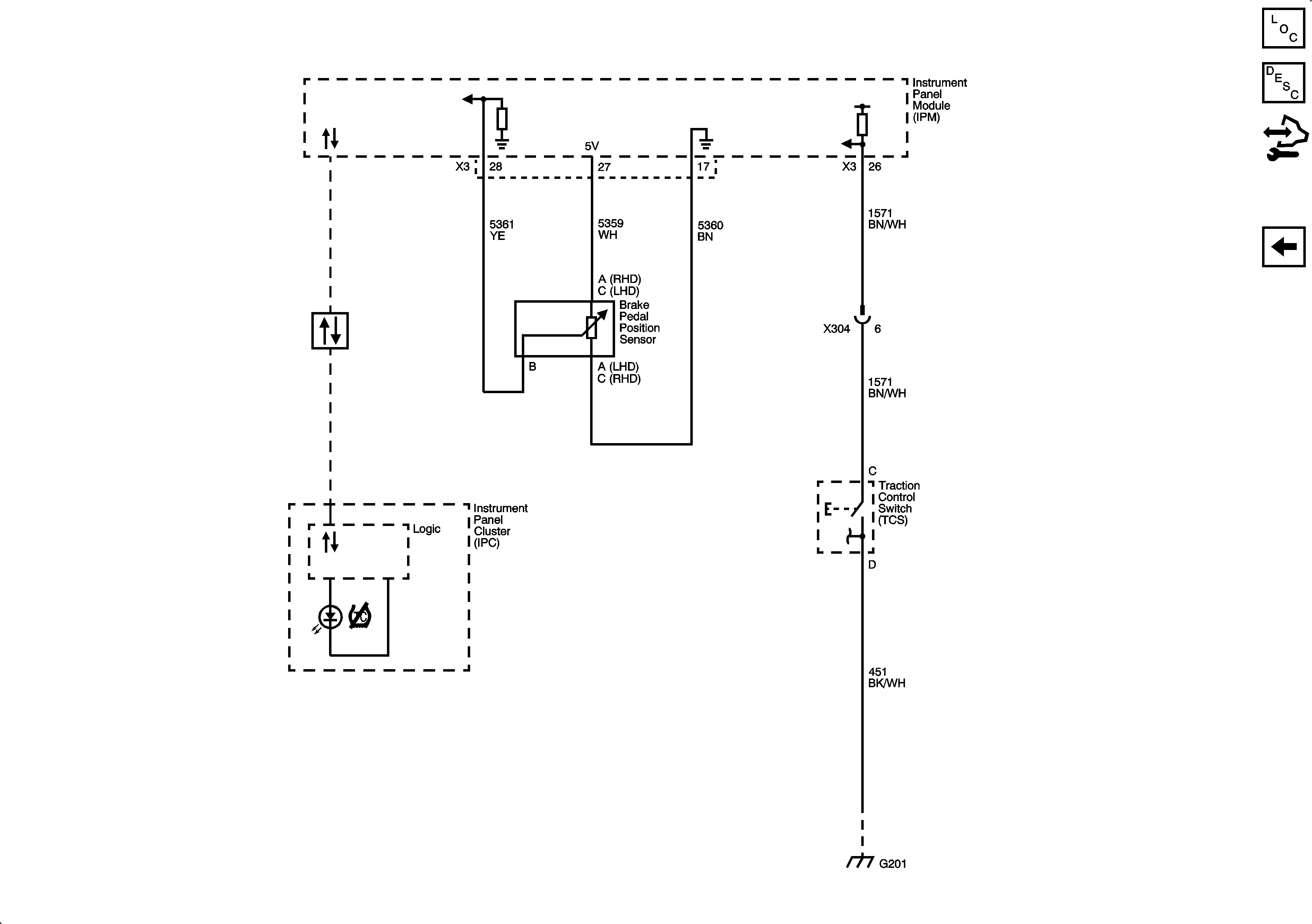
Figure 4:

Indicator and Traction Control


Object Number: 1905992  Size: FS
Master Electrical Component List
ABS Description and Operation (Without JL7)
Control Module References
Stability Control System

Antilock Brake System Schematics JL7

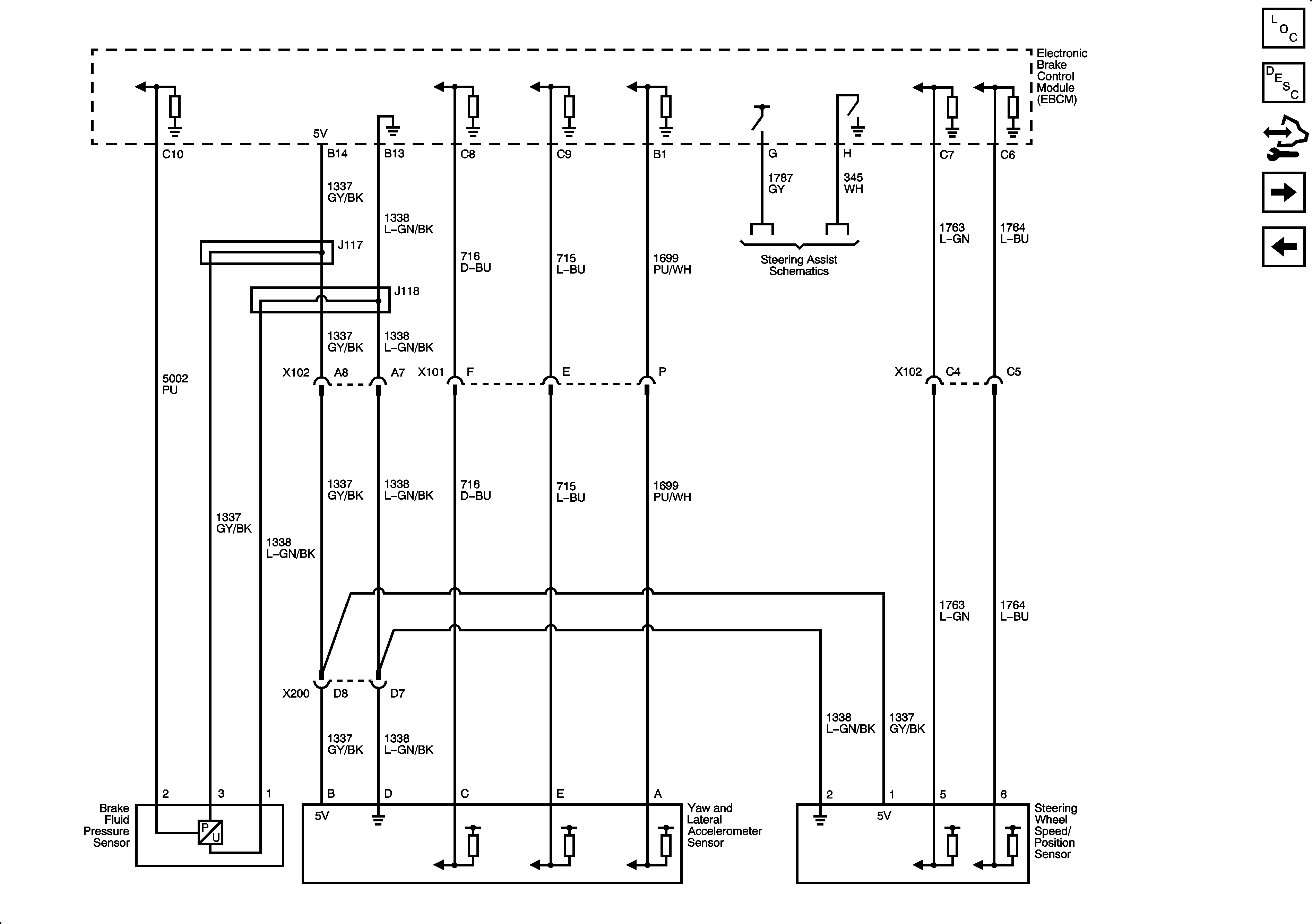
Figure 1:

Steering Angle and Acceleration Sensors


Object Number: 1914945  Size: FS
Master Electrical Component List
ABS Description and Operation With JL7
Control Module References
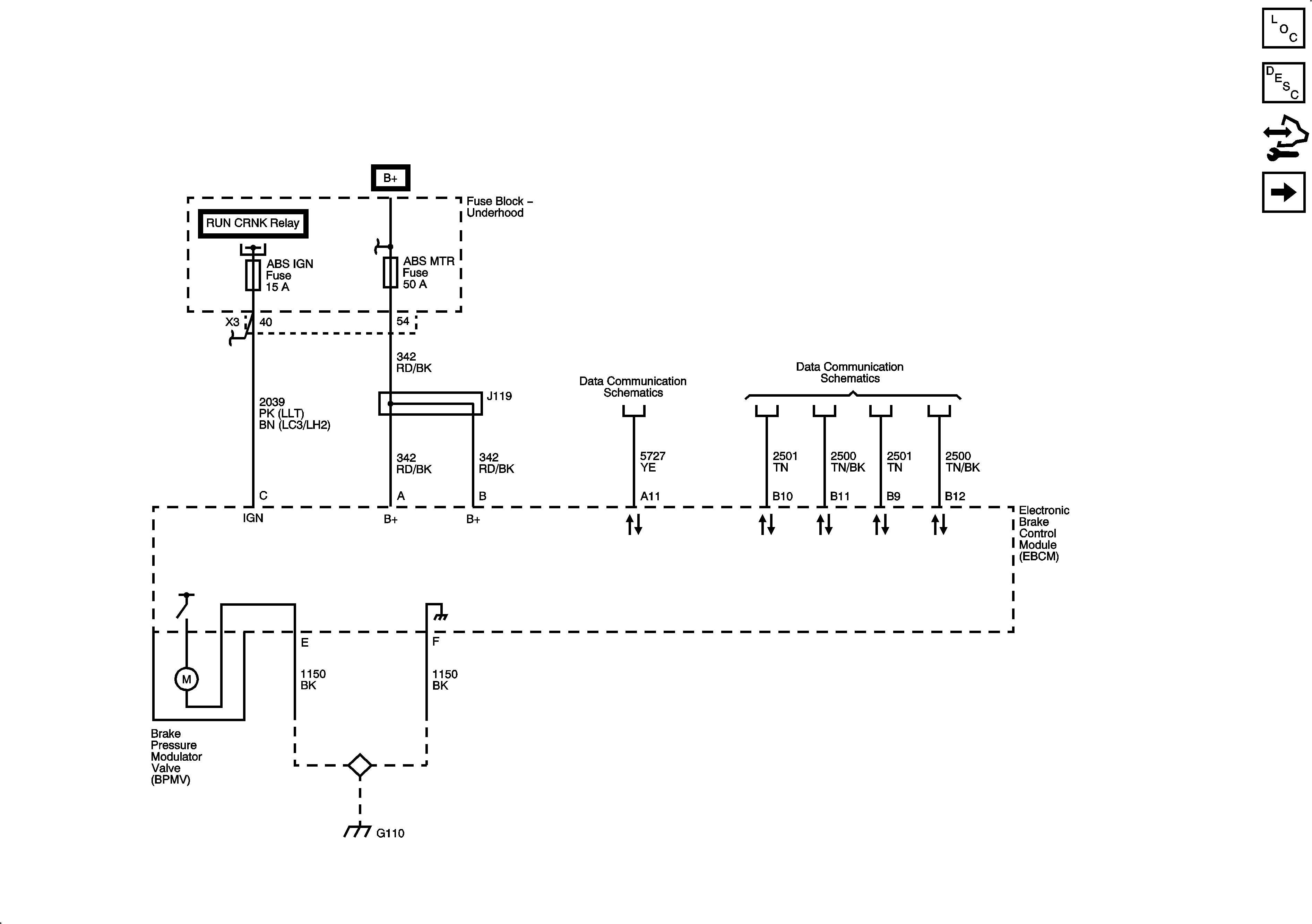
EBCM Power, Ground , and DLC
Figure 2:

EBCM Power, Ground, and DLC


Object Number: 1914961  Size: FS
Master Electrical Component List
ABS Description and Operation With JL7
Control Module References
Wheel Speed Sensors
Steering Angle and Acceleration Sensors
Figure 3:

Wheel Speed Sensors


Object Number: 1914965  Size: FS
Master Electrical Component List
ABS Description and Operation With JL7
Control Module References
Traction Control
EBCM Power, Ground , and DLC
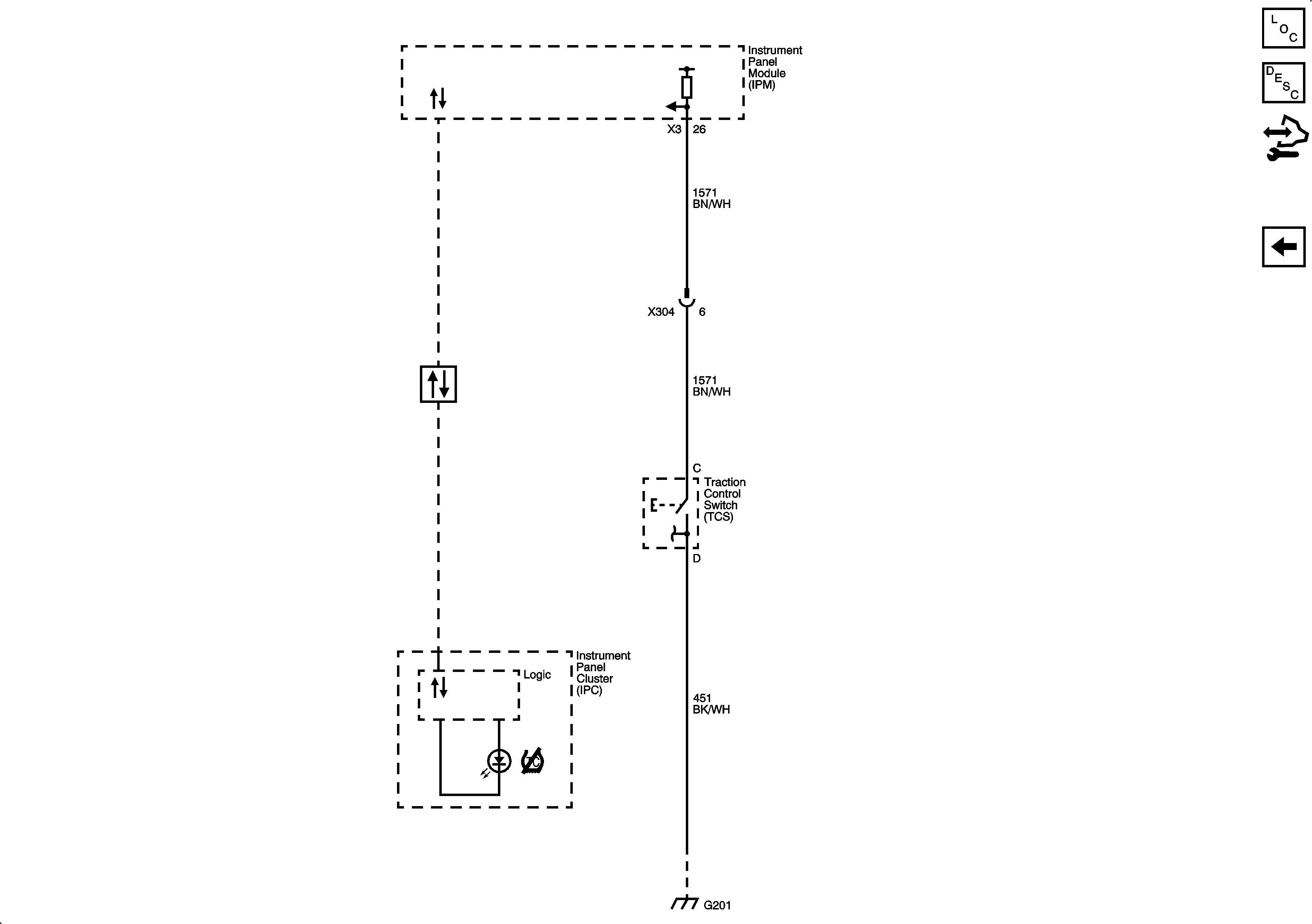
Figure 4:

Traction Control


Object Number: 1914969  Size: FS
Master Electrical Component List
ABS Description and Operation (With JL7)
Control Module References
Wheel Speed Sensors