GM Service Manual Online
For 1990-2009 cars only
Makes
🢒
Cadillac
🢒
2008
🢒
STS
🢒
Steering
🢒
Steering Wheel and Column
🢒 Steering Wheel Schematics
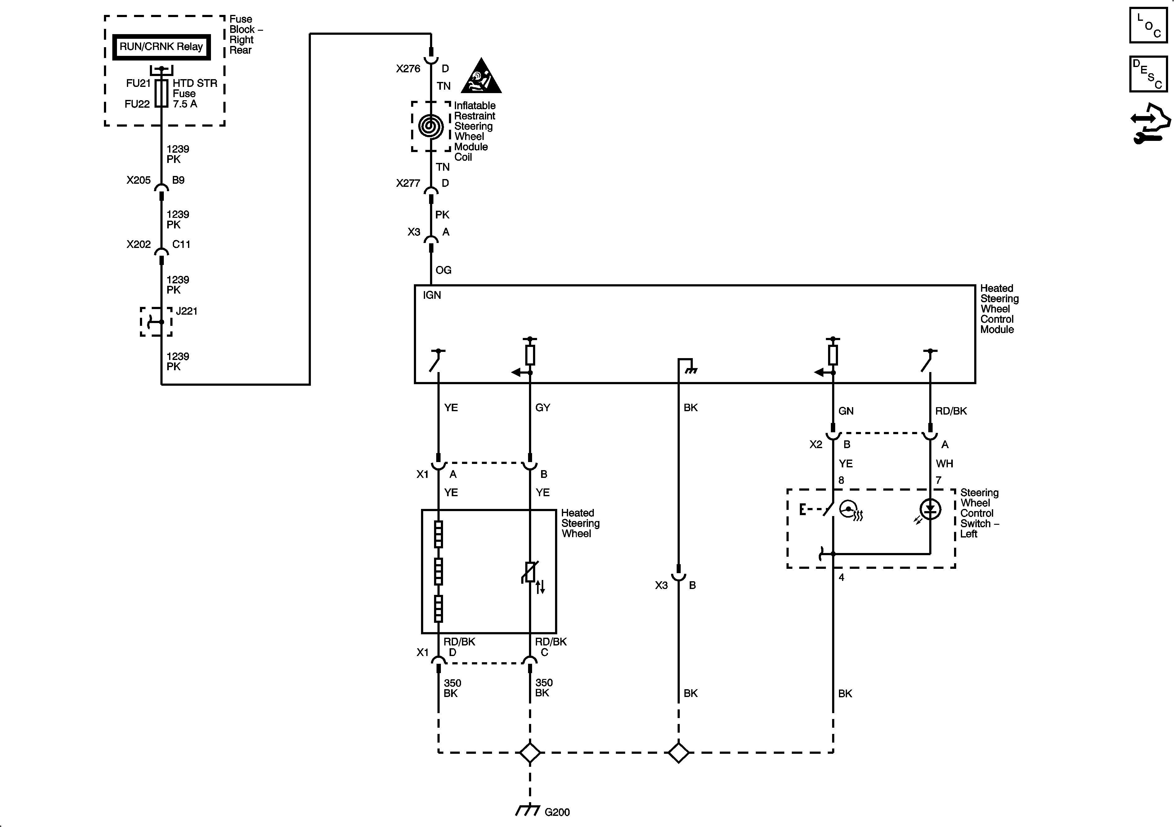
Heated Steering Wheel (NR7/N31)
Master Electrical Component List
Steering Wheel and Column Description and Operation
Control Module References