GM Service Manual Online
For 1990-2009 cars only
Makes
🢒
Cadillac
🢒
2008
🢒
STS
🢒
Steering
🢒
Steering Wheel and Column
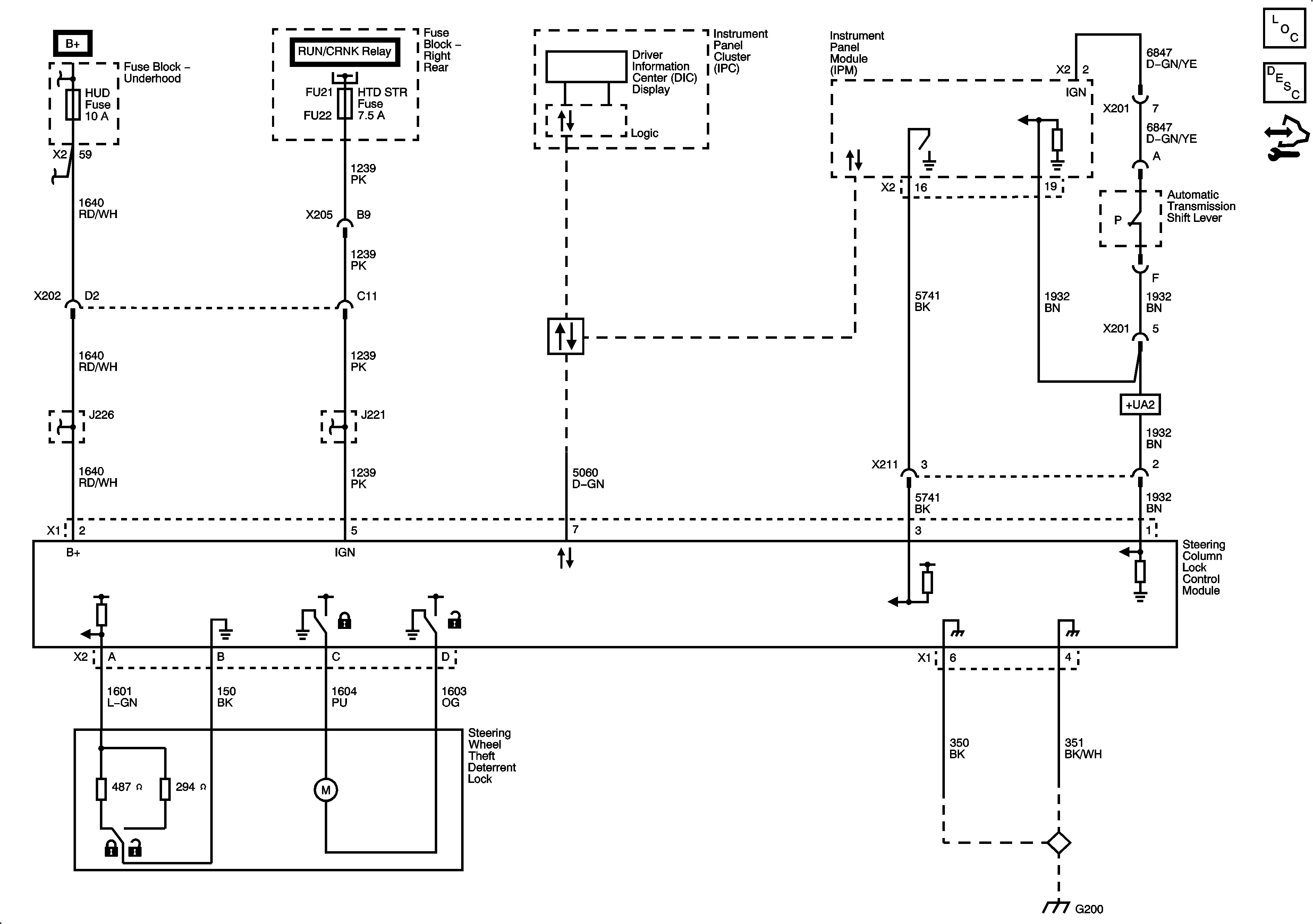
🢒 Column Lock Schematics
Master Electrical Component List
Steering Wheel and Column Description and Operation
Control Module References