GM Service Manual Online
For 1990-2009 cars only
Figure 1:

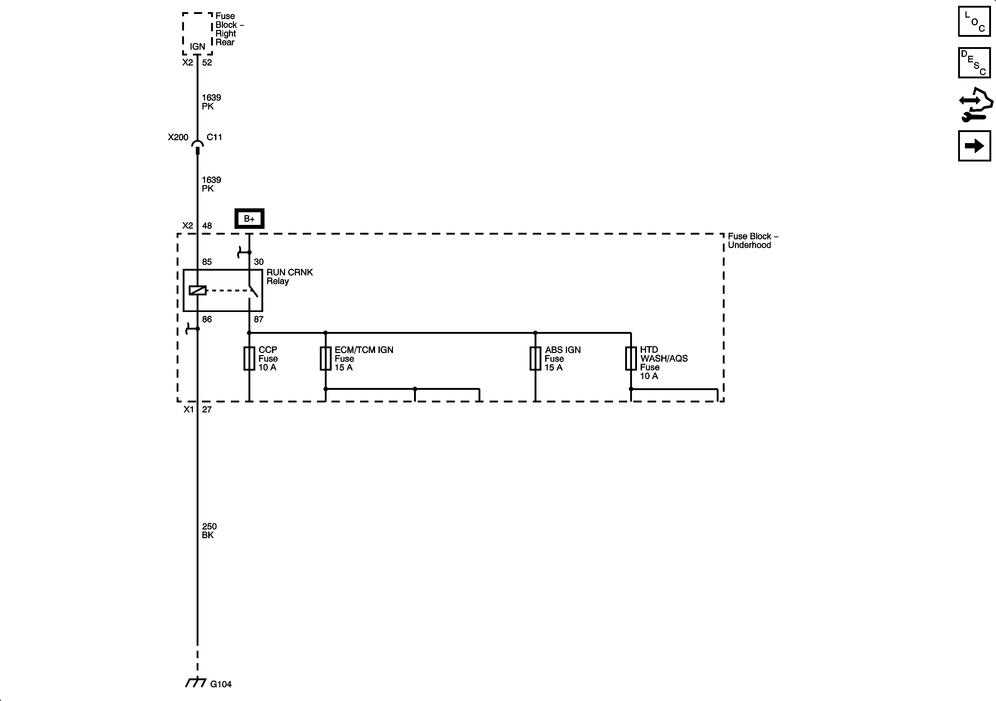
RUN CRNK Relay


Object Number: 1923115  Size: FS
Master Electrical Component List
Power Mode Description and Operation
Control Module References
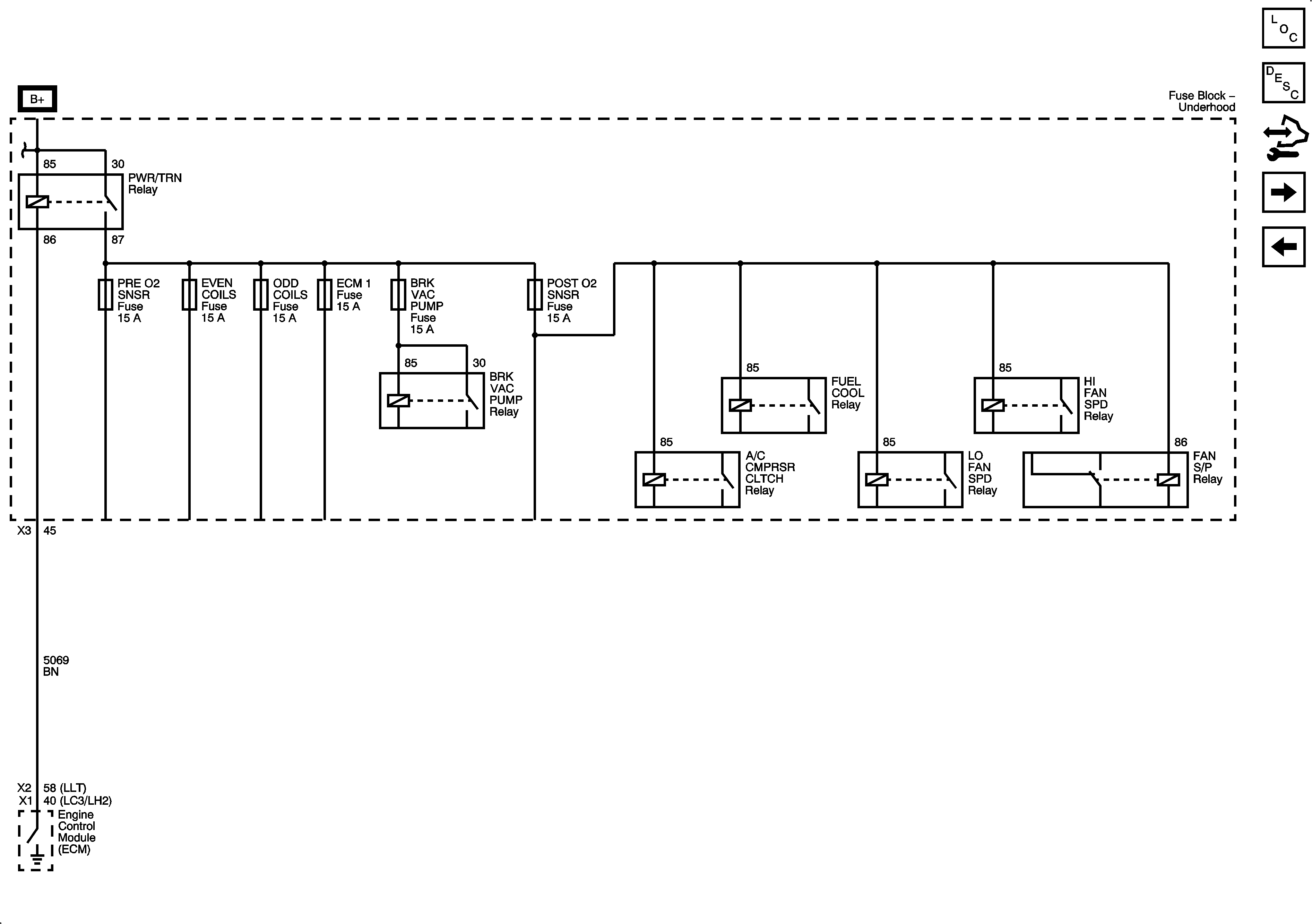
PWR/TRN Relay
Figure 2:

PWR/TRN Relay


Object Number: 1923116  Size: FS
Master Electrical Component List
Power Mode Description and Operation
Control Module References
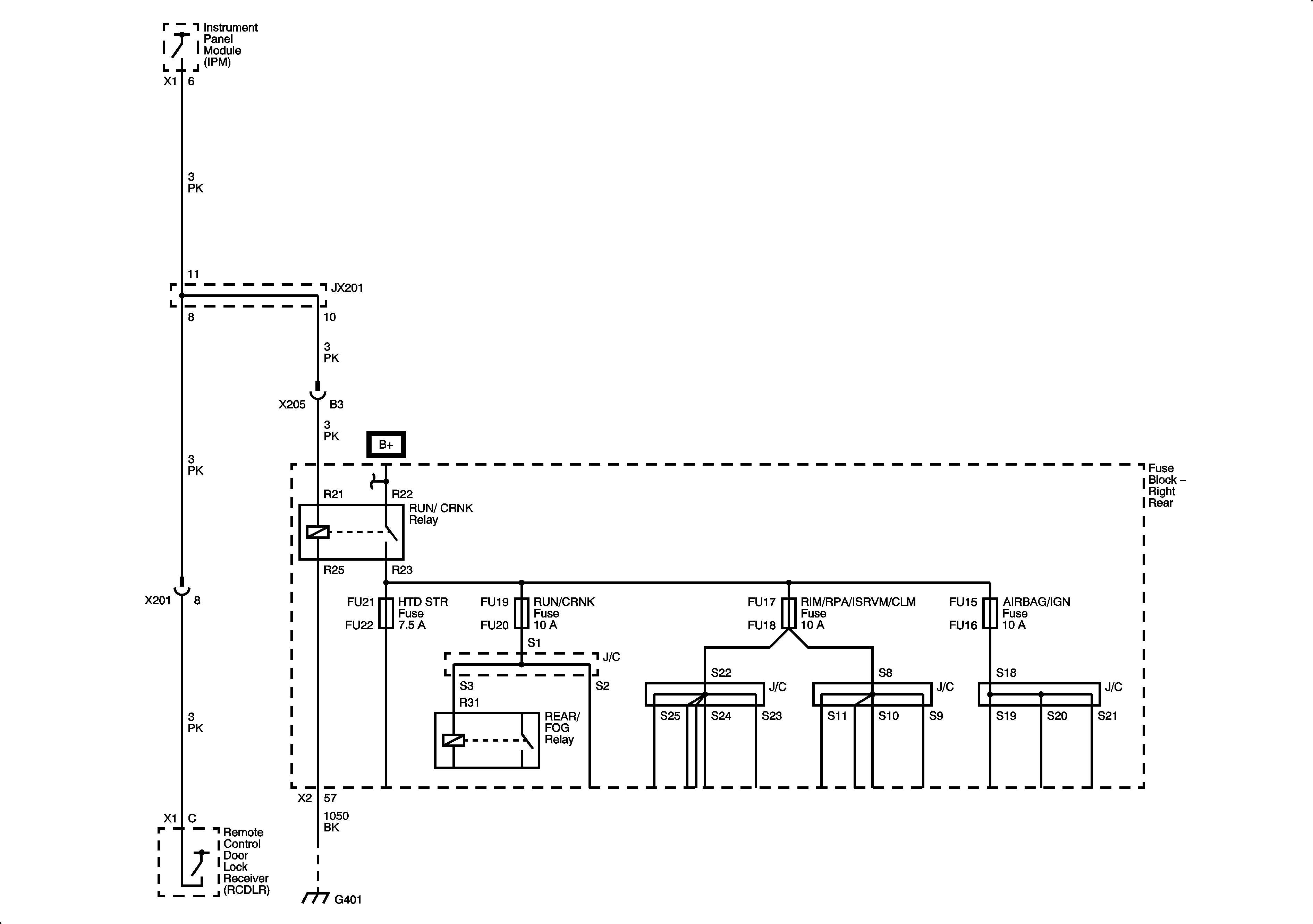
RUN/CRNK Relay
RUN CRNK Relay
Figure 3:

RUN/CRNK Relay


Object Number: 1923120  Size: FS
Master Electrical Component List
Power Mode Description and Operation
Control Module References
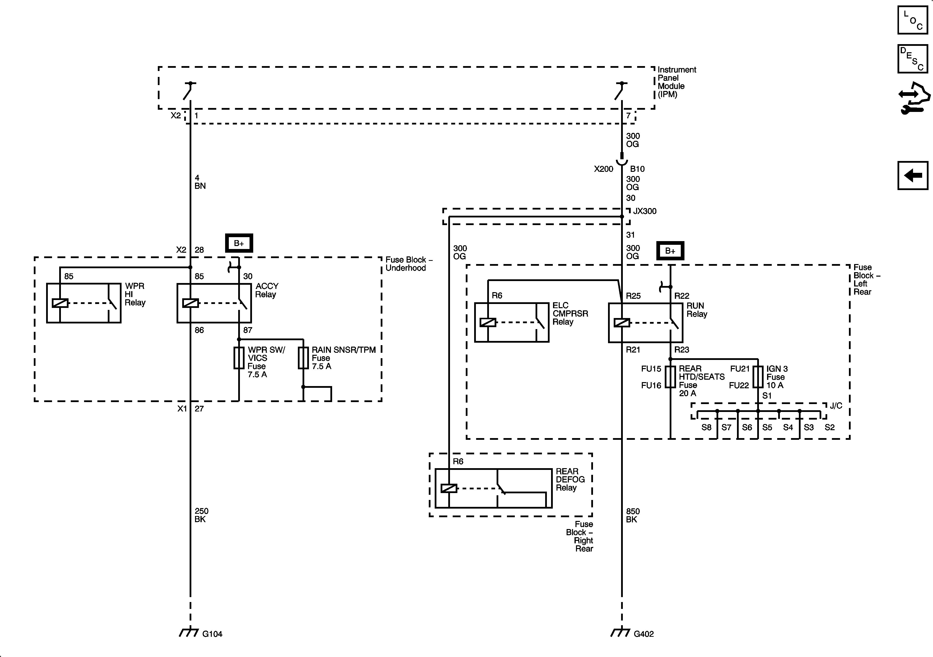
ACCY and RUN Relay
PWR/TRN Relay
Figure 4:

ACCY and RUN Relay


Object Number: 1923121  Size: FS
Master Electrical Component List
Power Mode Description and Operation
Control Module References
RUN/CRNK Relay