GM Service Manual Online
For 1990-2009 cars only
Figure 1:

G105, G106, G110, G306, G403 and G404


Object Number: 1905027  Size: FS
Master Electrical Component List
Control Module References
G100
Figure 2:

G100


Object Number: 1905032  Size: FS
Master Electrical Component List
Control Module References
G101
G105, G106, G110, G306, G403 and G404
Figure 3:

G101


Object Number: 1905034  Size: FS
Master Electrical Component List
Control Module References
G104 ( 1 of 2)
G100
Figure 4:

G104 (1 of 2)


Object Number: 1905036  Size: FS
Master Electrical Component List
Control Module References
G104 (2 of 2)
G101
Figure 5:

G104 (2 of 2)


Object Number: 1905038  Size: FS
Master Electrical Component List
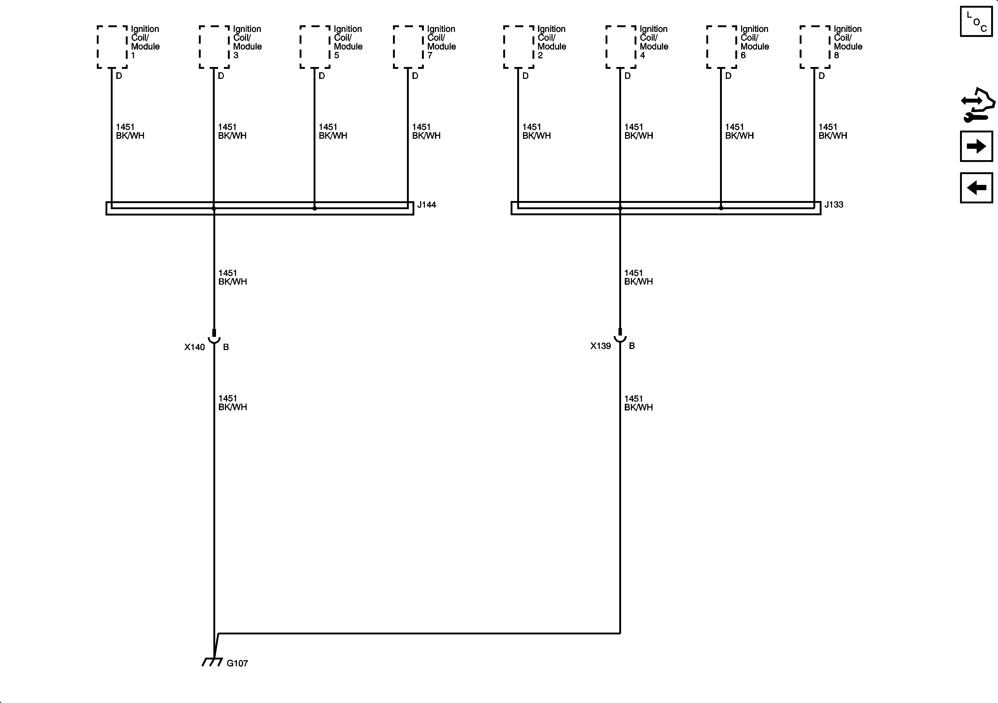
G107 (LC3/LH2)
G104 ( 1 of 2)
Figure 6:

G107 (LC3/LH2)


Object Number: 1905042  Size: FS
Master Electrical Component List
Control Module References
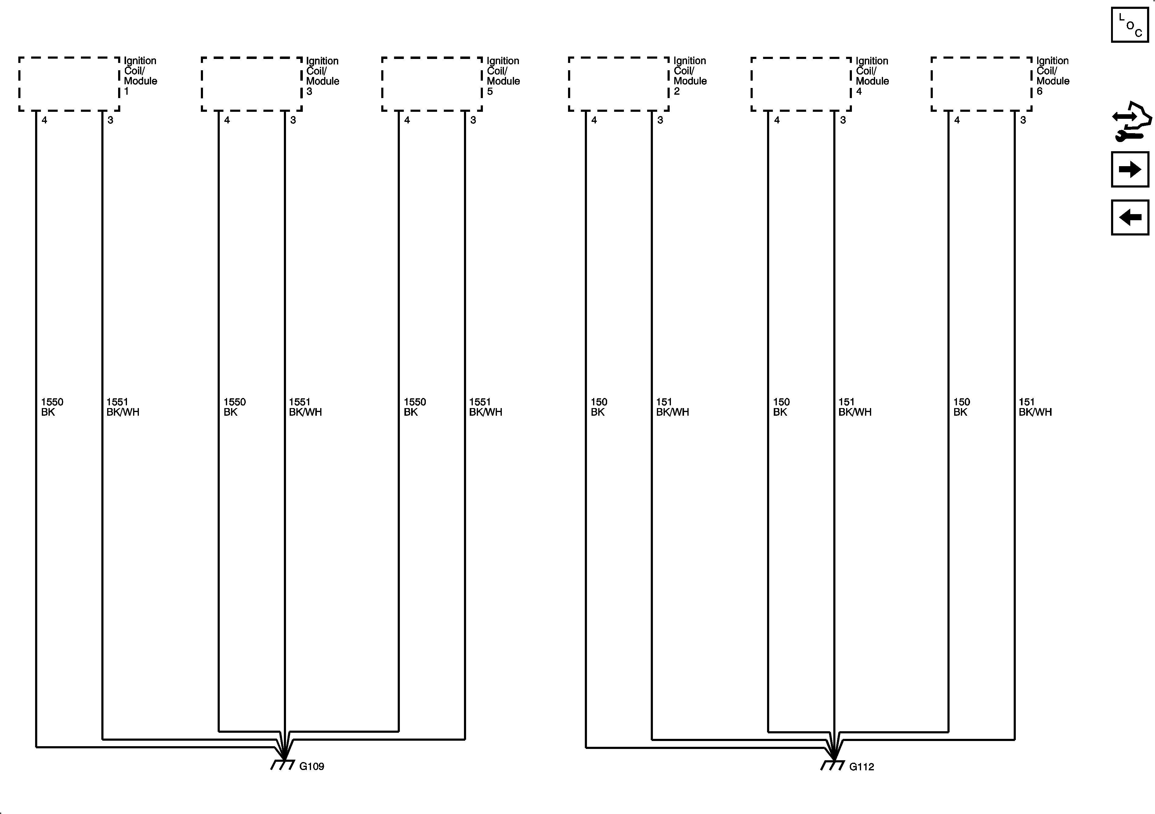
G109 (LLT) and G112 (LLT)
G104 (2 of 2)
Figure 7:

G109 (LLT) and G112 (LLT)


Object Number: 1905044  Size: FS
Master Electrical Component List
Control Module References
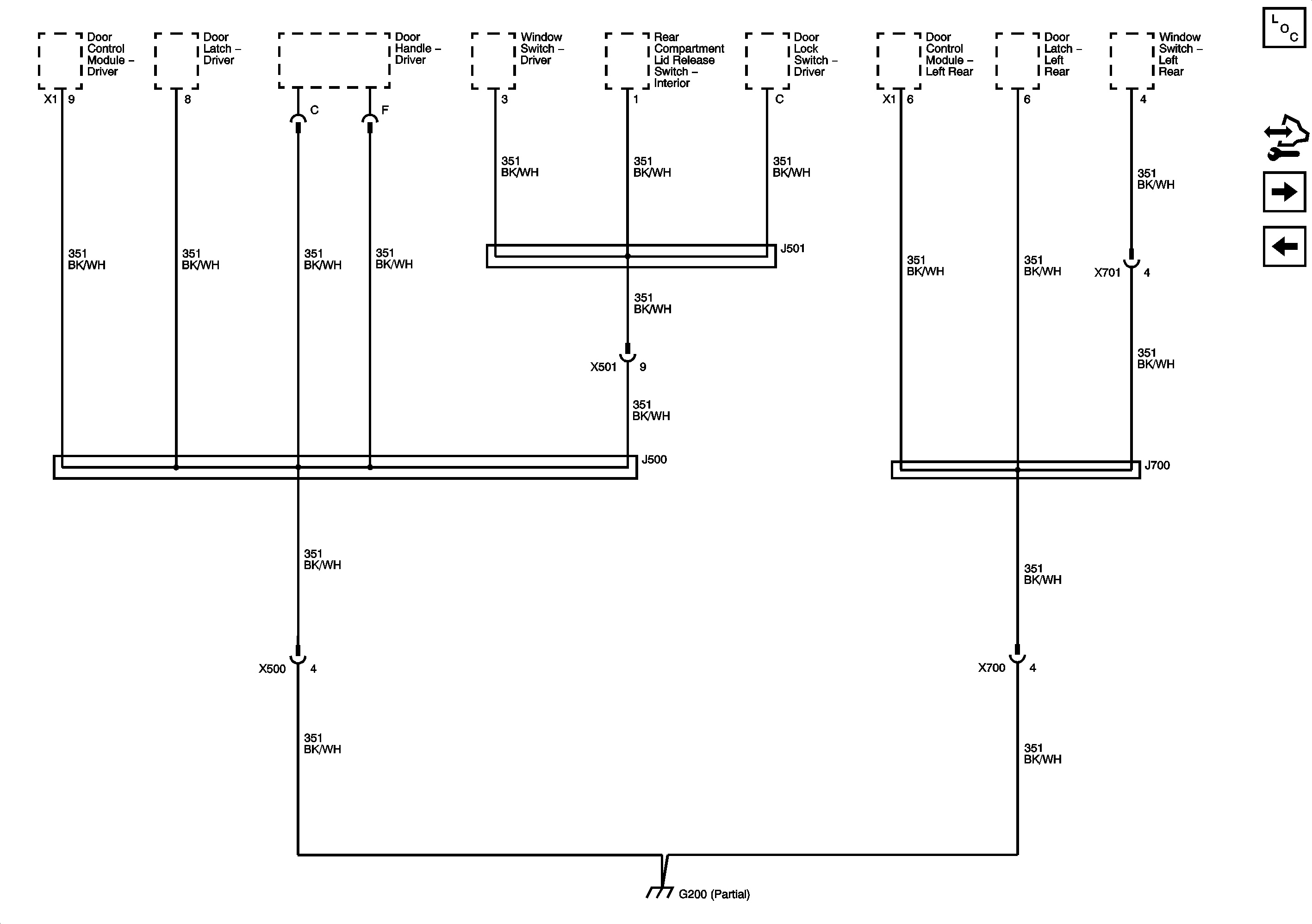
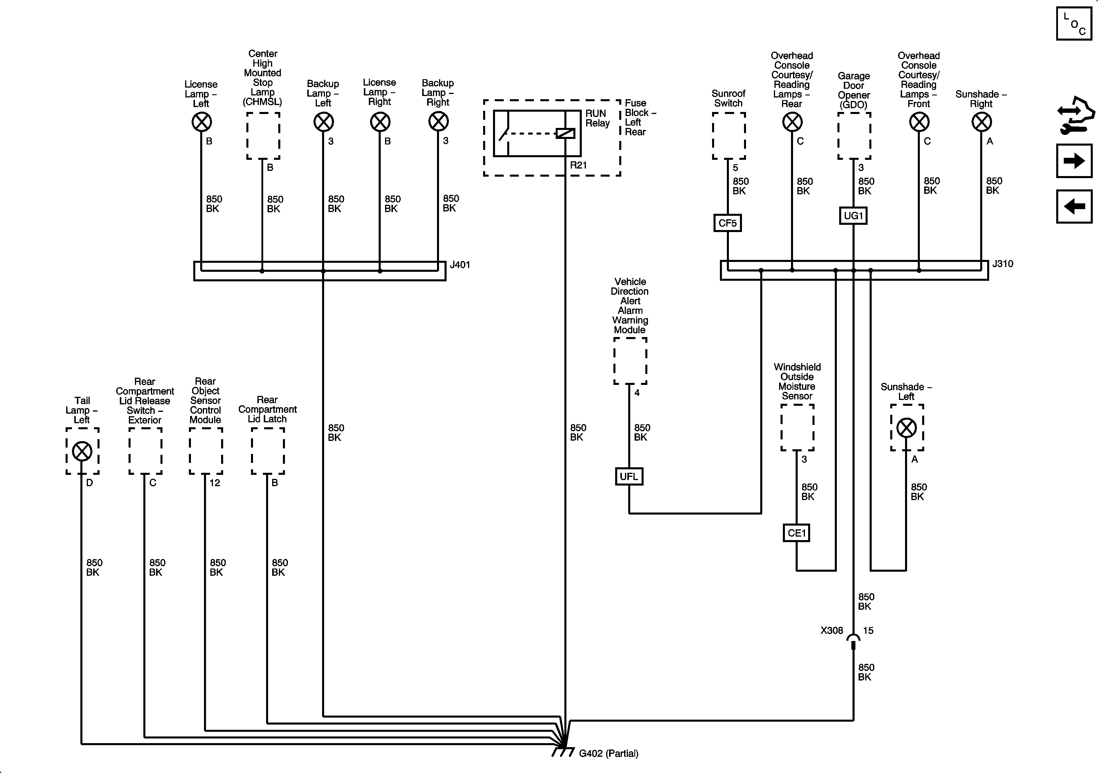
G200 (1 of 2)
G107 (LC3/LH2)
Figure 8:

G200 (1 of 2)


Object Number: 1905046  Size: FS
Master Electrical Component List
Control Module References
G200 (2 of 2)
G109 (LLT) and G112 (LLT)
Figure 9:

G200 (2 of 2)


Object Number: 1905048  Size: FS
Master Electrical Component List
Control Module References
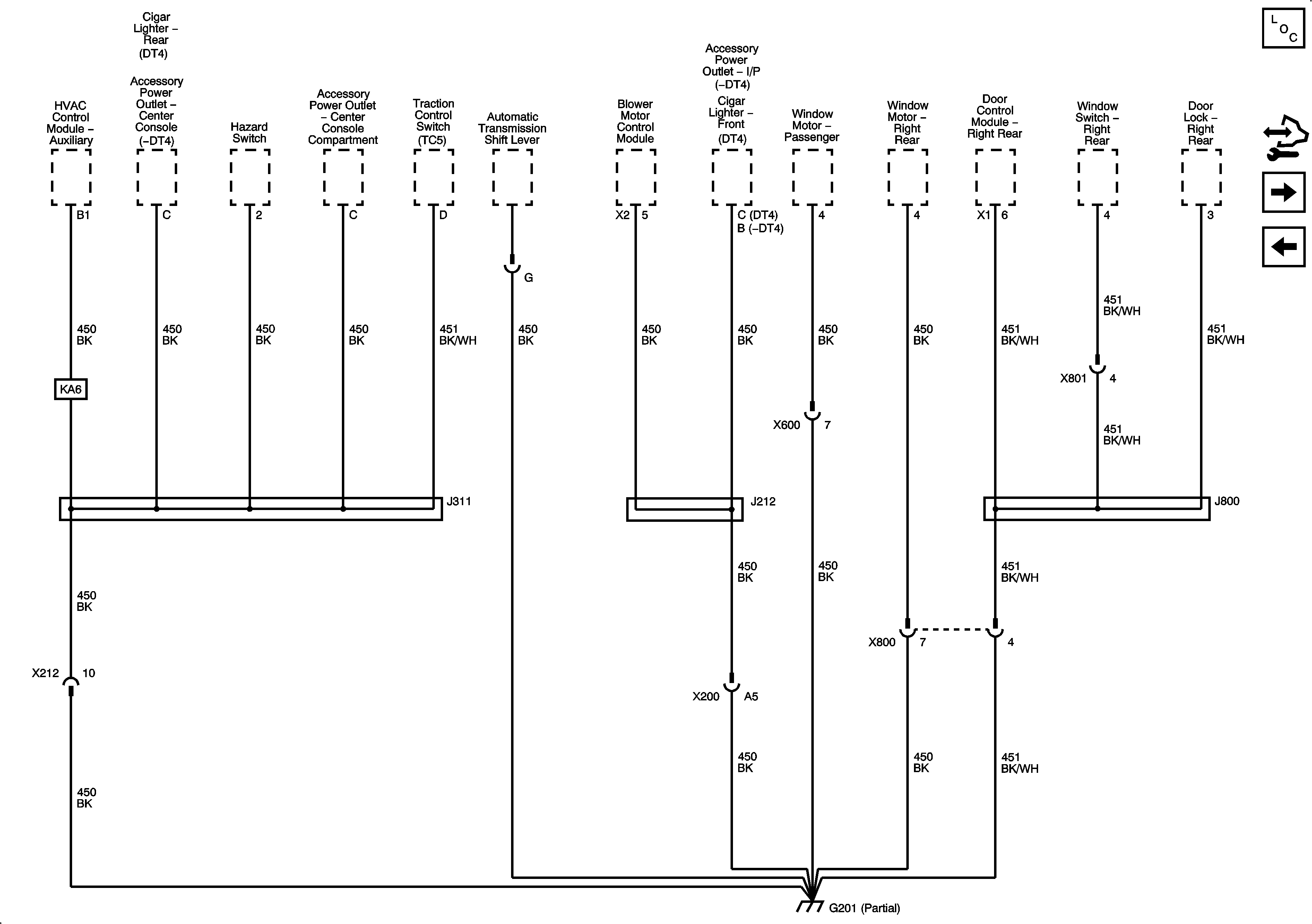
G201 (1 of 2)
G200 (1 of 2)
Figure 10:

G201 (1 of 2)


Object Number: 1905051  Size: FS
Master Electrical Component List
Control Module References
G201 (2 of 2)
G200 (2 of 2)
Figure 11:

G201 (2 of 2)


Object Number: 1905053  Size: FS
Master Electrical Component List
Control Module References
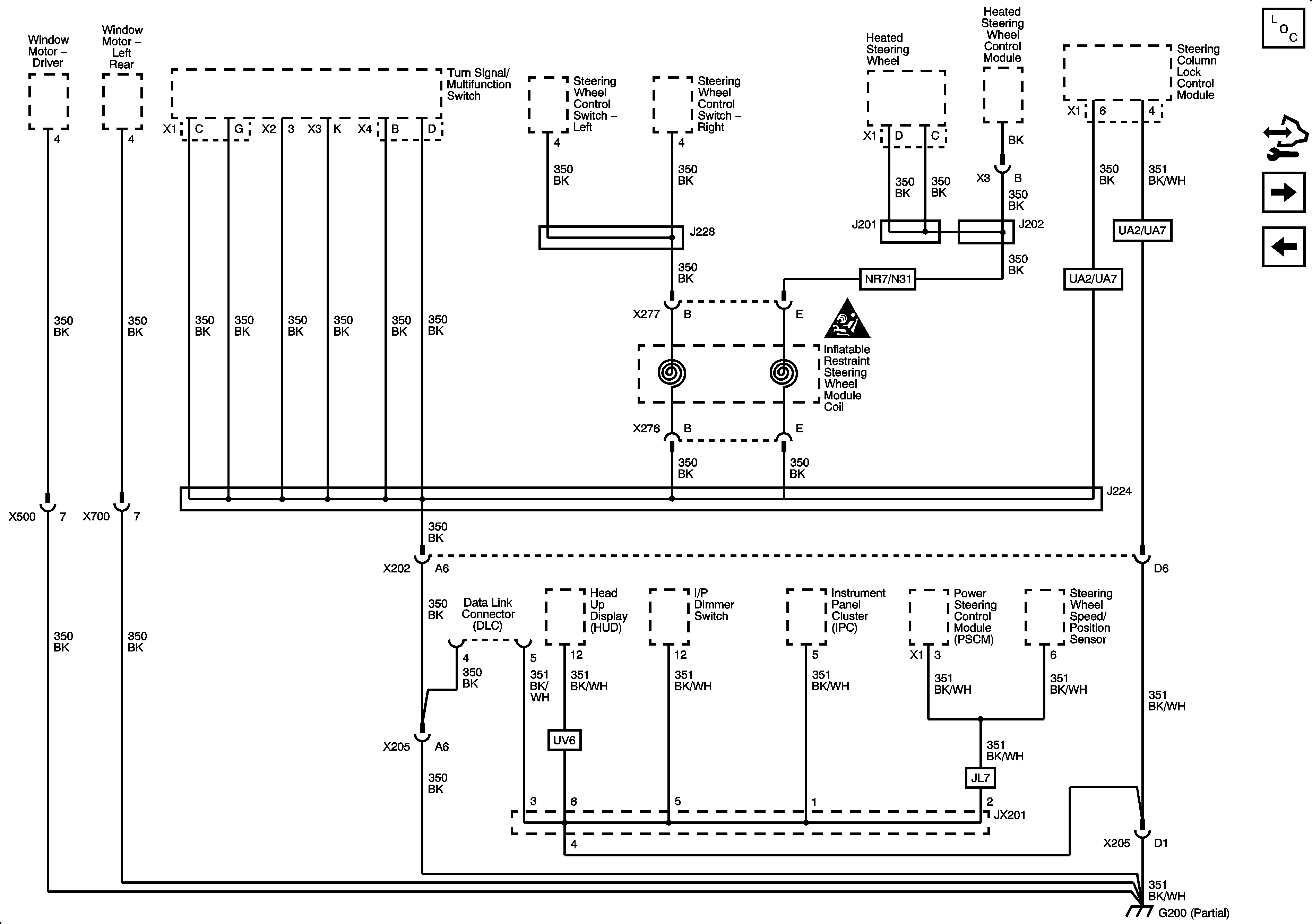
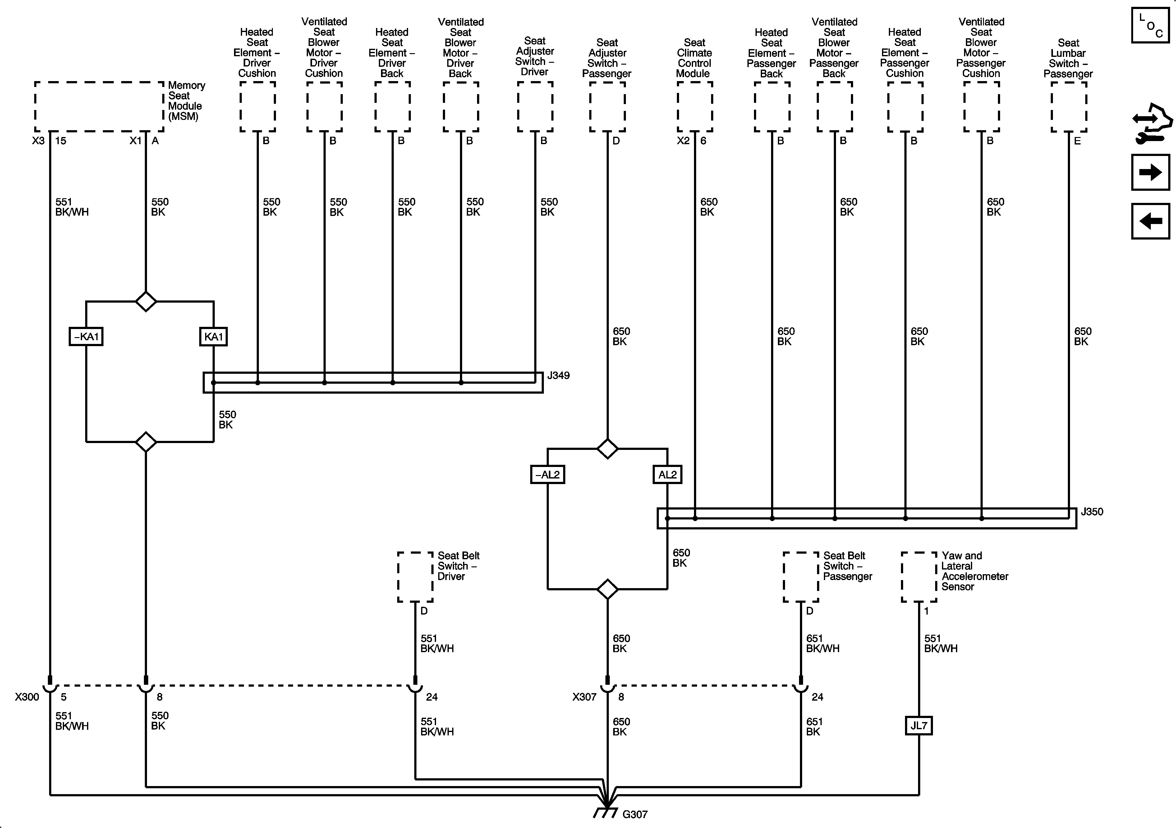
G307
G201 (1 of 2)
Figure 12:

G307


Object Number: 1905056  Size: FS
Master Electrical Component List
Control Module References
G401 (1 of 2)
G201 (2 of 2)
Figure 13:

G401 (1 of 2)


Object Number: 1905058  Size: FS
Master Electrical Component List
Control Module References
G401 (2 of 2)
G307
Figure 14:

G401 (2 of 2)


Object Number: 1905060  Size: FS
Master Electrical Component List
Control Module References
G402 (1 of 2)
G401 (1 of 2)
Figure 15:

G402 (1 of 2)


Object Number: 1905063  Size: FS
Master Electrical Component List
Control Module References
G402 (2 of 2)
G401 (2 of 2)
Figure 16:

G402 (2 of 2)


Object Number: 1905066  Size: FS
Master Electrical Component List
Control Module References
G402 (1 of 2)