GM Service Manual Online
For 1990-2009 cars only
Figure 1:

Forward Lamp


Object Number: 1970124  Size: LF
(1)X108 (TT7/TT8)
(2)X107 (TT7/TT8)
(3)X120
(4)X116
(5)X122 (LH2/LC3)
(6)JX100
(7)X124 (LC3)
(8)X113
(9)X125 (LC3)
(10)X123 (LH2/LC3)
(11)X121
(12)X112
(13)X111
Figure 2:

Forward Lamp Splices and Grounds


Object Number: 1970127  Size: LF
(1)J106
(2)J114
(3)J110
(4)J111
(5)J107
(6)G104
(7)J116
(8)G110
Figure 3:

Engine - Front (LLT)


Object Number: 1972228  Size: LF
(1)G104
(2)X101
(3)G109
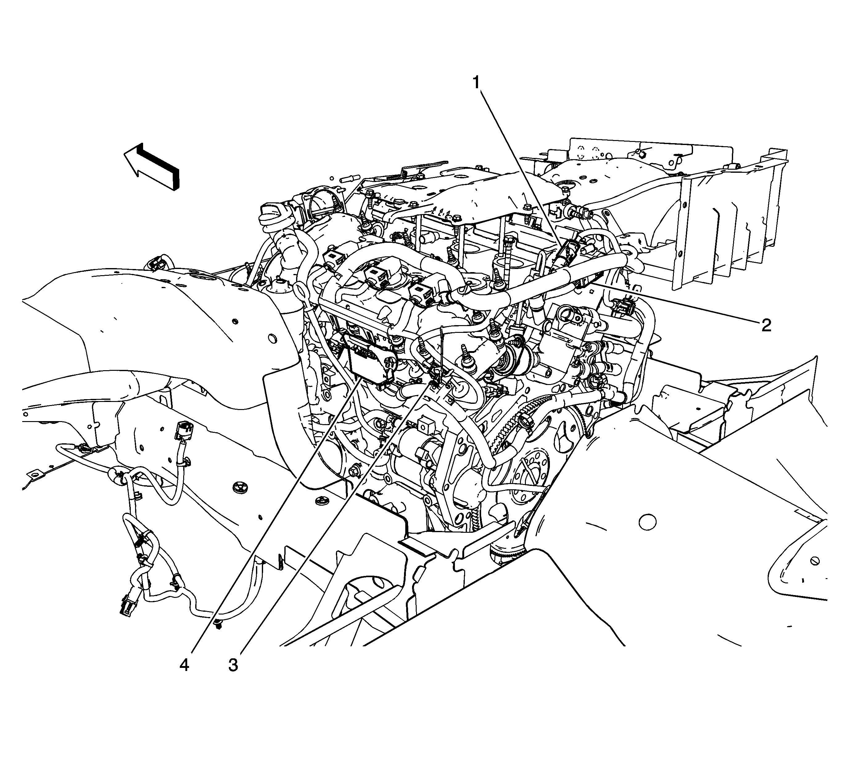
Figure 4:

Engine - Left Rear (LLT)


Object Number: 1972223  Size: LF
(1)X160
(2)X161
(3)G112
(4)X102
Figure 5:

Engine - Left Rear (LH2)


Object Number: 1970132  Size: LF
(1)X102
(2)X105
(3)Valve Cover Ground to Ground Strap
(4)Valve Cover Ground
(5)X140
Figure 6:

Engine - Right Rear (LH2)


Object Number: 1970182  Size: LF
(1)X139
(2)X100
(3)X101
(4)X113
(5)G107
(6)G106
(7)Valve Cover Ground
(8)G100
(9)G107 Ground Strap
(10)104
Figure 7:

Engine Harness Splices (LH2)


Object Number: 1970189  Size: LF
(1)J103
(2)J105
(3)J115
(4)J104
Figure 8:

Instrument Panel Harness - Engine Compartment


Object Number: 1970194  Size: LF
(1)X103
(2)X102
(3)JX201
(4)X116
(5)G101
(6)X111
(7)X112
Figure 9:

Body Harness - Engine Compartment


Object Number: 1970204  Size: LF
(1)X100/X118 (LC3)
(2)X101
(3)X203
Figure 10:

Instrument Panel Harness - Left Side of Instrument Panel


Object Number: 1970211  Size: LF
(1)JX201
(2)X218
(3)X202
Figure 11:

Instrument Panel Harness - Right Side of Instrument Panel


Object Number: 1970215  Size: LF
(1)X209
(2)X214
(3)X200
Figure 12:

Instrument Panel Harness - Below Center Console


Object Number: 1970219  Size: LF
(1)X215
(2)X201
(3)Fuse Block - Steering Column
(4)X204
(5)X304
Figure 13:

Body Harness - Left Front Passenger Compartment


Object Number: 1970225  Size: LF
(1)X301
(2)X300
(3)G200
(4)X205
(5)X500
(6)X204
(7)X213
(8)X212
(9)X201
(10)G307
(11)JX300
Figure 14:

Body Harness - Right Front Passenger Compartment


Object Number: 1970229  Size: LF
(1)X217
(2)X200
(3)X600
(4)X307
(5)X800
(6)G306
(7)X318
(8)JX303
(9)G201
Figure 15:

Body Harness - Left Rear Cargo Compartment


Object Number: 1970234  Size: LF
(1)X308
(2)JX305
(3)X320
(4)X320
(5)Windshield Wiper Inhibit Relay (WCV)
(6)X302
(7)G402
(8)Rear Shelf
Figure 16:

Body Harness - Right Rear Cargo Compartment 1 of 2


Object Number: 1970256  Size: LF
(1)G403
(2)X310
(3)Rear Decklid
(4)JX304
(5)X305
Figure 17:

Body Harness - Right Rear Cargo Compartment 2 of 2


Object Number: 1488394  Size: LF
(1)Right Rear Fender
(2)G401
(3)Trunk Compartment Floor Panel
Figure 18:

Headliner Harness (without CF5)


Object Number: 1970272  Size: LF
(1)X305
(2)J309
(3)J308
(4)J310
(5)X308
Figure 19:

Headliner Harness (CF5)


Object Number: 1970281  Size: LF
(1)X308
(2)X305
(3)X309
(4)J308
(5)X309
(6)J310
Figure 20:

Front Doors


Object Number: 1970285  Size: LF
(1)Driver Door
(2)Front Passenger Door
(3)J601
(4)X601
(5)J603
(6)J600
(7)J602
(8)X600
(9)X500
(10)J504
(11)J501
(12)X501
(13)J500
(14)J501
Figure 21:

Rear Doors


Object Number: 1970296  Size: LF
(1)Left Rear Door
(2)Right Rear Door
(3)X801
(4)J800
(5)X800
(6)X700
(7)J700
(8)X701
Figure 22:

Body Harness Splices


Object Number: 1970266  Size: LF
(1)J401
(2)J305
(3)J307
(4)J207
(5)J205
(6)J208
(7)J209
(8)J303
(9)J302
(10)J306
(11)J317
(12)J413
Figure 23:

Body Harness - Rear Underbody


Object Number: 1970264  Size: LF
(1)X401
(2)X400
(3)X420
(4)X403
Figure 24:

Rear Fascia Harness


Object Number: 1970302  Size: LF
(1)X401
(2)J405
(3)J404
(4)J403
(5)J400
(6)X402
(7)X403
(8)J410
(9)X400