GM Service Manual Online
For 1990-2009 cars only
Makes
🢒
Cadillac
🢒
2008
🢒
STS
🢒
Seats
🢒
Power Seats
🢒 Driver Seat Schematics
Figure
1:
Memory Seat Module Power, Ground and DLC
Master Electrical Component List
Memory Seats Description and Operation
Control Module References
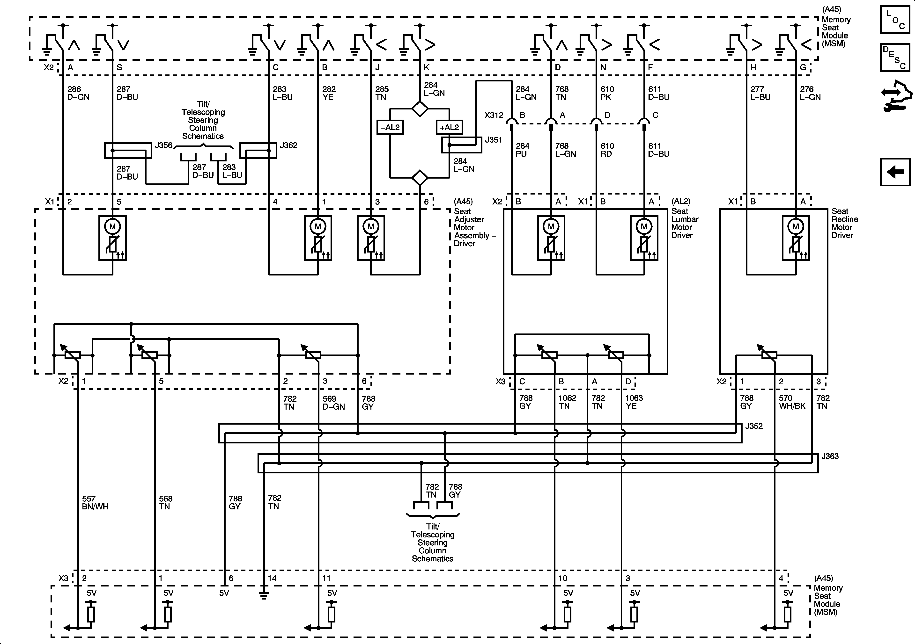
Position Sensors and Motors
Figure
2:
Position Sensors and Motors
Master Electrical Component List
Memory Seats Description and Operation
Control Module References
Memory Seat Module Power, Ground and DLC