GM Service Manual Online
For 1990-2009 cars only
Figure 1:

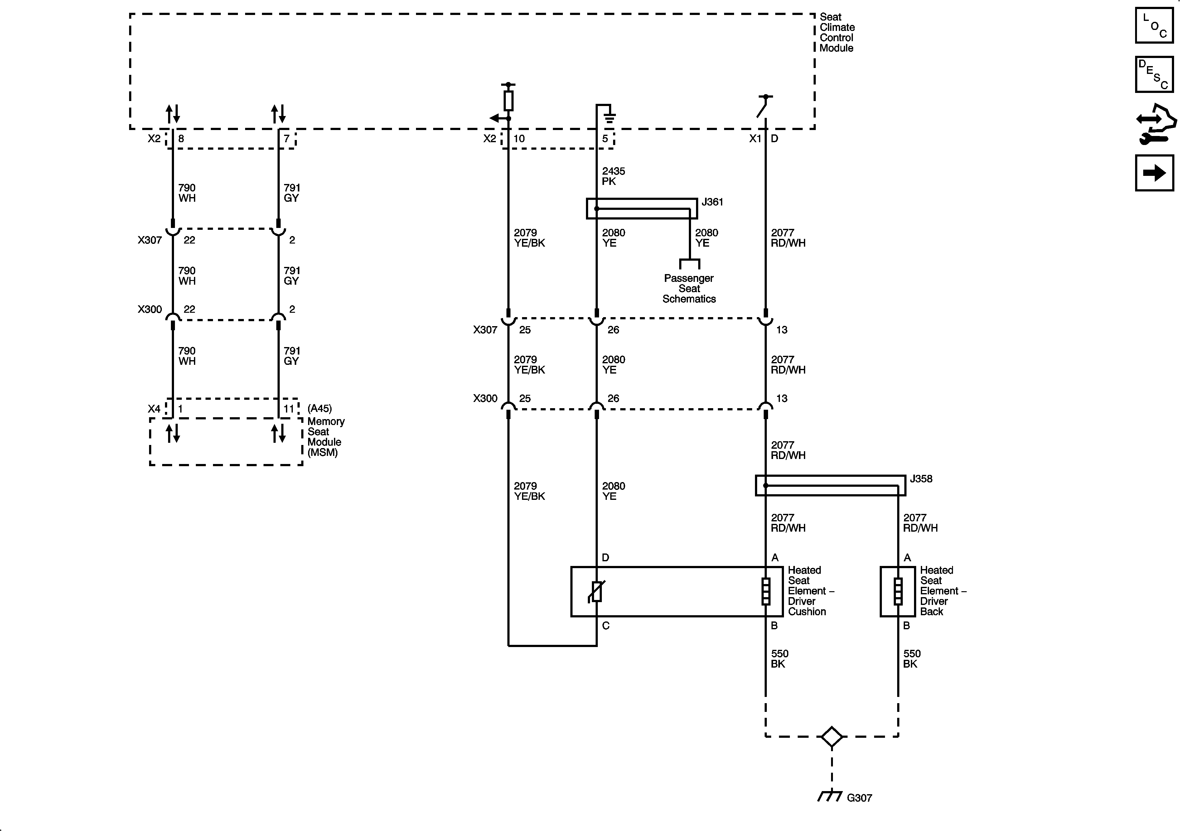
Driver Heated Seat


Object Number: 1904731  Size: FS
Master Electrical Component List
Heated/Vented Seat Description and Operation
Control Module References
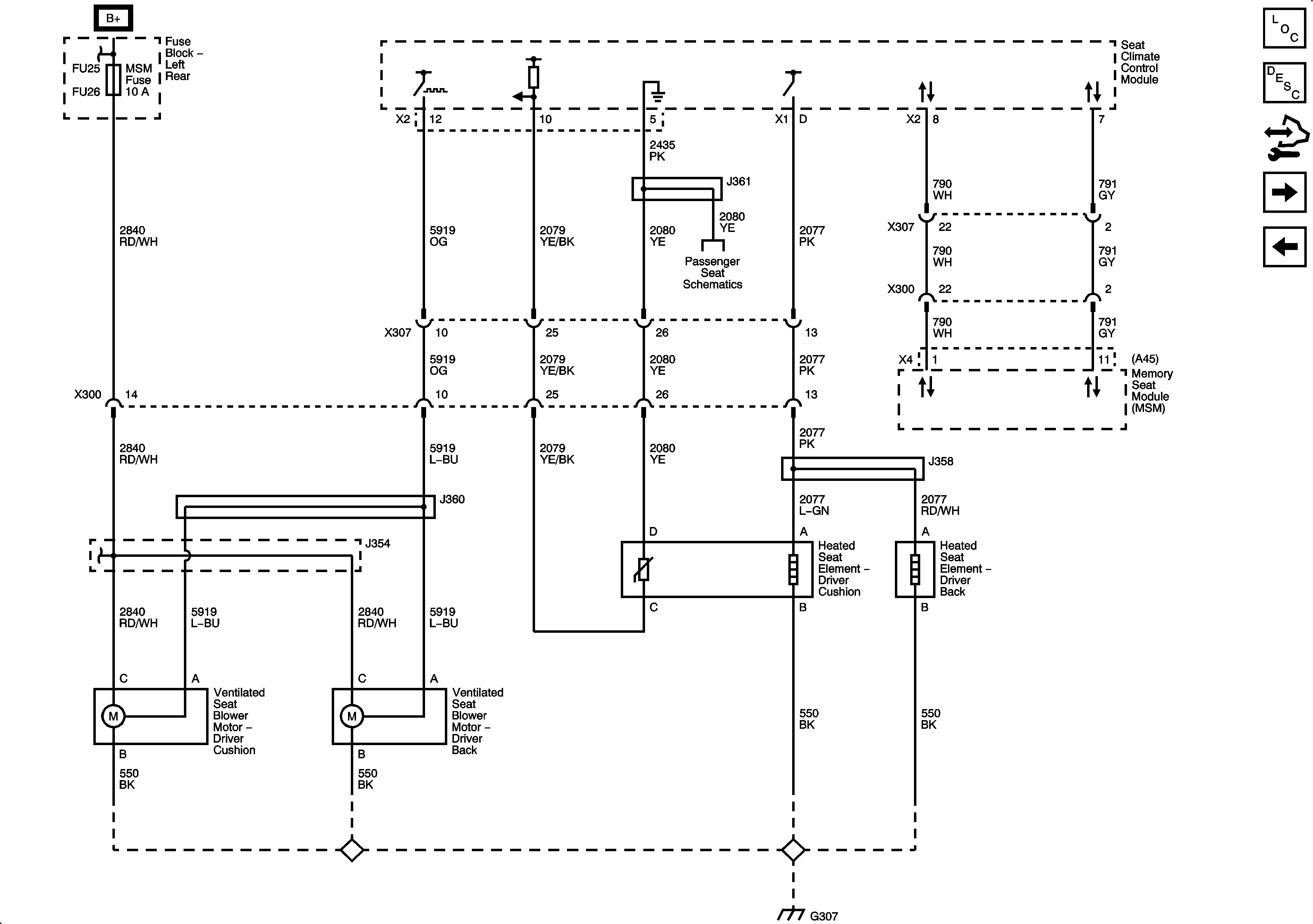
Driver Heated/Cooled Seat
Figure 2:

Driver Heated/Cooled Seat


Object Number: 1904999  Size: FS
Master Electrical Component List
Heated/Vented Seat Description and Operation
Control Module References
Front Passenger Heated Seat
Driver Heated Seat
Figure 3:

Front Passenger Heated Seat


Object Number: 1905002  Size: FS
Master Electrical Component List
Heated/Vented Seat Description and Operation
Control Module References
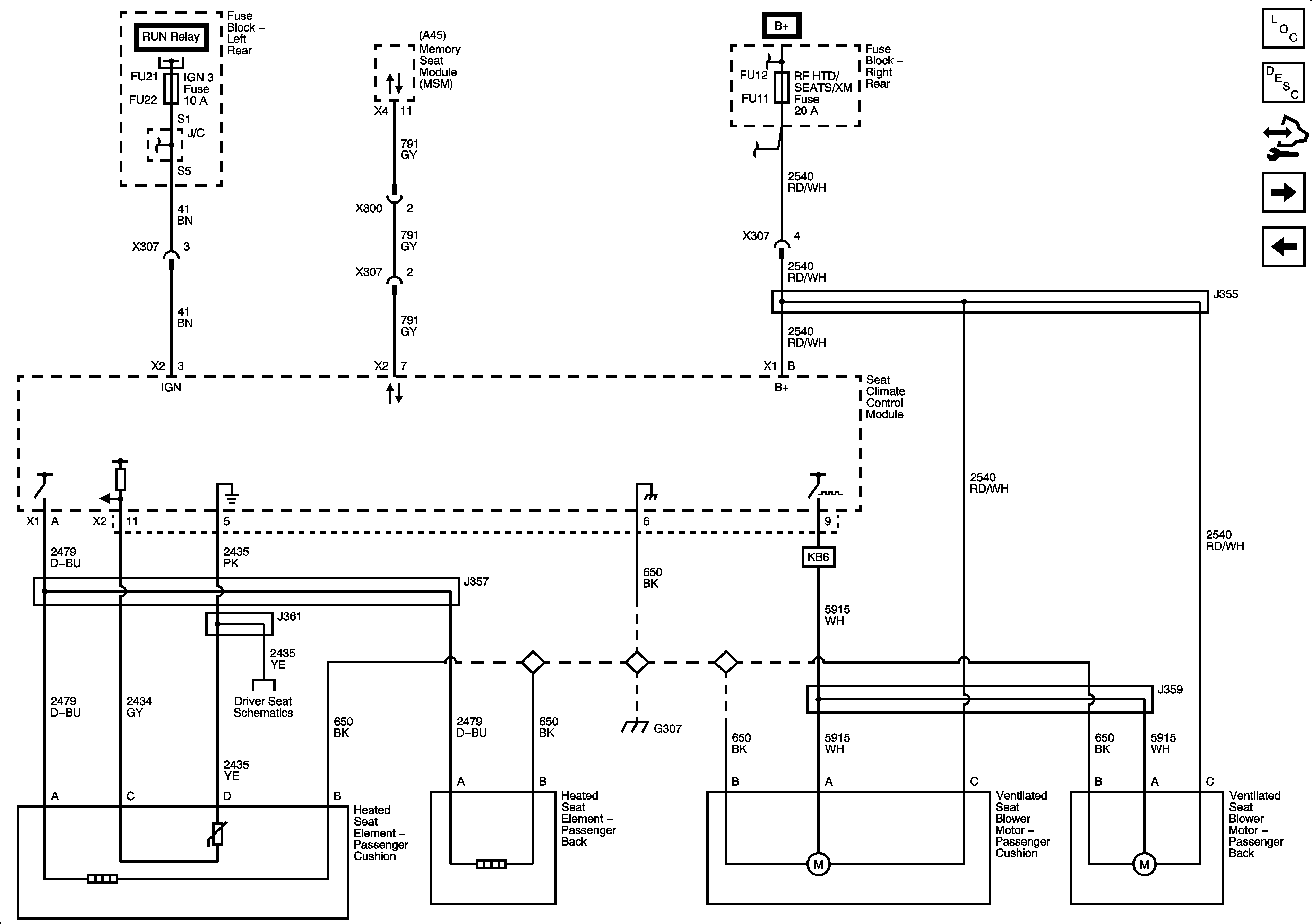
Front Passenger Heated/Cooled Seat
Driver Heated/Cooled Seat
Figure 4:

Front Passenger Heated/Cooled Seat


Object Number: 1905006  Size: FS
Master Electrical Component List
Heated/Vented Seat Description and Operation
Control Module References
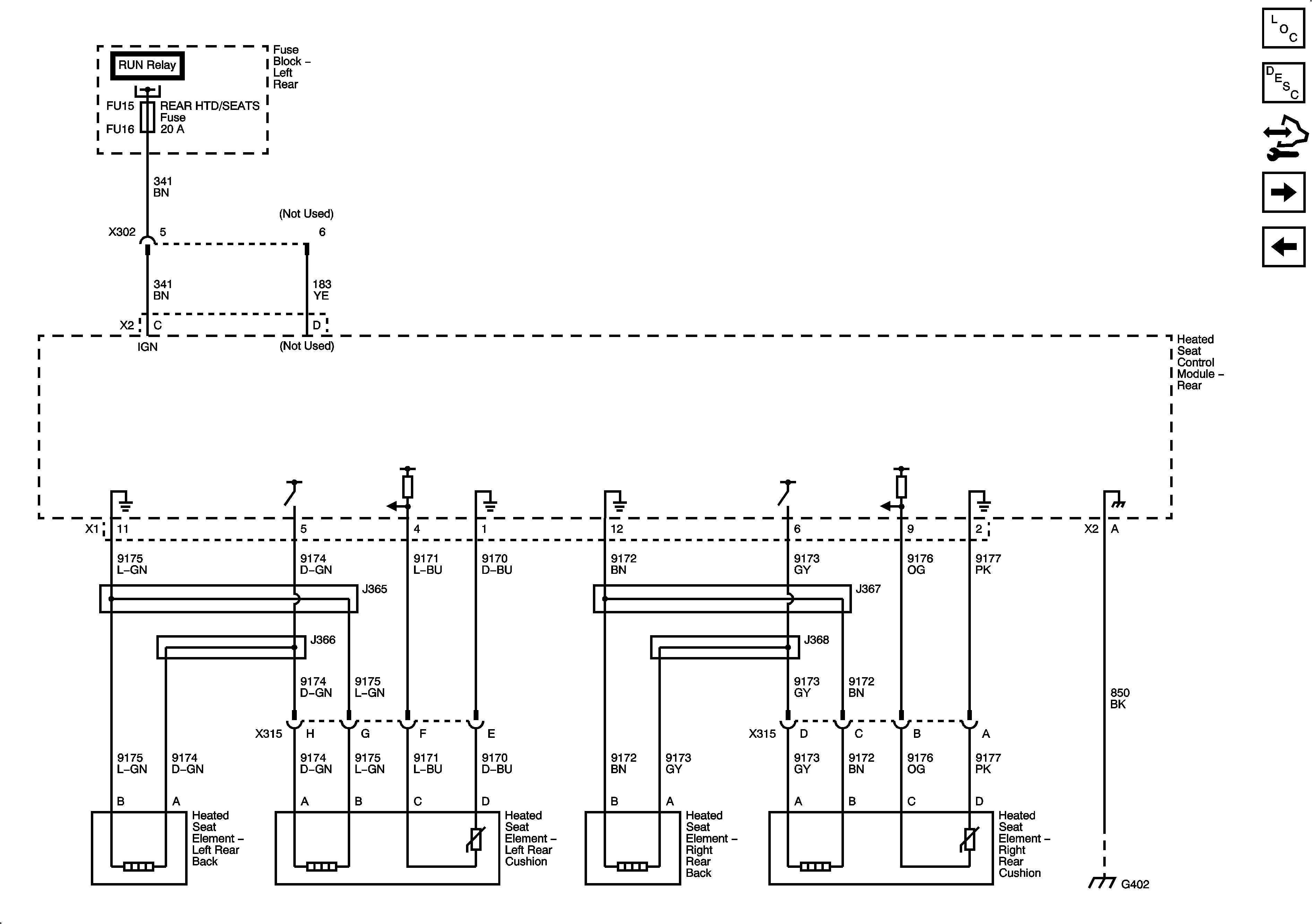
Rear Heated Seat Elelments
Front Passenger Heated Seat
Figure 5:

Rear Heated Seat Elements


Object Number: 1905008  Size: FS
Master Electrical Component List
Rear Heated Seats Description and Operation
Control Module References
Rear Heated Seat Controls
Front Passenger Heated/Cooled Seat
Figure 6:

Rear Heated Seat Controls


Object Number: 1905010  Size: FS
Master Electrical Component List
Rear Heated Seats Description and Operation
Control Module References
Rear Heated Seat Elelments