GM Service Manual Online
For 1990-2009 cars only
Figure 1:

Rear Park Assist


Object Number: 1903023  Size: FS
Master Electrical Component List
Object Detection Description and Operation (RPA)
Control Module References
Side Object Detection
Figure 2:

Side Object Detection


Object Number: 1915180  Size: FS
Master Electrical Component List
Object Detection Description and Operation (SOD)
Control Module References
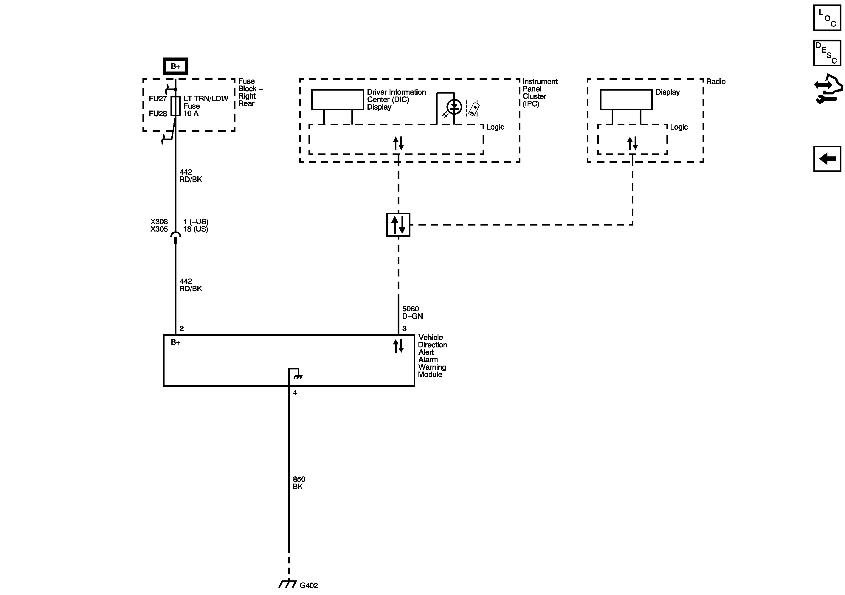
Lane Departure Warning
Rear Park Assist
Figure 3:

Lane Departure Warning


Object Number: 1923128  Size: FS
Master Electrical Component List
Object Detection Description and Operation (VDAAW)
Control Module References
Side Object Detection