GM Service Manual Online
For 1990-2009 cars only
Figure 1:

Garage Door Opener


Object Number: 1903013  Size: FS
Master Electrical Component List
Garage Door Opener Description and Operation
Control Module References
Keyless Entry Module Power, Grounds, Antennas and Switches
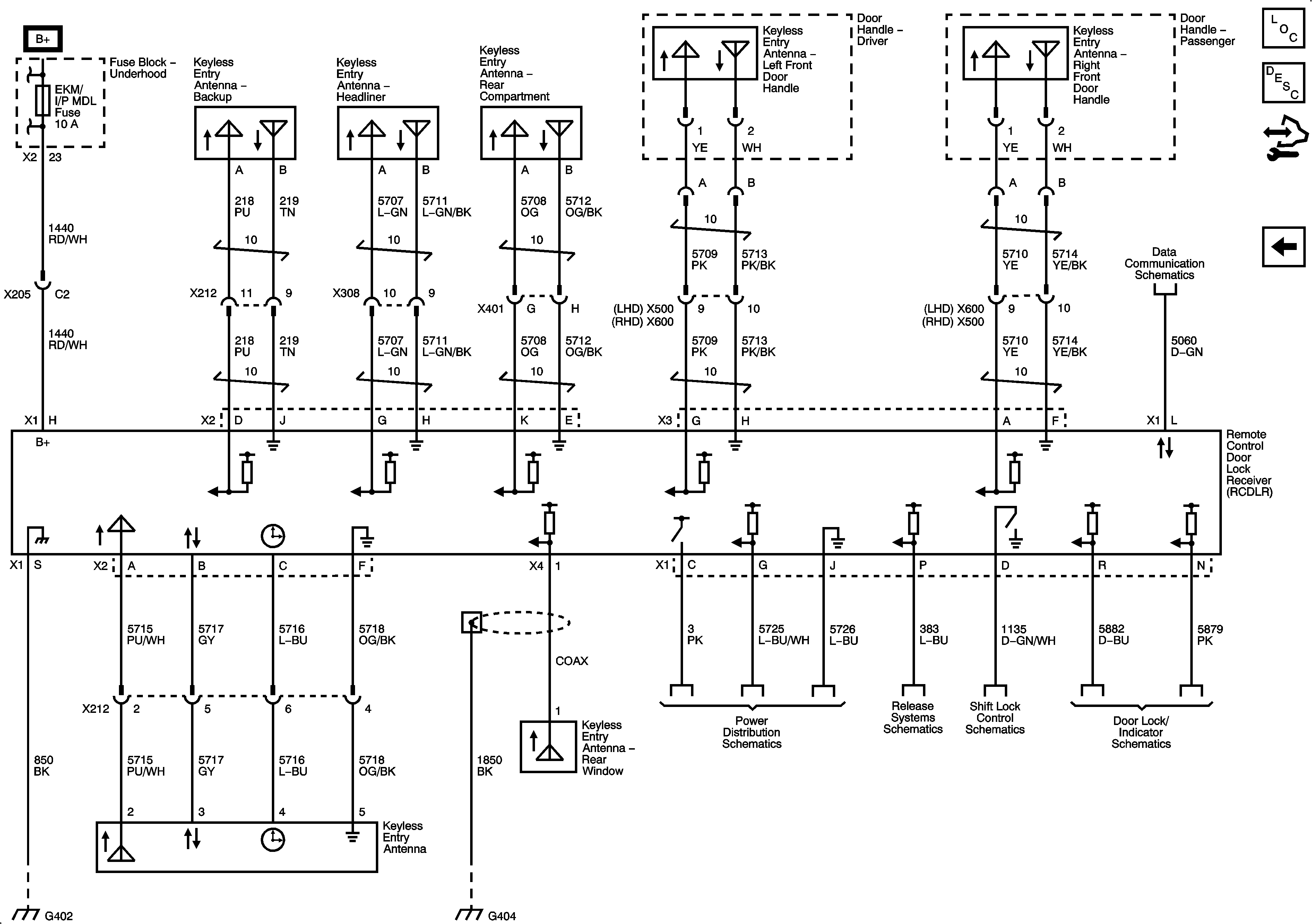
Figure 2:

Keyless Entry Module Power, Grounds, Antennas and Switches


Object Number: 1903016  Size: FS
Master Electrical Component List
Keyless Entry System Description and Operation
Control Module References
Keyless Entry DLC, Instrument Panel Cluster (IPC)
Garage Door Opener
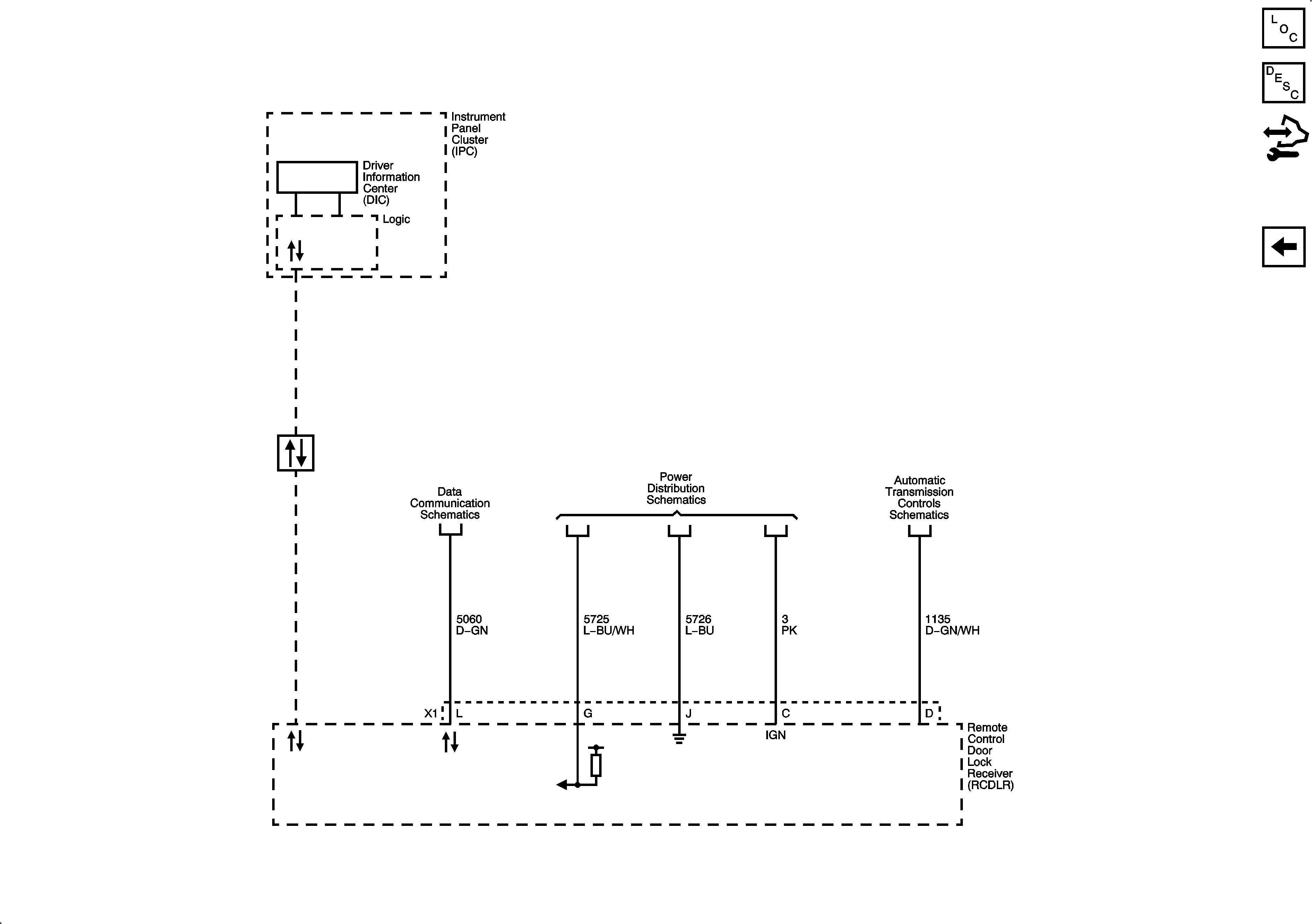
Figure 3:

Keyless Entry DLC, Instrument Panel Cluster (IPC)


Object Number: 1903018  Size: FS
Master Electrical Component List
Keyless Entry System Description and Operation
Control Module References
Keyless Entry Hood Ajar Switch
Keyless Entry Module Power, Grounds, Antennas and Switches