GM Service Manual Online
For 1990-2009 cars only
Makes
🢒
Cadillac
🢒
2008
🢒
STS
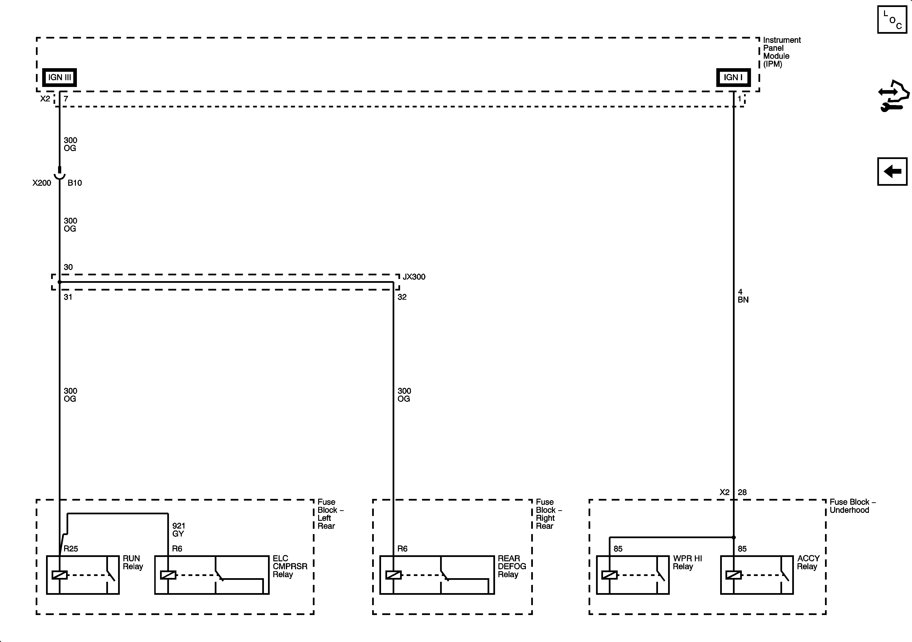
🢒 Power Modes
Power Modes
Power Modes
Master Electrical Component List
Control Module References
Ignition Mode Switch