GM Service Manual Online
For 1990-2009 cars only
Makes
🢒
Cadillac
🢒
2009
🢒
STS
🢒
Diagnostic Navigation
🢒
Vehicle Diagnostic Information
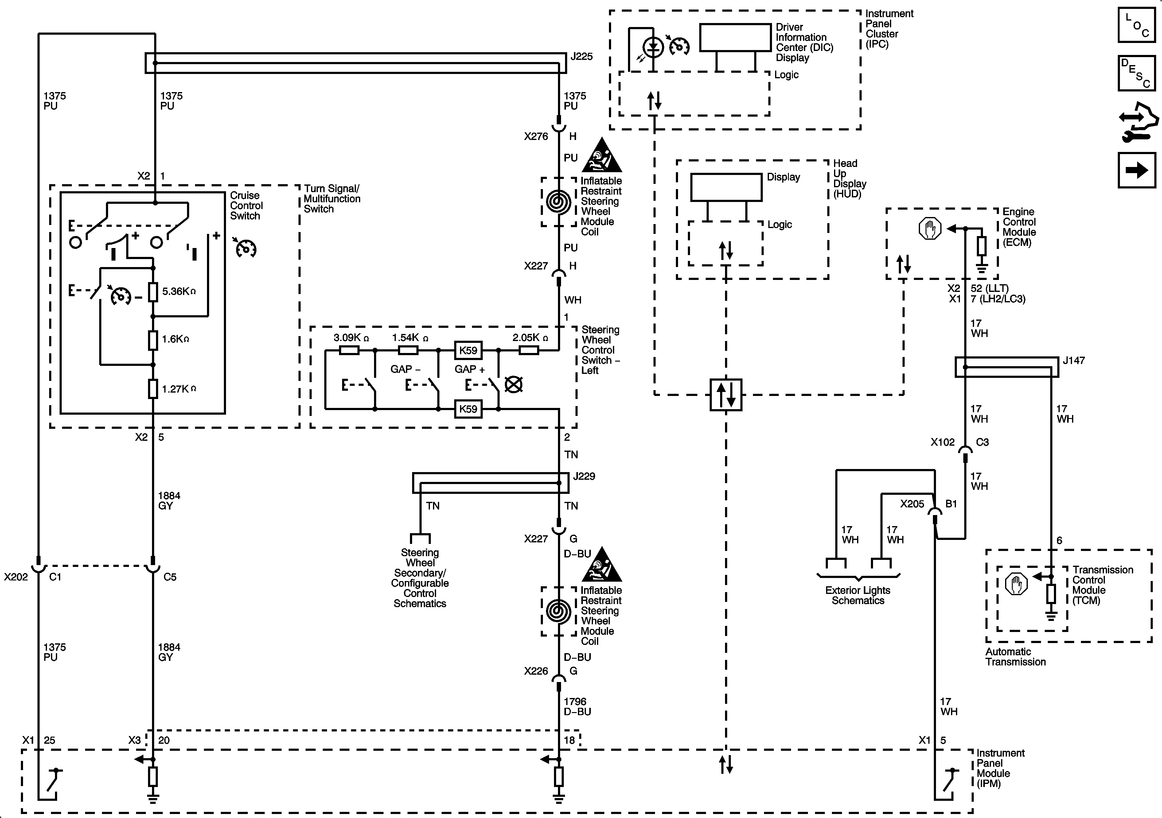
🢒 Cruise Control Schematics
Figure
1:
Cruise Control Switch, Steering Wheel Controls
Master Electrical Component List
Cruise Control Description and Operation (Conventional Cruise Control)
Control Module References
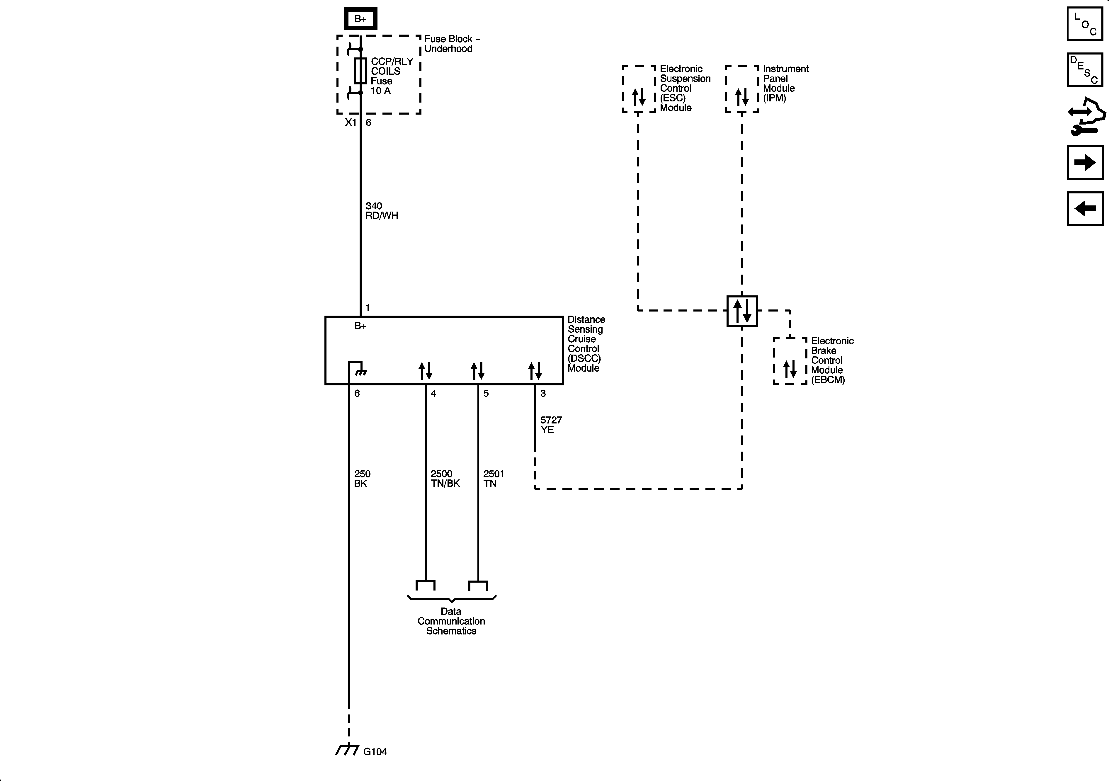
Distance Sensing Cruise Control Module - K59
Figure
2:
Distance Sensing Cruise Control Module - K59
Master Electrical Component List
Cruise Control Description and Operation (Adaptive Cruise Control)
Control Module References
DLC, Brake Pedal Position Sensor
Cruise Control Switch, Steering Wheel Controls
Figure
3:
DLC, Brake Pedal Position Sensor
Master Electrical Component List
Cruise Control Description and Operation (Adaptive Cruise Control)
Control Module References
Distance Sensing Cruise Control Module - K59