| Figure 1: |
Radio Power, Ground, DLC and Audio Communications
|
| Figure 2: |
Speakers (UX8)
|
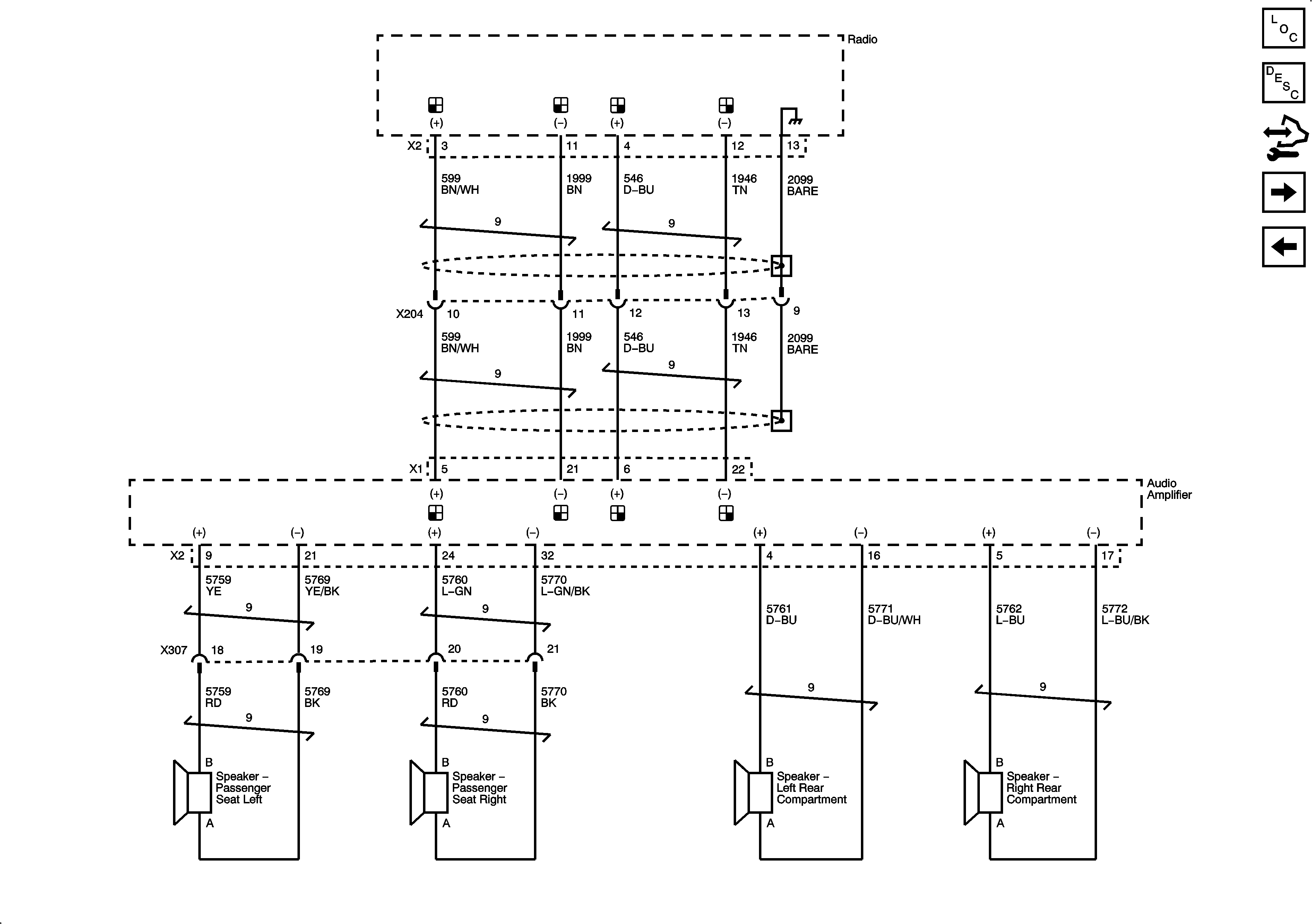
| Figure 3: |
Speakers (UY5) 1 of 3
|
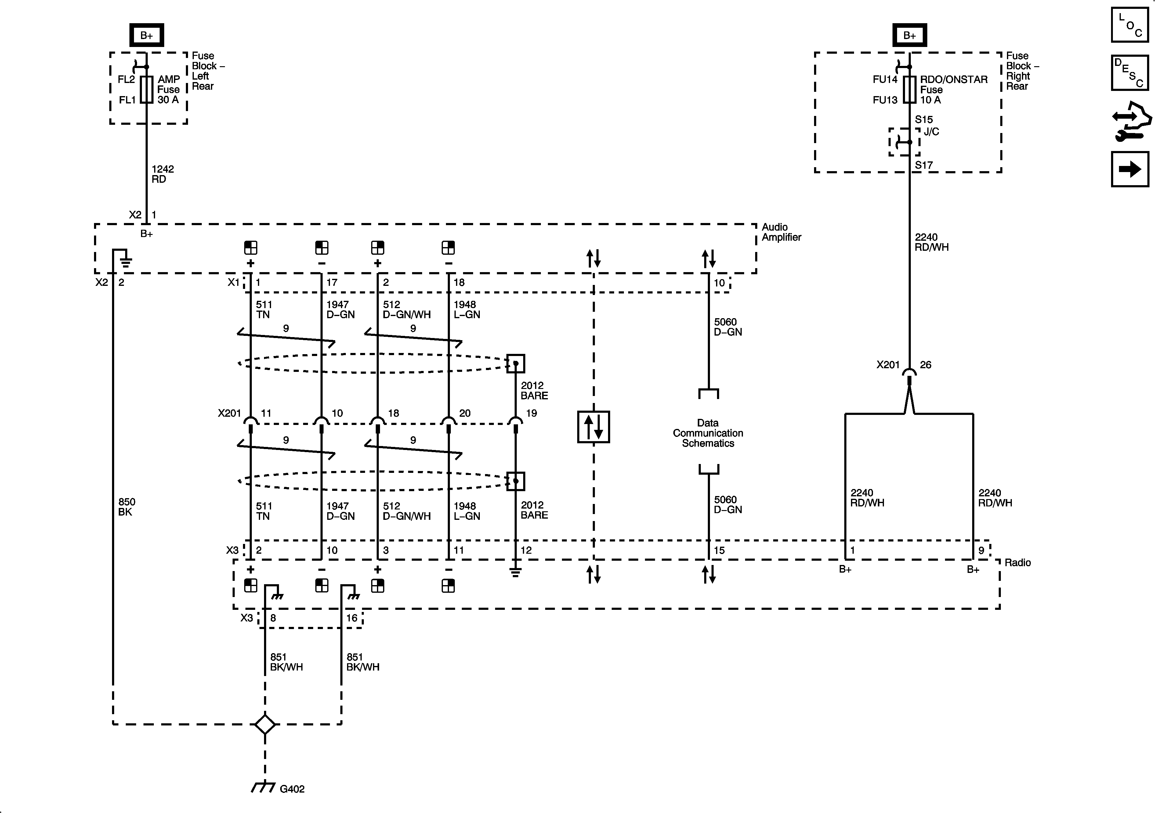
| Figure 4: |
Speakers (UY5) 2 of 3
|
| Figure 5: |
Speakers (UY5) 3 of 3
|
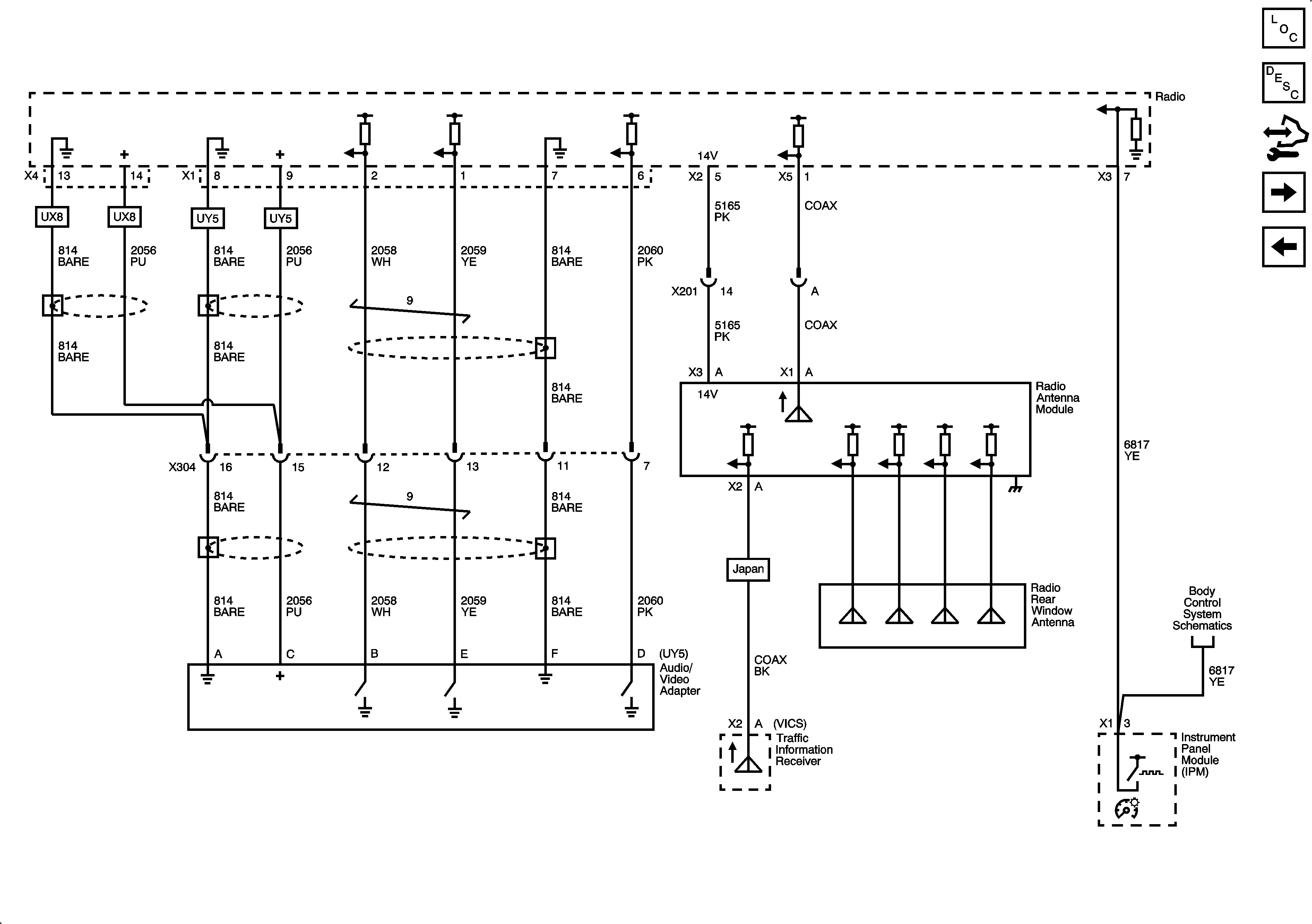
| Figure 6: |
Radio Antennas, Audio/Video Adapter
|
| Figure 7: |
Digital Radio Receiver (U2K)
|
| Figure 8: |
Traffic Information Receiver Module (VICS) - Japan Only
|
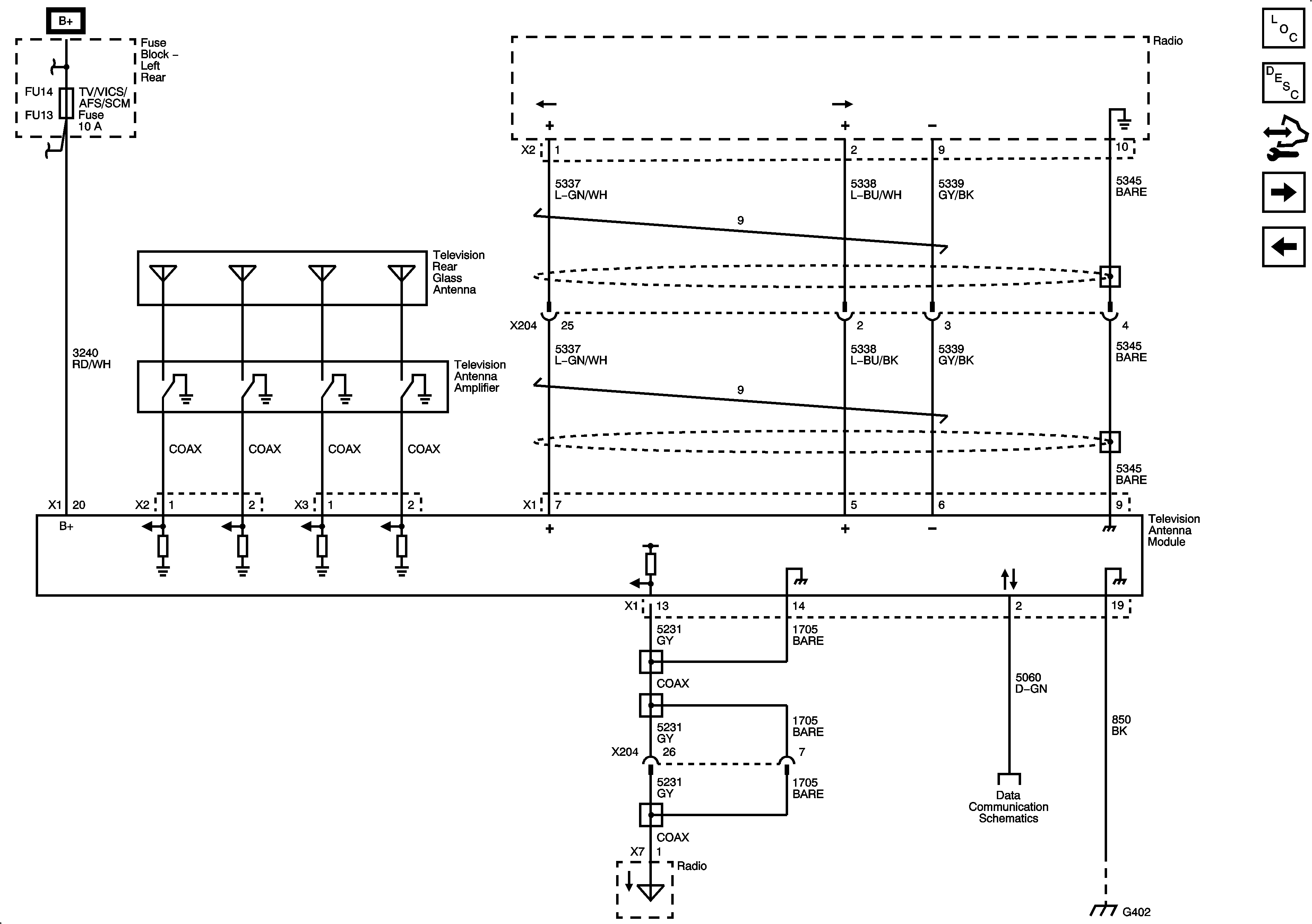
| Figure 9: |
TV Tuner (YQ6 or YQ7)
|
| Figure 10: |
Microphone, VSS and GPS Antenna
|