GM Service Manual Online
For 1990-2009 cars only
Figure 1:

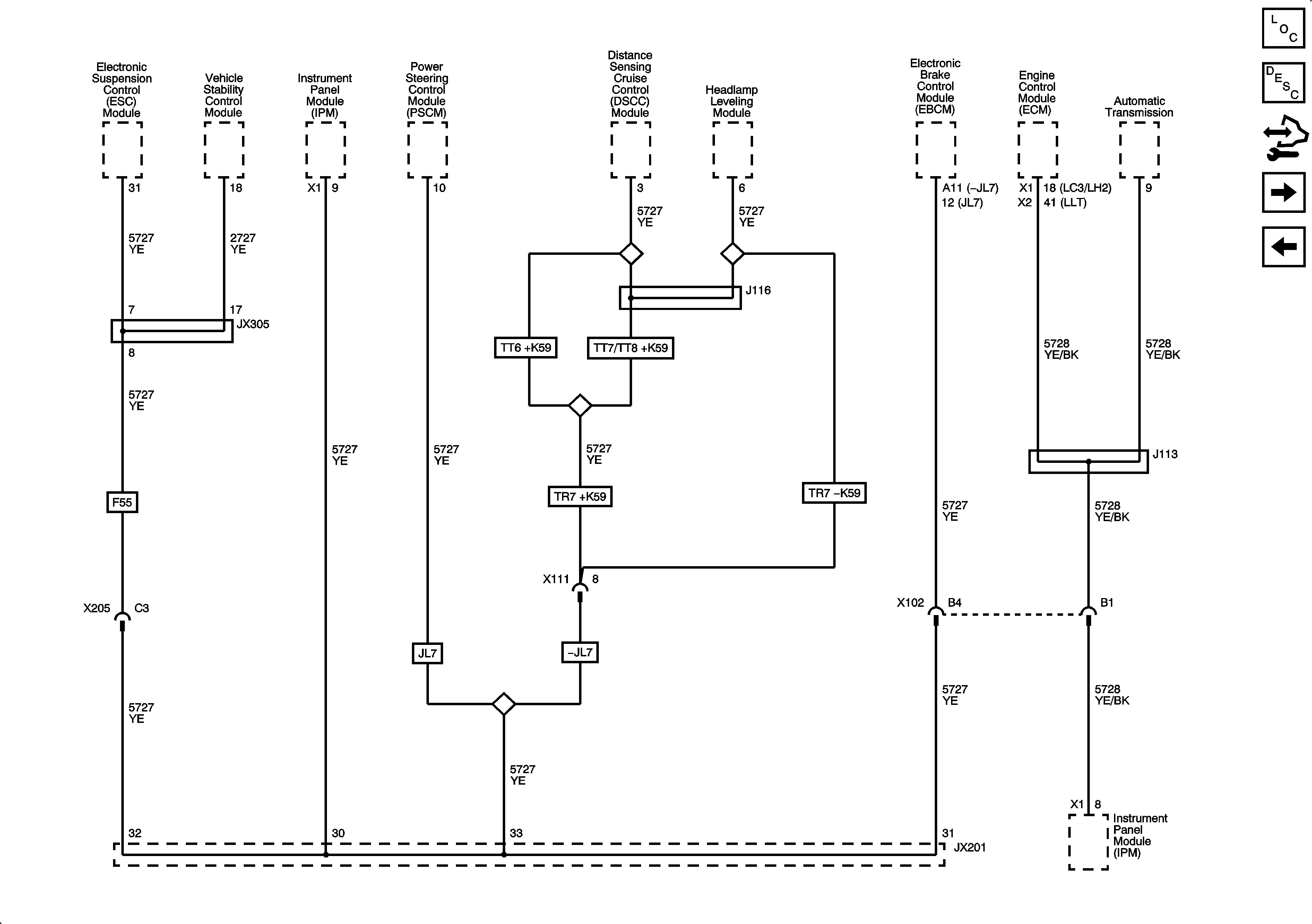
Power, Ground, and Low Speed GMLAN Serial Data


Object Number: 2063586  Size: FS
Master Electrical Component List
Data Link Communications Description and Operation
Control Module References
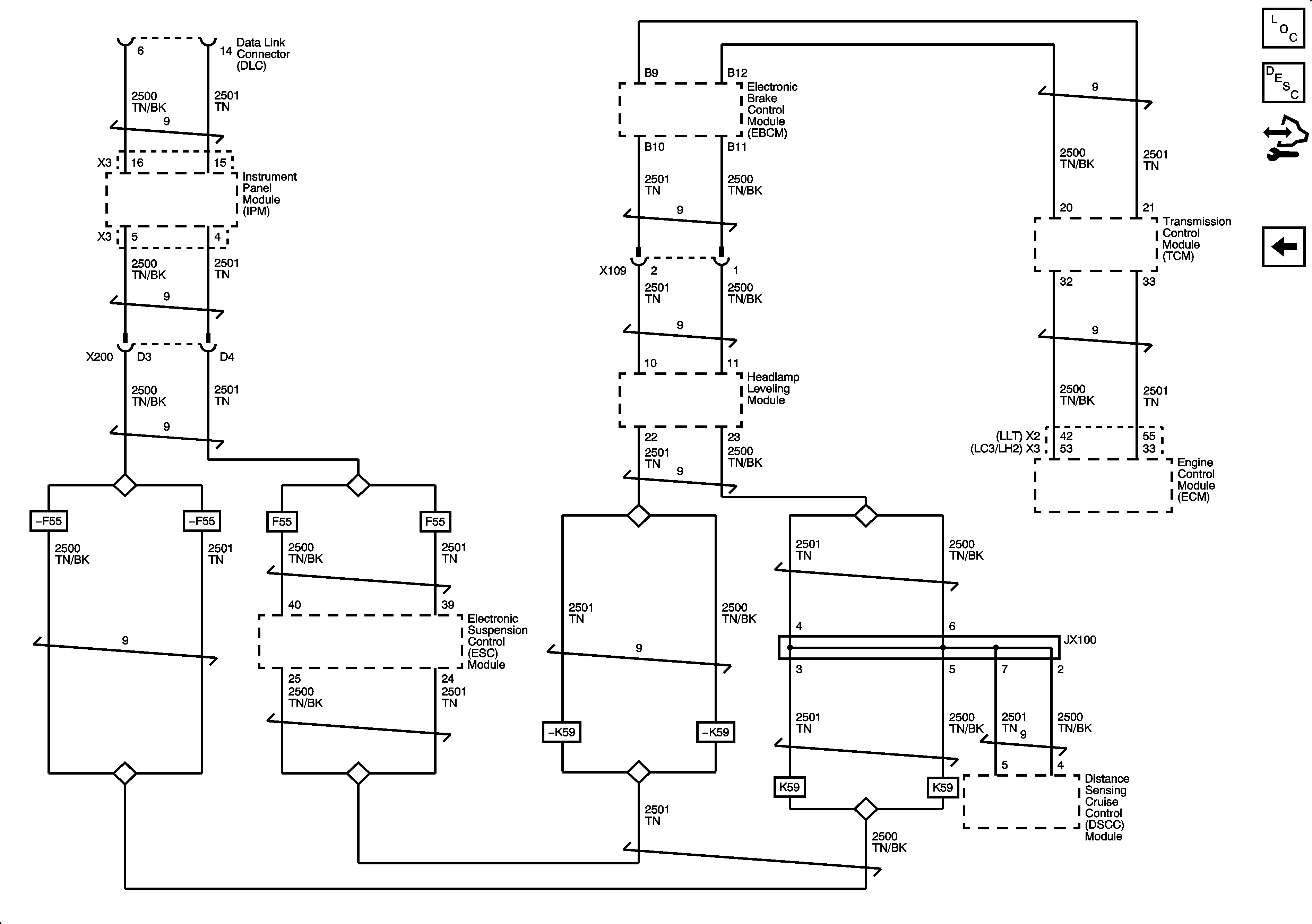
GMLAN - High Speed Serial Data Wake Up
Figure 2:

GMLAN - High Speed Serial Data Wake Up


Object Number: 2063585  Size: FS
Master Electrical Component List
Data Link Communications Description and Operation
Control Module References
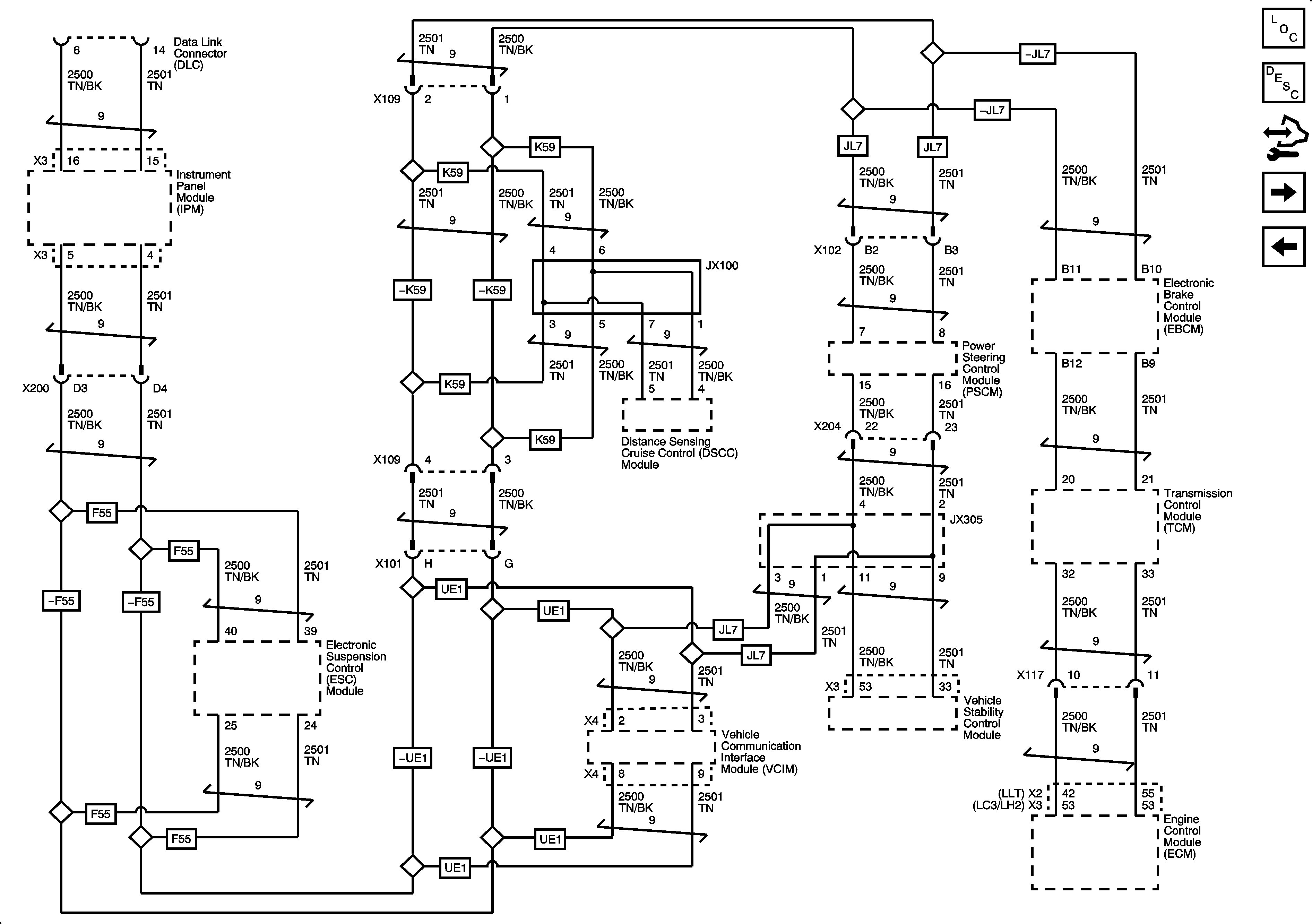
GMLAN High Speed Serial Data (LH2 with LHD)
Power, Ground, and Low Speed GMLAN Serial Data
Figure 3:

GMLAN High Speed Serial Data (LH2 with LHD)


Object Number: 2063554  Size: FS
Master Electrical Component List
Data Link Communications Description and Operation
Control Module References
GMLAN High Speed Serial Data (LC3 or LLT or LH2 with RHD)
GMLAN - High Speed Serial Data Wake Up
Figure 4:

GMLAN High Speed Serial Data (LC3 or LLT or LH2 with RHD)


Object Number: 2063559  Size: FS
Master Electrical Component List
Data Link Communications Description and Operation
Control Module References
GMLAN High Speed Serial Data (LH2 with LHD)