GM Service Manual Online
For 1990-2009 cars only
Makes
🢒
Cadillac
🢒
2009
🢒
STS
🢒
Diagnostic Navigation
🢒
Vehicle Diagnostic Information
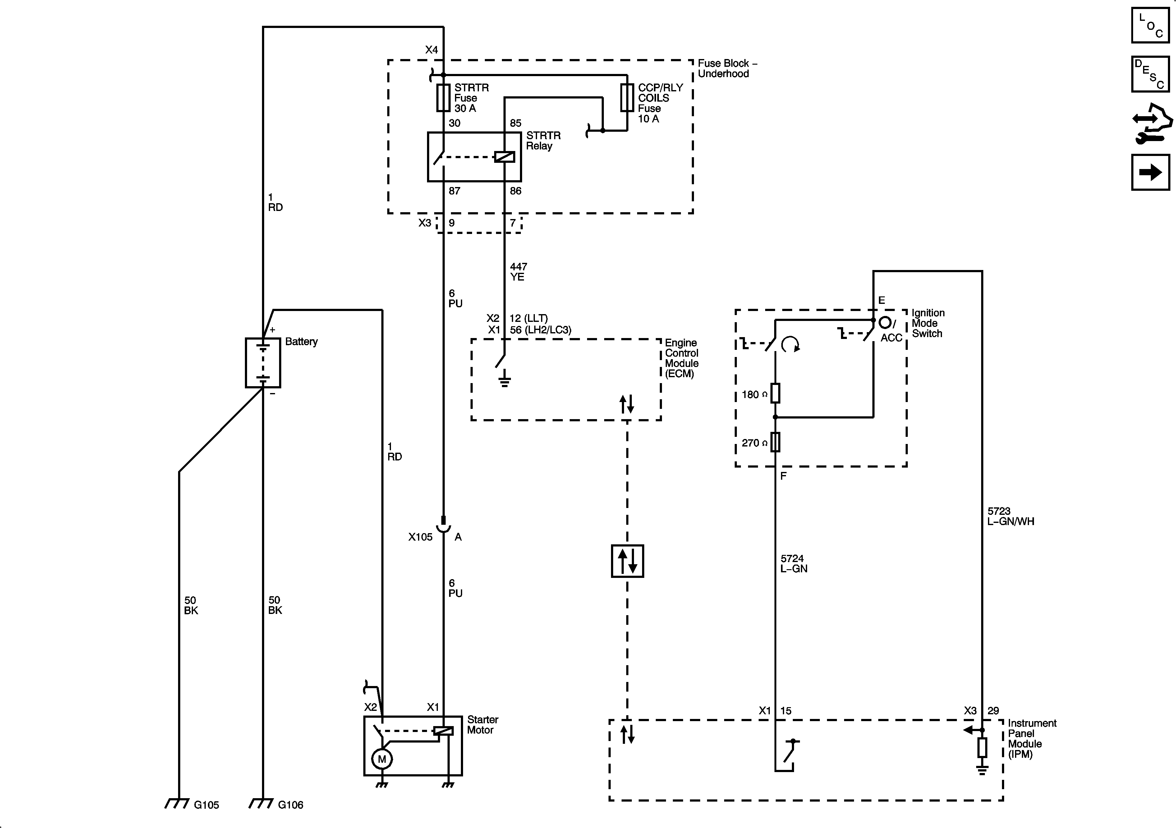
🢒 Starting and Charging Schematics
Figure
1:
Starting System
Master Electrical Component List
Starting System Description and Operation
Control Module References
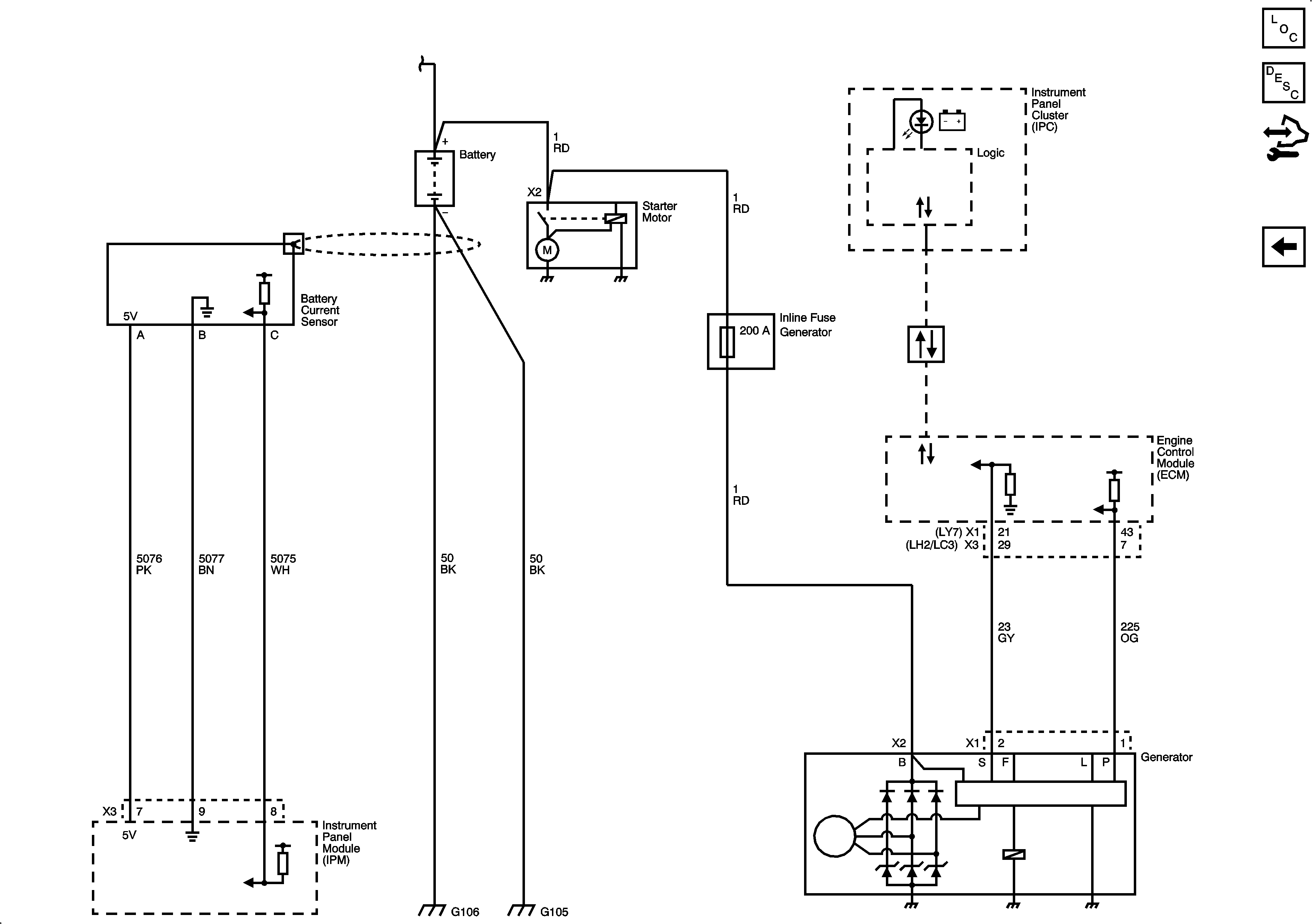
Charging System
Figure
2:
Charging System
Master Electrical Component List
Charging System Description and Operation
Control Module References
Hood Ajar Switch
Starting System