GM Service Manual Online
For 1990-2009 cars only
Makes
🢒
Cadillac
🢒
2009
🢒
STS
🢒
Suspension
🢒
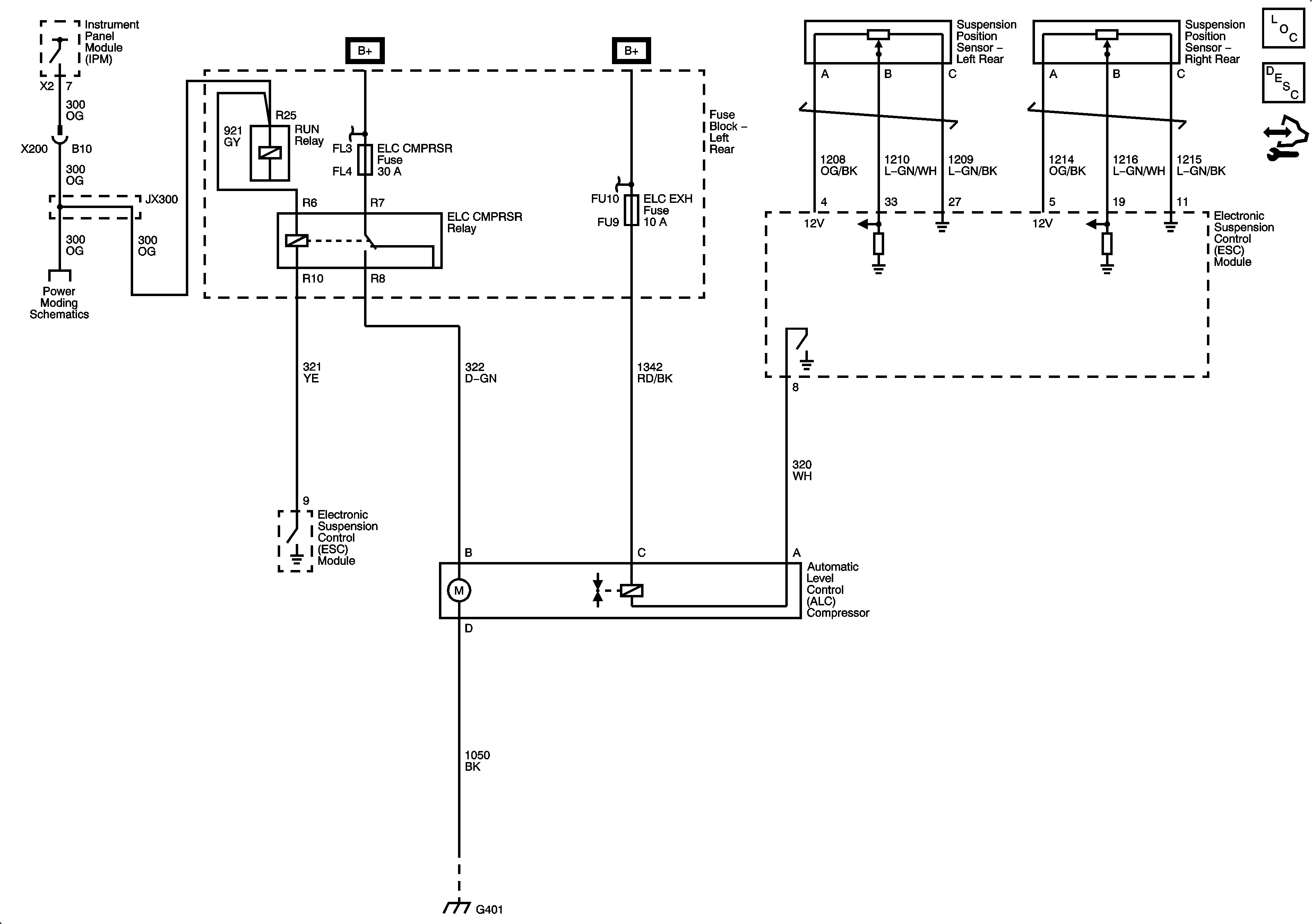
Automatic Level Control
🢒 Automatic Level Control Schematics