GM Service Manual Online
For 1990-2009 cars only
Figure 1:

Headlamp Switch, Ambient Light Sensor, DLC


Object Number: 2063803  Size: FS
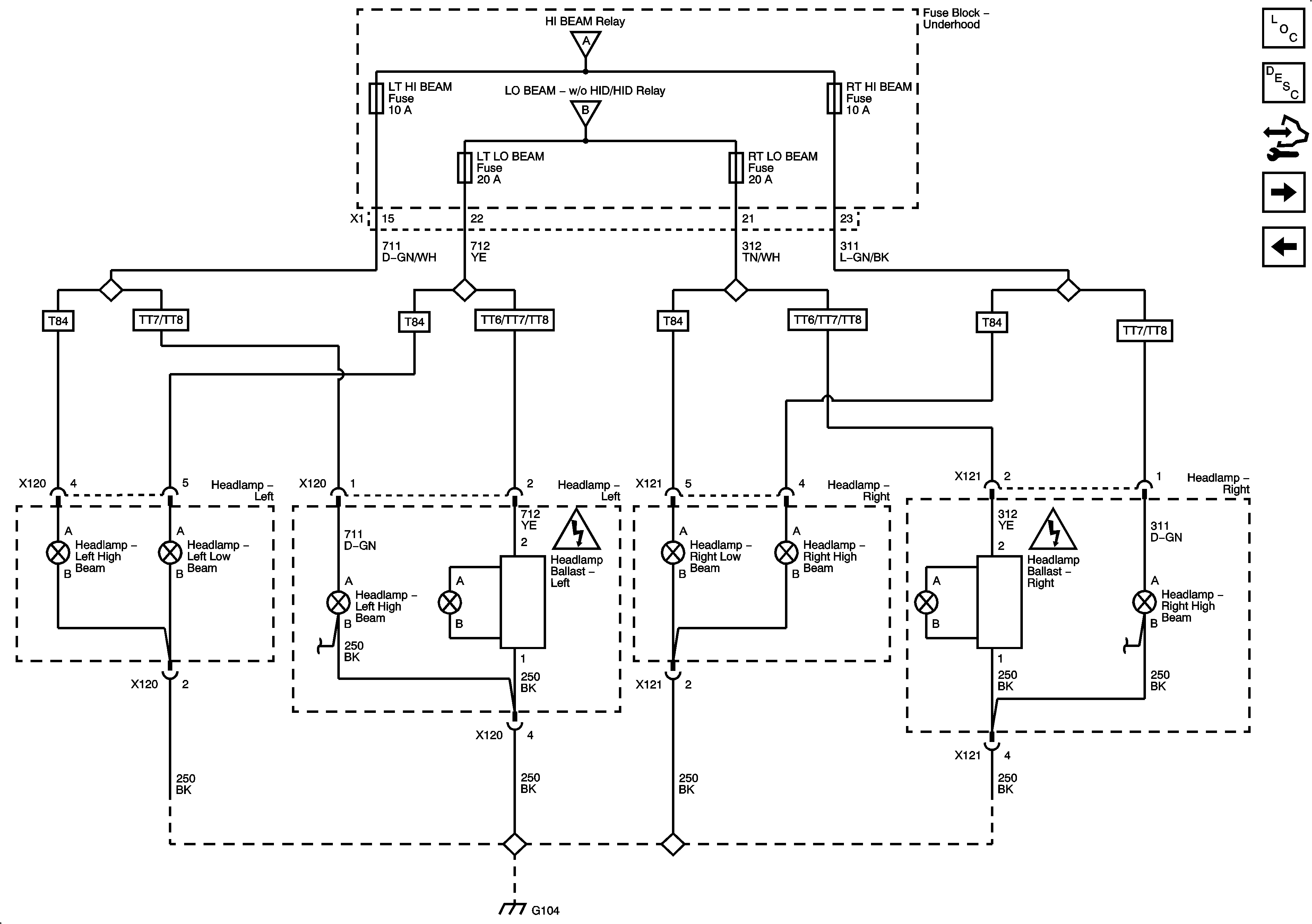
Figure 2:

Headlamps


Object Number: 2063806  Size: FS
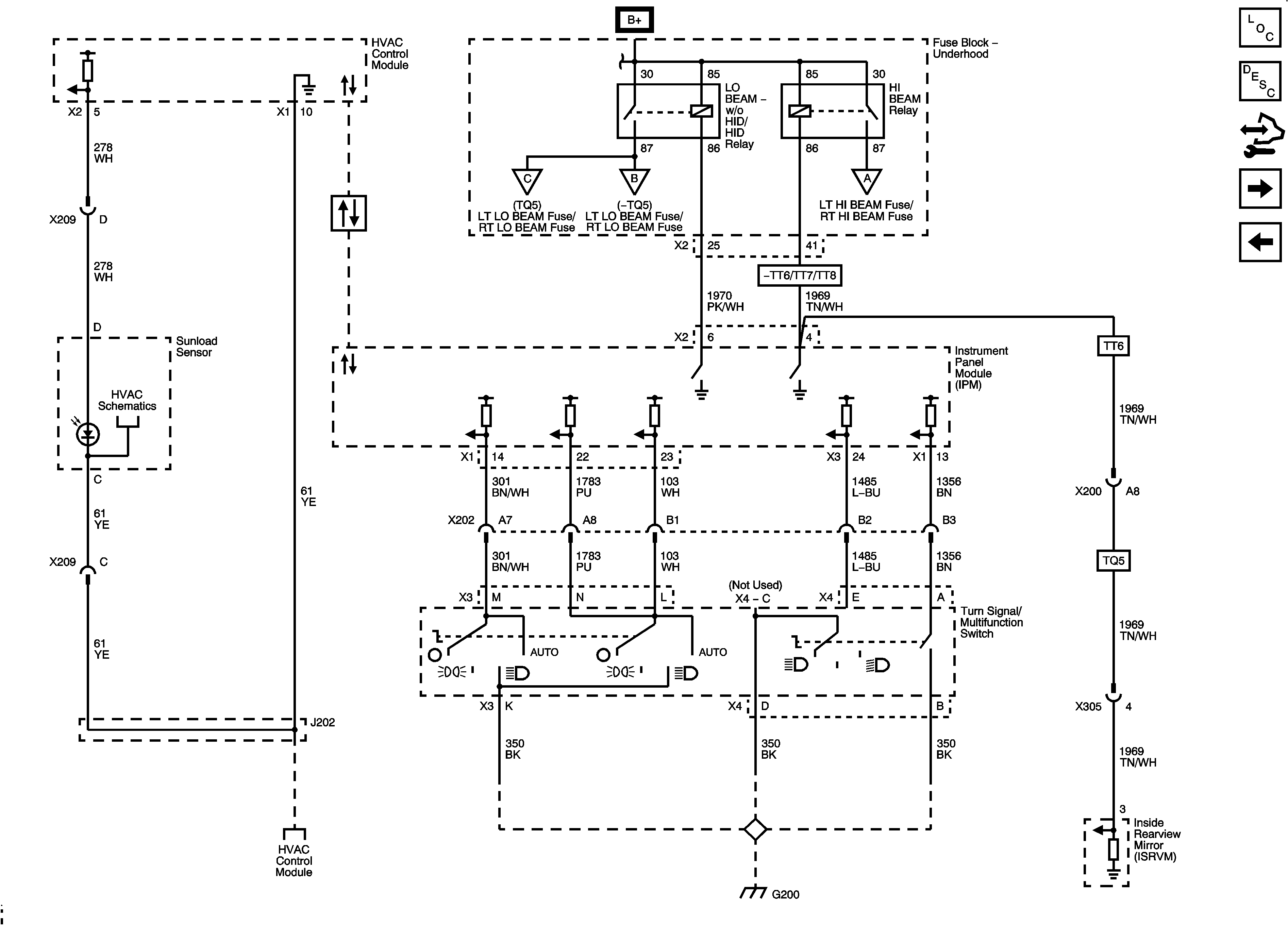
Figure 3:

Automatic Headlamp Dimming (TQ5)


Object Number: 2063809  Size: FS
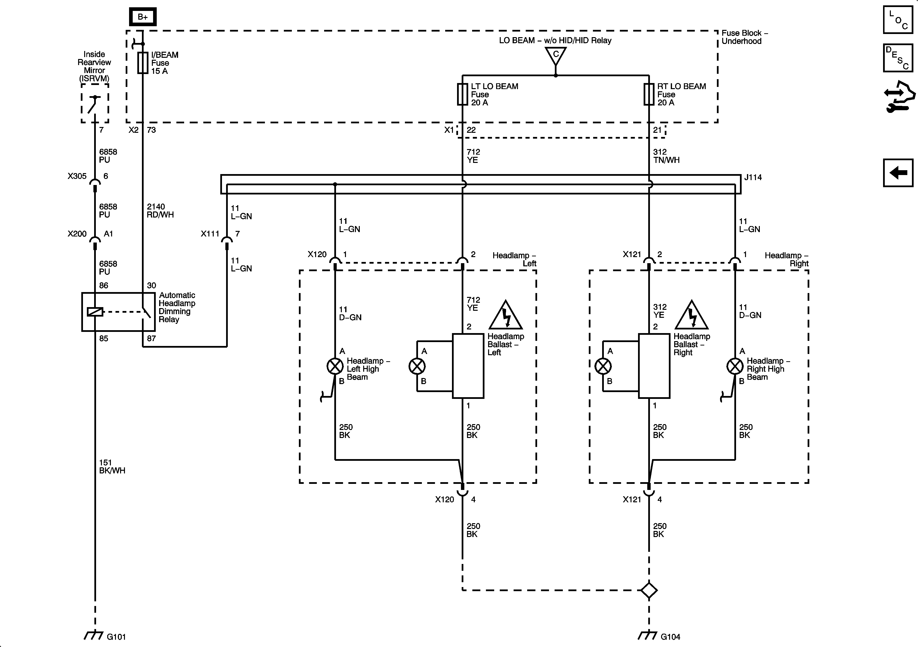
Figure 4:

Daytime Running Lights


Object Number: 2063830  Size: FS