GM Service Manual Online
For 1990-2009 cars only
Makes
🢒
Cadillac
🢒
2009
🢒
STS
🢒
Body Systems
🢒
Lighting
🢒 Exterior Lights Schematics
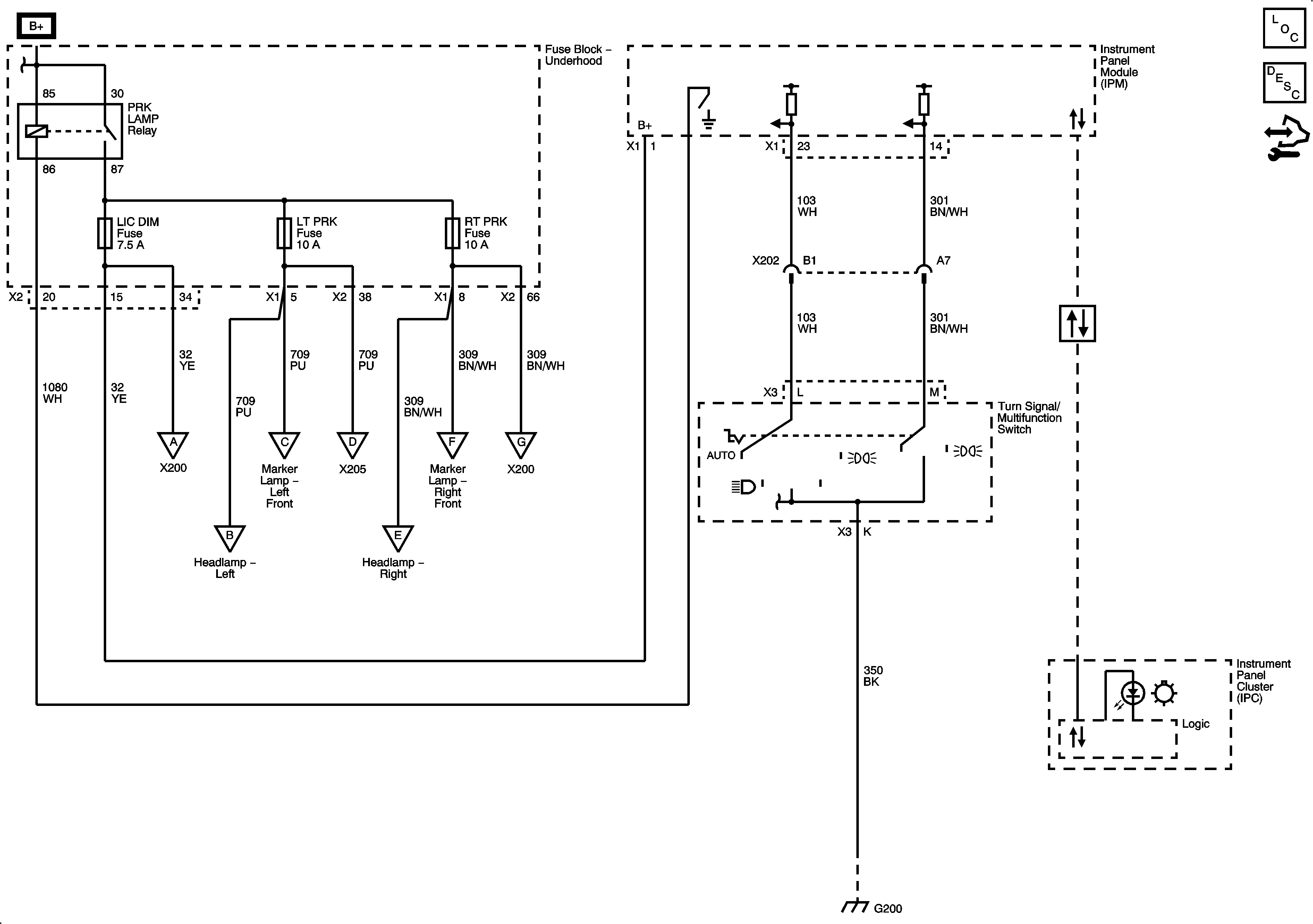
Figure
1:
Park Lamp Relay, Switch, and Instrument Cluster (North America)
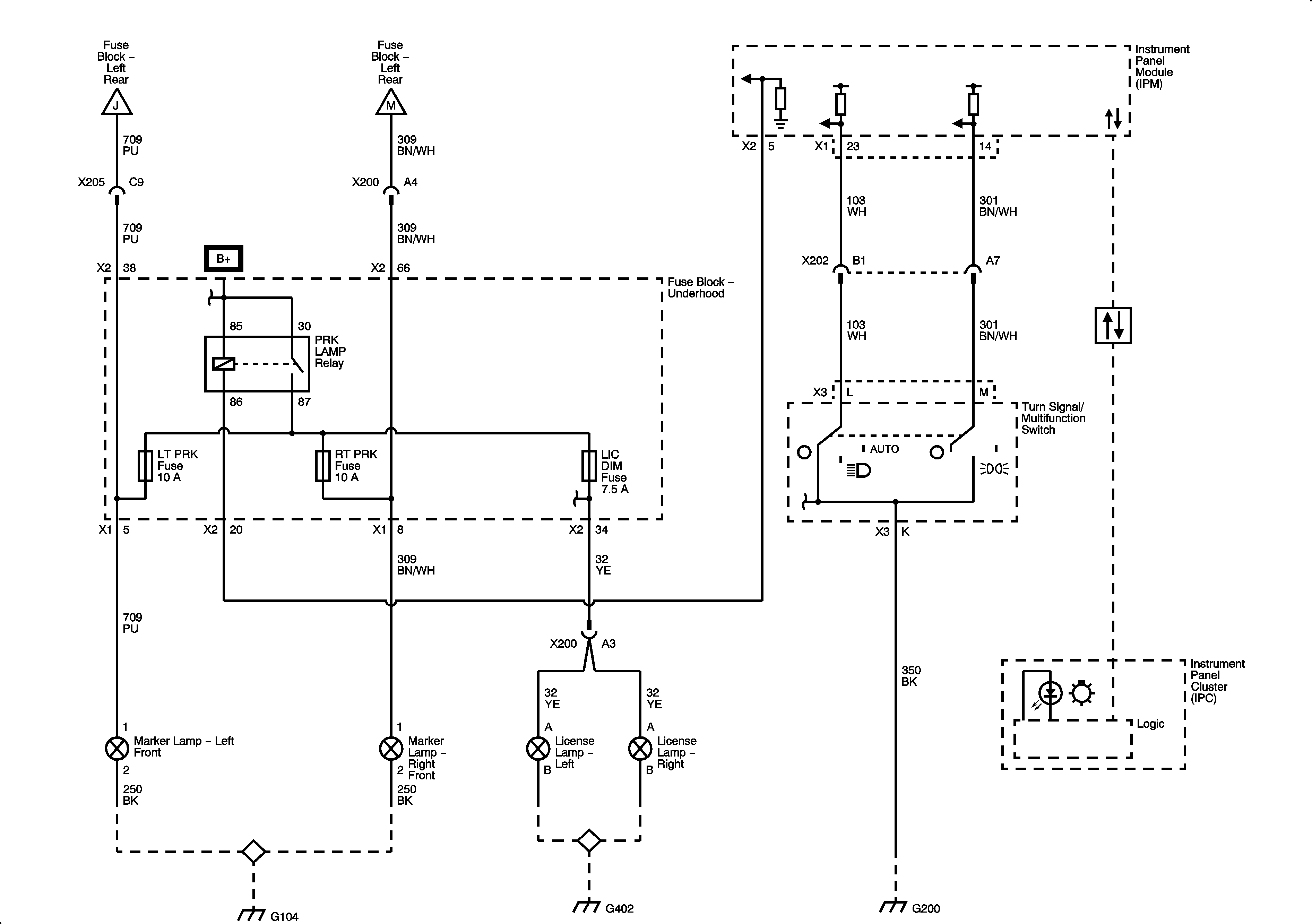
Figure
2:
License, Park, and Side Marker Lamps (North America)
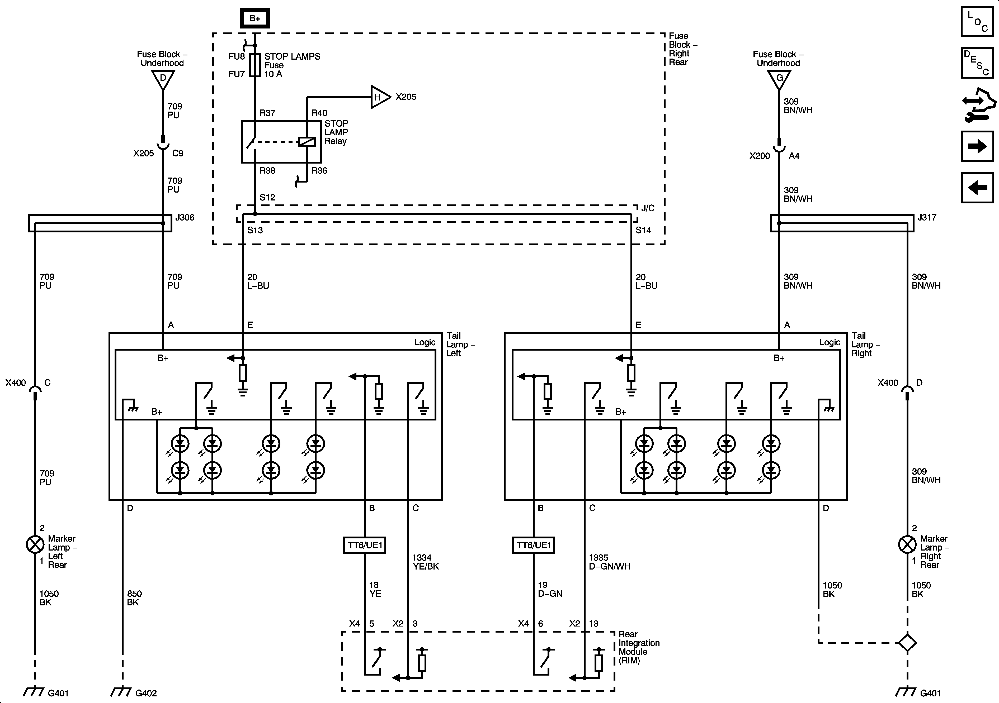
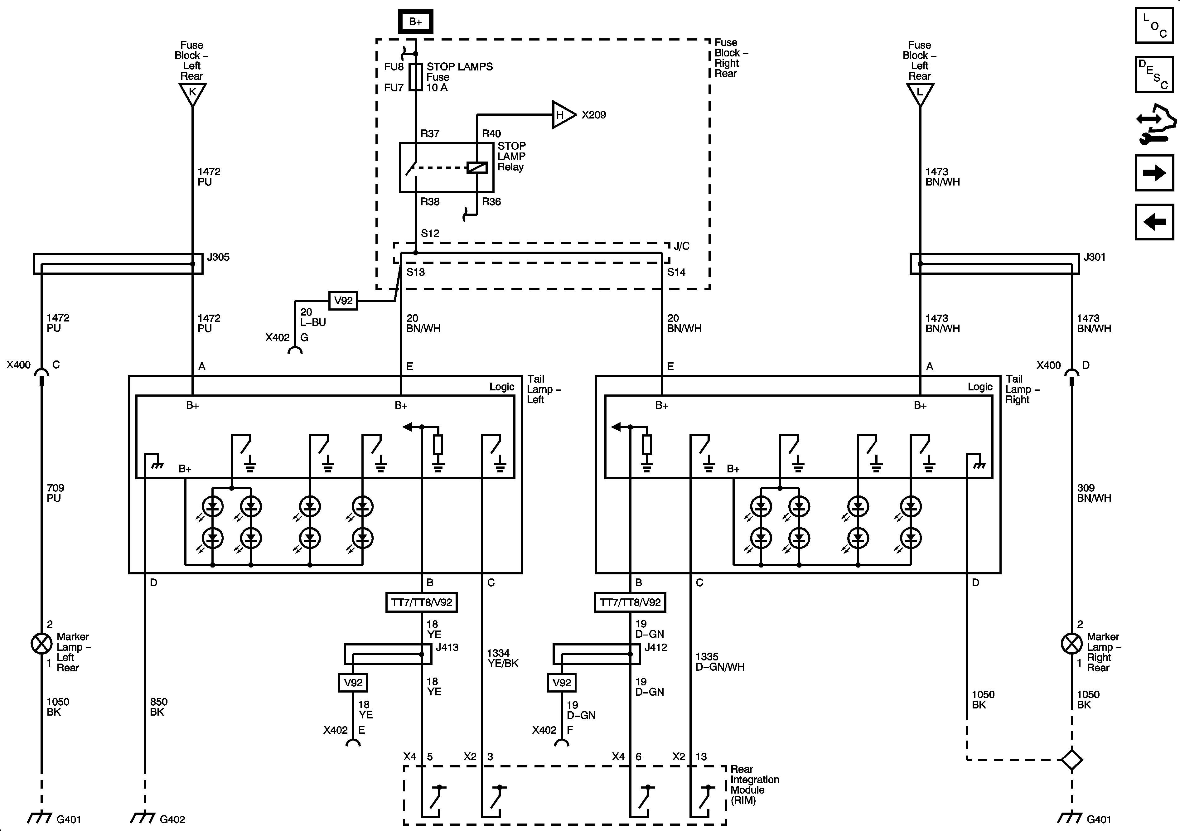
Figure
3:
Tail Lamps (North America)
Figure
4:
Backup Lamps, CHMSL
Figure
5:
Front Turn Signal and Repeater Lamps, Hazard Switch
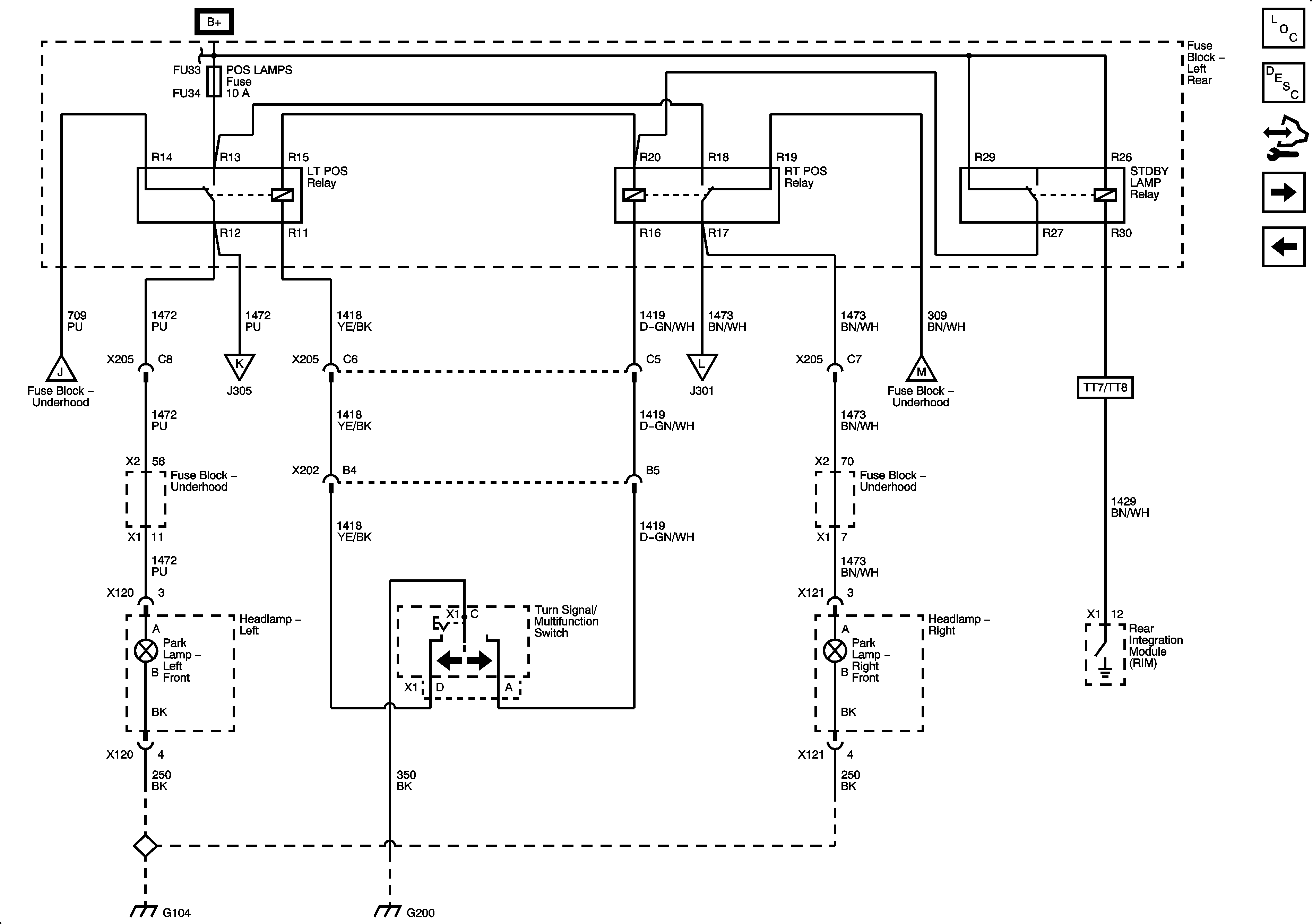
Figure
6:
Front Park Lamps, LT, RT Position and Standby Lamp Relays (except North America)
Figure
7:
Tail Lamps (except North America)
Figure
8:
Park Lamp Relay, Switch and Instrument Cluster (except North America)
Figure
9:
Front Turn Signal Switch Signals, Brake Pedal Position Sensor