GM Service Manual Online
For 1990-2009 cars only
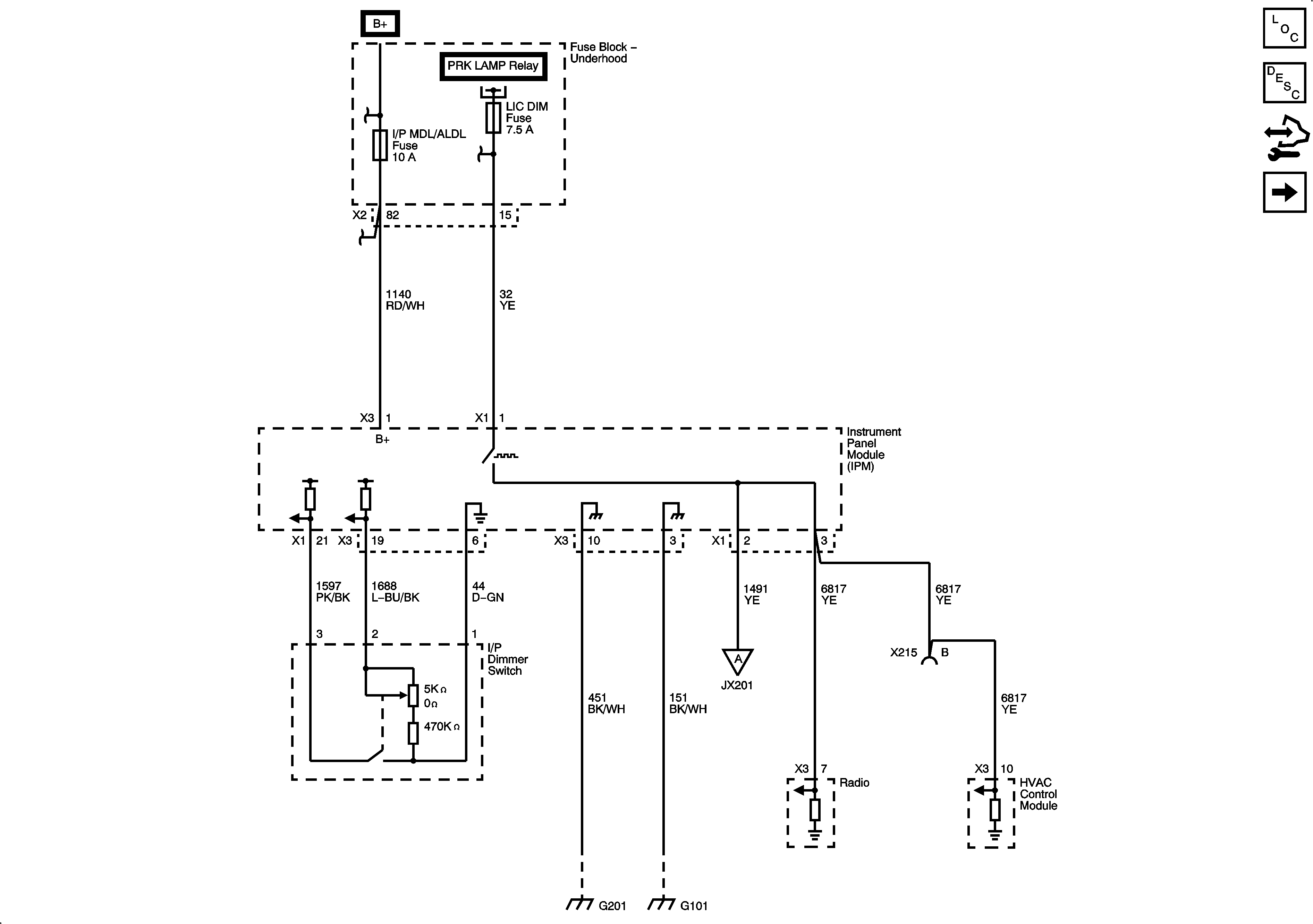
Figure 1:

Power, DLC and DIC/Dimmer Switch


Object Number: 2063550  Size: FS
Figure 2:

I/P and Steering Wheel


Object Number: 2063555  Size: FS
Figure 3:

Console and Rear Doors


Object Number: 2063561  Size: FS
Figure 4:

Front Doors


Object Number: 2063563  Size: FS