GM Service Manual Online
For 1990-2009 cars only

Antilock Brake System Schematics JL7

Figure 1:

Steering Angle and Acceleration Sensors


Object Number: 2064041  Size: FS
Master Electrical Component List
ABS Description and Operation
Control Module References
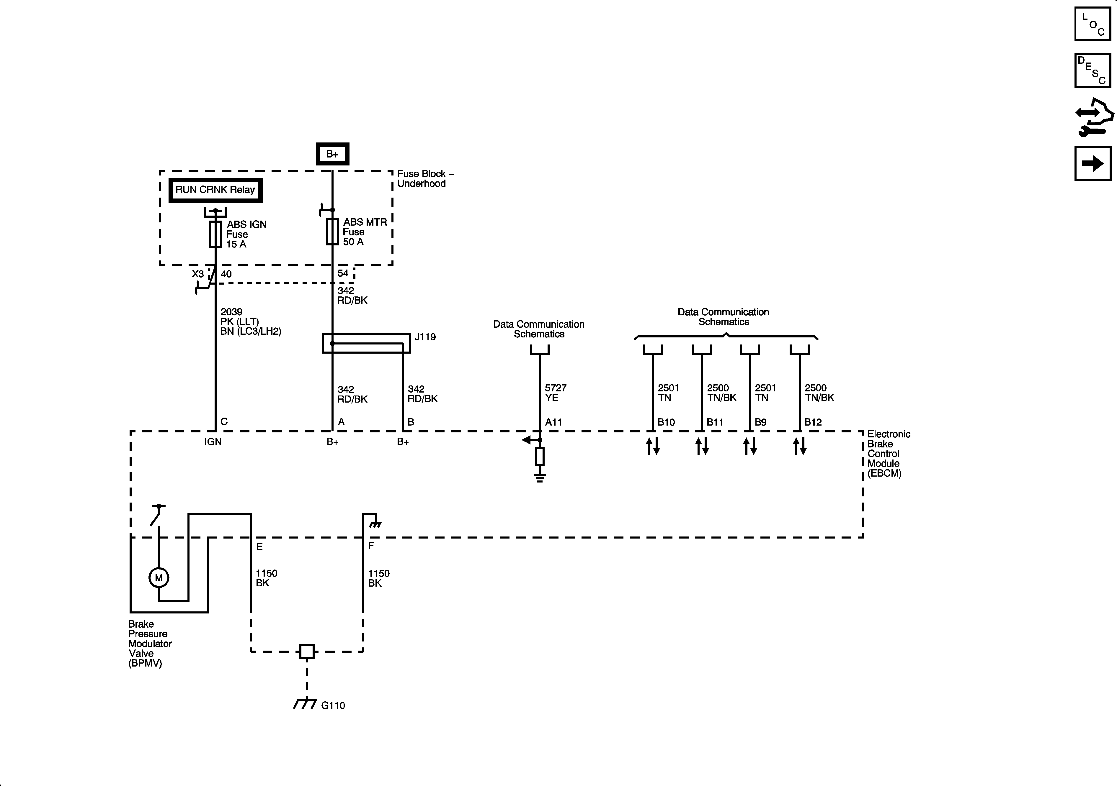
EBCM Power, Ground, and DLC
Figure 2:

EBCM Power, Ground, and DLC


Object Number: 2064044  Size: FS
Master Electrical Component List
ABS Description and Operation
Control Module References
Wheel Speed Sensors
Steering Angle and Acceleration Sensors
Figure 3:

Wheel Speed Sensors


Object Number: 2064045  Size: FS
Master Electrical Component List
ABS Description and Operation
Control Module References
Traction Control
EBCM Power, Ground , and DLC
Figure 4:

Traction Control


Object Number: 2064048  Size: FS
Master Electrical Component List
ABS Description and Operation
Control Module References
Wheel Speed Sensors

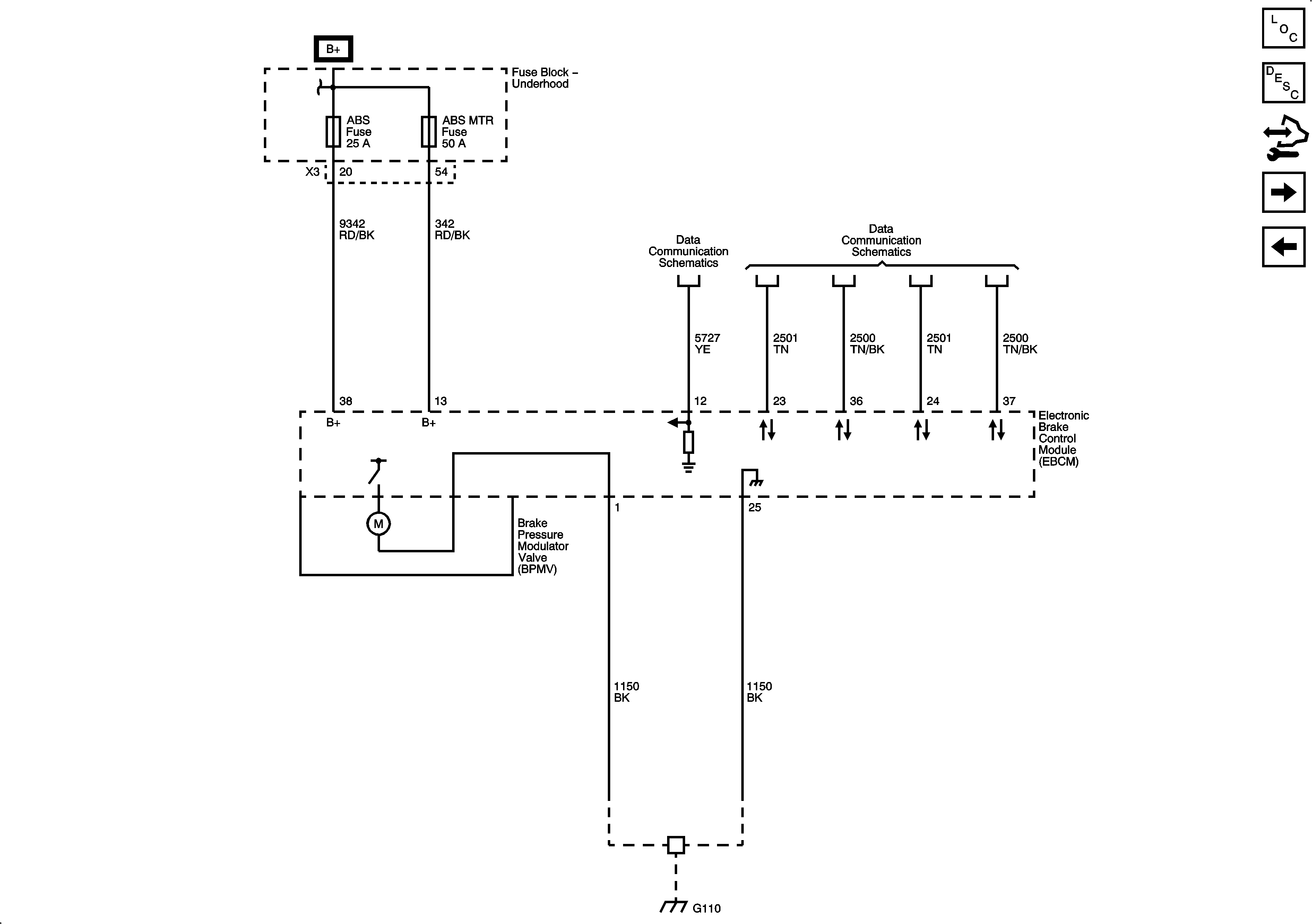
Antilock Brake System Schematics Except JL7

Figure 1:

EBCM Module Power, Ground, and DLC


Object Number: 2064036  Size: FS
Master Electrical Component List
ABS Description and Operation
Control Module References
Wheel Speed Sensors
Figure 2:

Wheel Speed Sensors


Object Number: 2064037  Size: FS
Master Electrical Component List
ABS Description and Operation
Control Module References
Stability Control System
EBCM Module Power, Ground and DLC
Figure 3:

Stability Control System


Object Number: 2064038  Size: FS
Master Electrical Component List
ABS Description and Operation
Control Module References
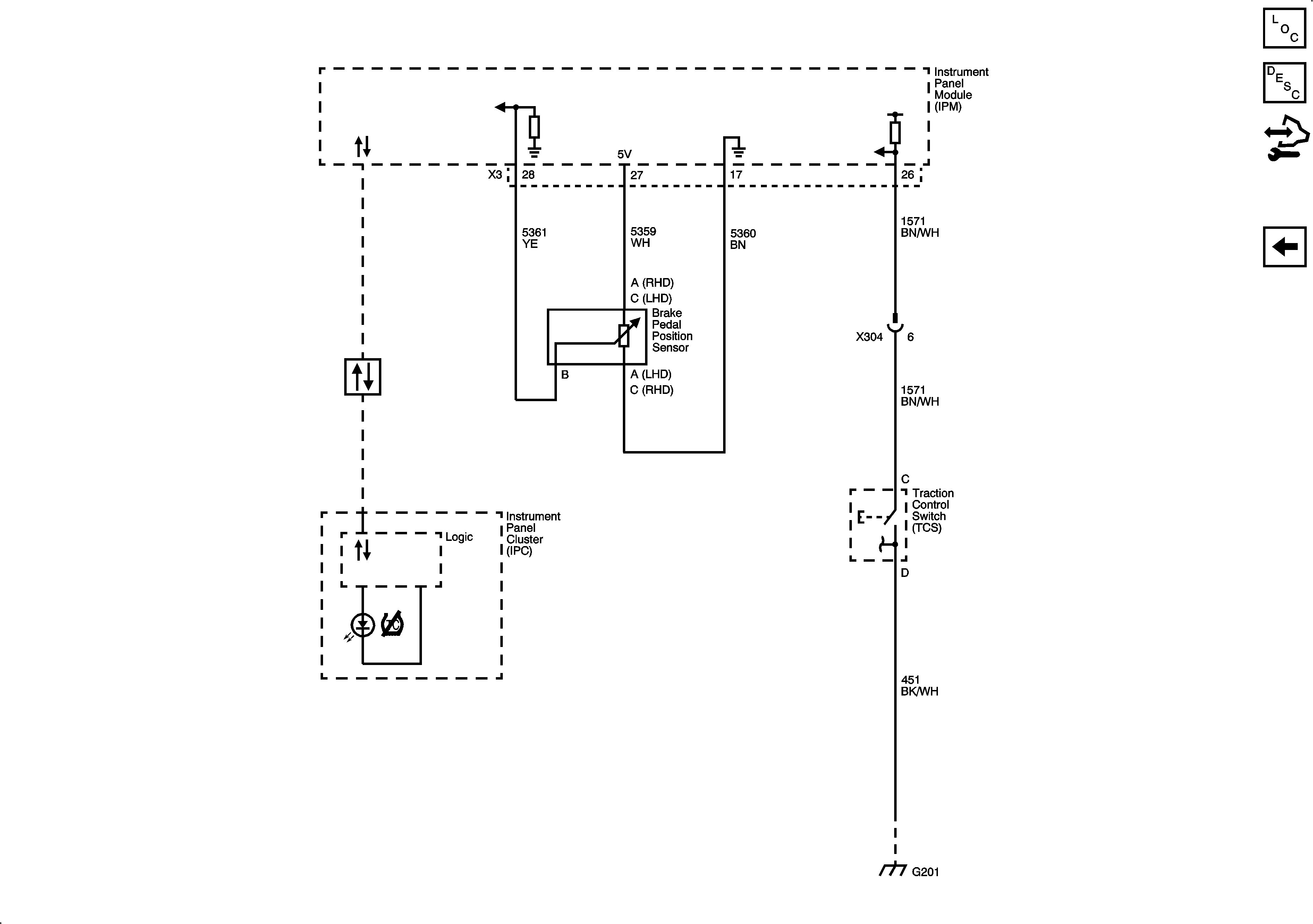
Indicator and Traction Control
Wheel Speed Sensors
Figure 4:

Indicator and Traction Control


Object Number: 2064039  Size: FS
Master Electrical Component List
ABS Description and Operation
Control Module References
Stability Control System