GM Service Manual Online
For 1990-2009 cars only
Makes
🢒
Cadillac
🢒
2009
🢒
STS
🢒
Transmission
🢒
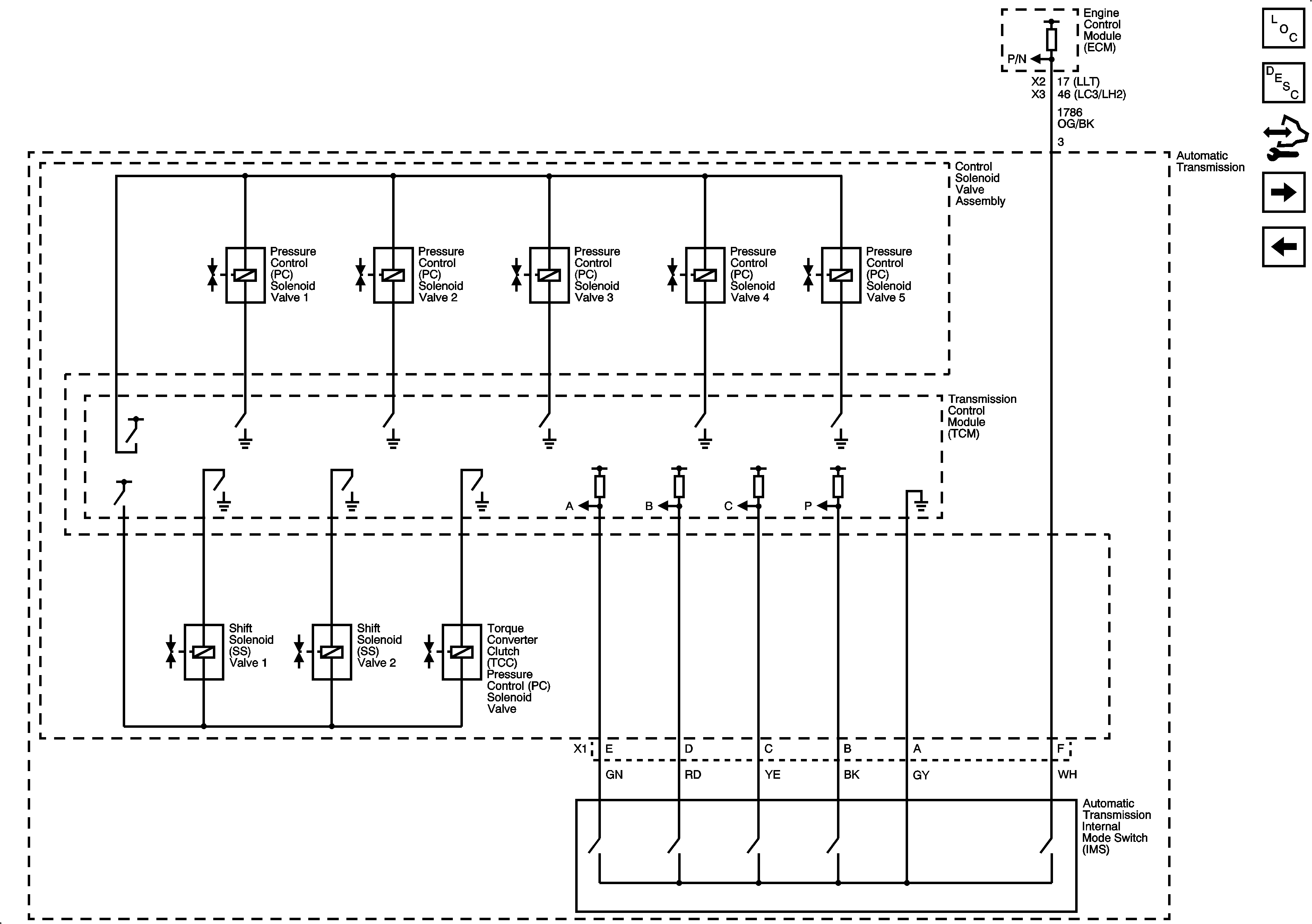
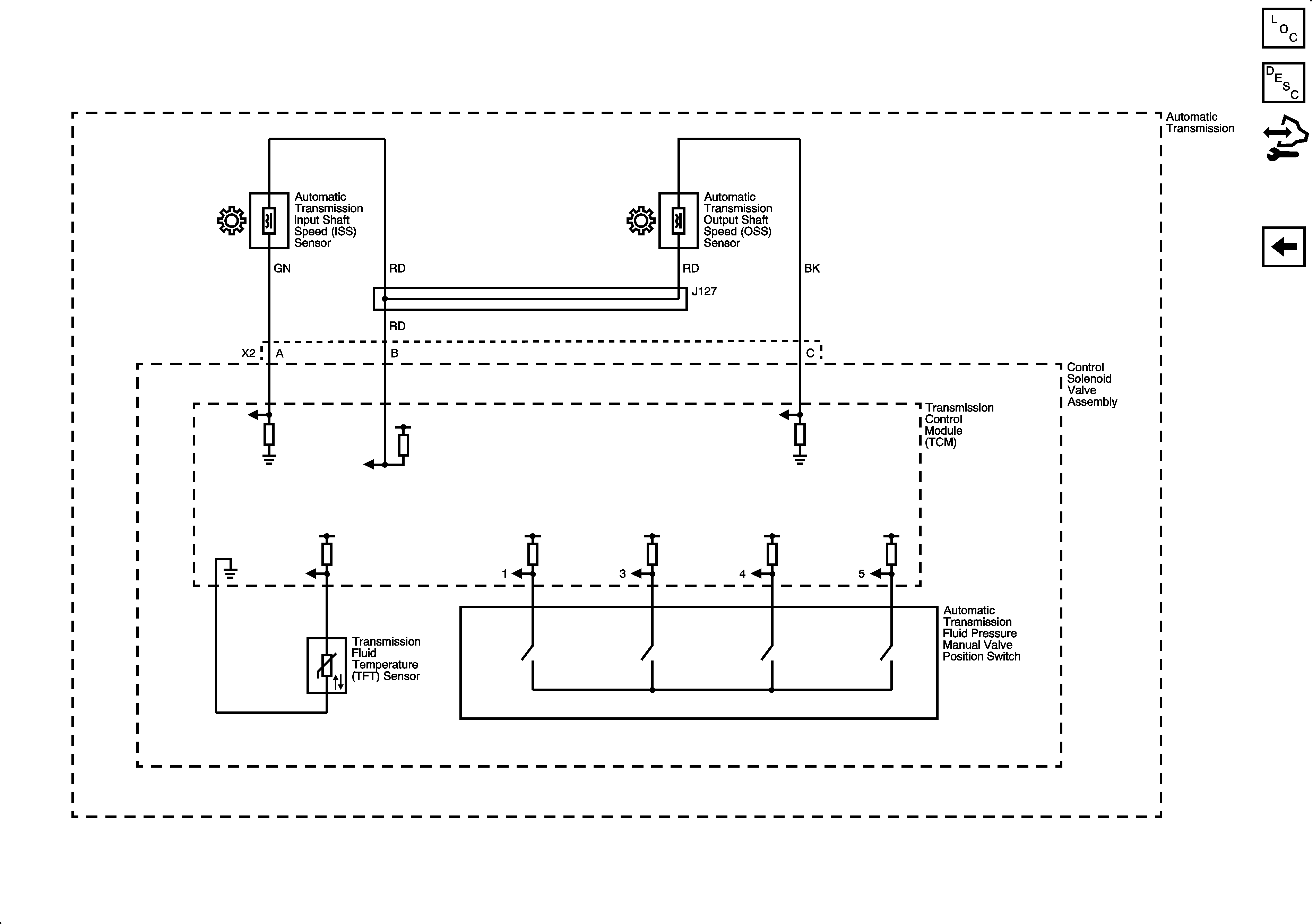
Automatic Transmission - 6L50/6L80/6L90
🢒 Automatic Transmission Controls Schematics
Figure
1:
TCM Power, Grounds, ECM, IPM
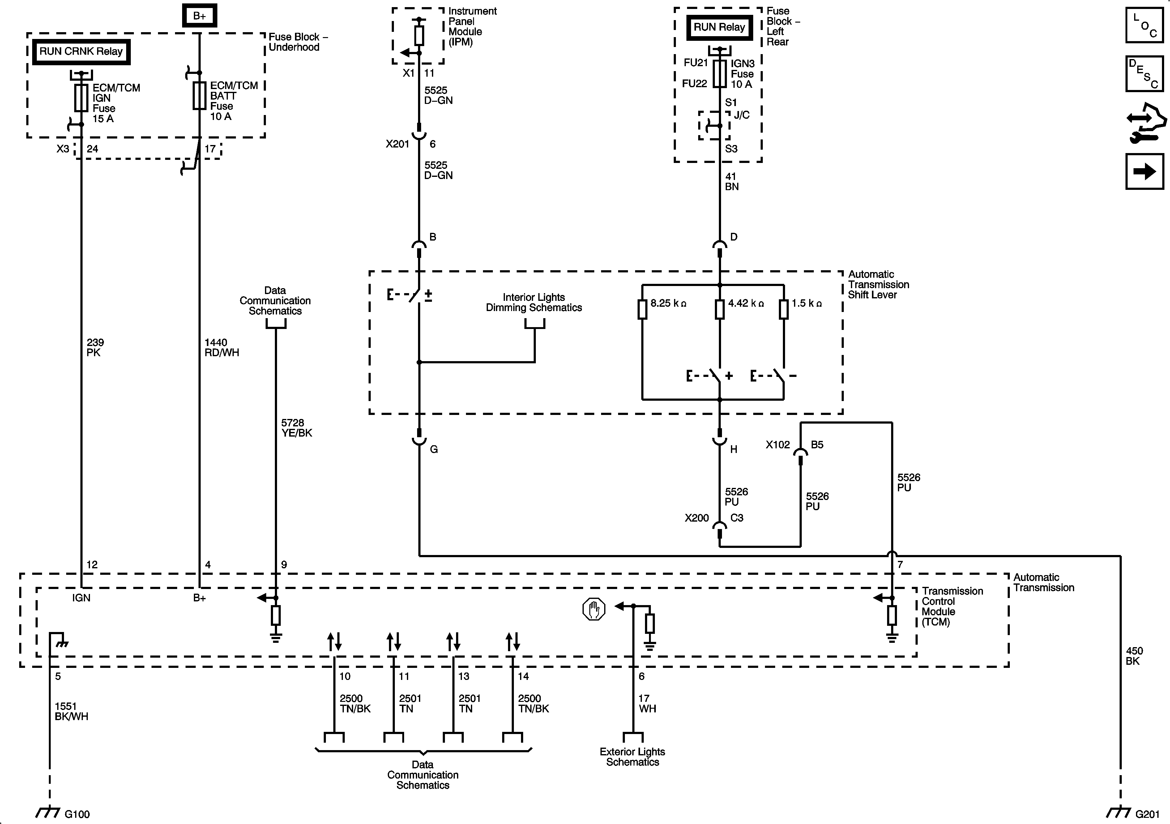
Figure
2:
ECM, EBCM
Figure
3:
Automatic Transmission Shift Lever Assembly, IPM