GM Service Manual Online
For 1990-2009 cars only
Figure 1:

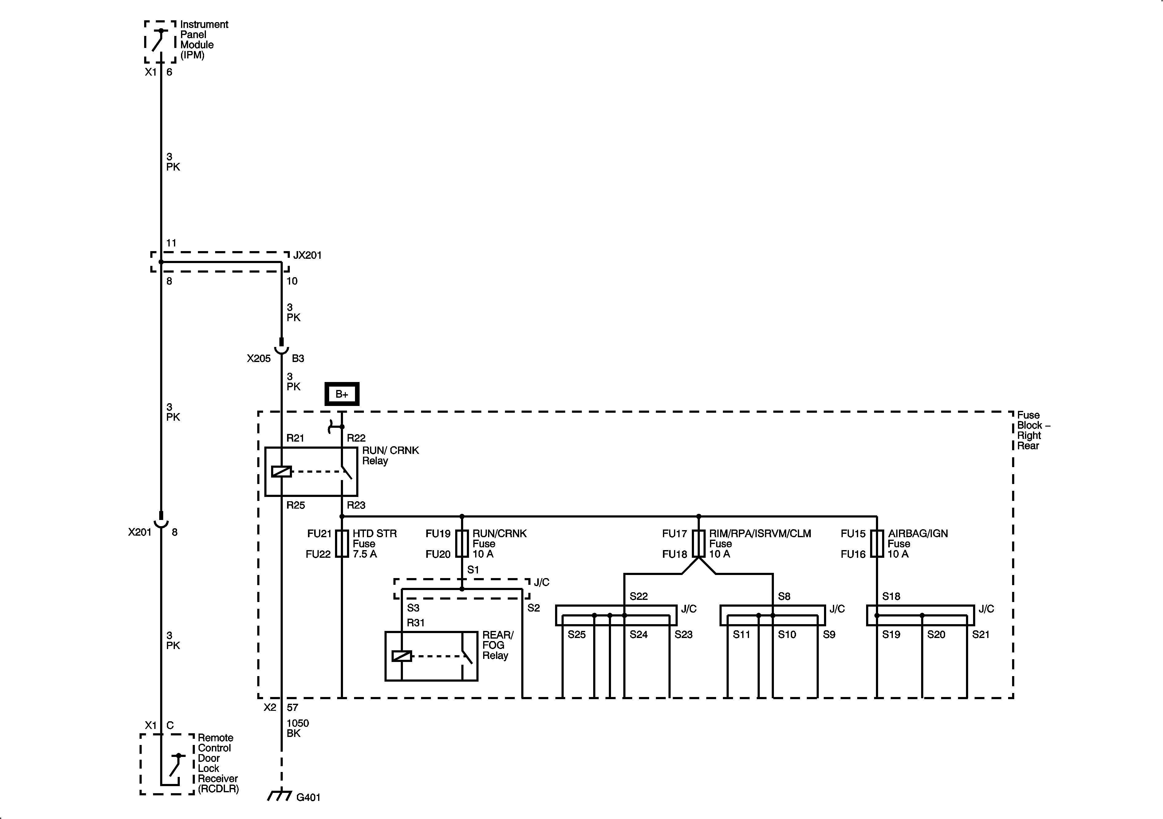
RUN/CRNK Relay - Fuse Block - Underhood


Object Number: 2064050  Size: FS
Master Electrical Component List
Power Mode Description and Operation
Control Module References
PWR/TRN Relay
Figure 2:

PWR/TRN Relay


Object Number: 2064052  Size: FS
Master Electrical Component List
Power Mode Description and Operation
Control Module References
RUN/CRNK Relay
RUN CRNK Relay
Figure 3:

RUN/CRNK Relay - Fuse Block - Right Rear


Object Number: 2064053  Size: FS
Master Electrical Component List
Power Mode Description and Operation
Control Module References
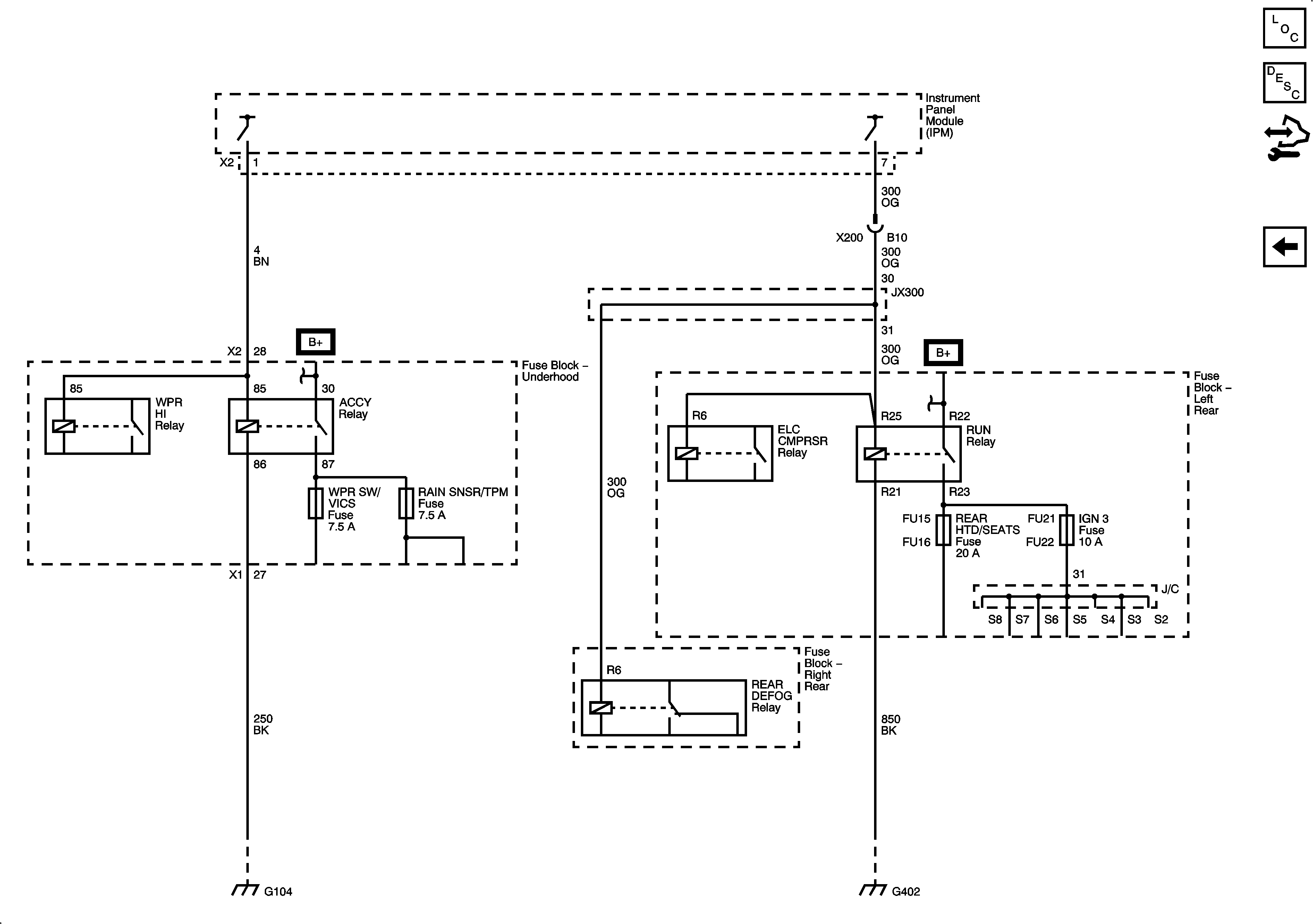
ACCY and RUN Relay
PWR/TRN Relay
Figure 4:

ACCY and RUN Relay


Object Number: 2064054  Size: FS
Master Electrical Component List
Power Mode Description and Operation
Control Module References
RUN/CRNK Relay