GM Service Manual Online
For 1990-2009 cars only
Figure 1:

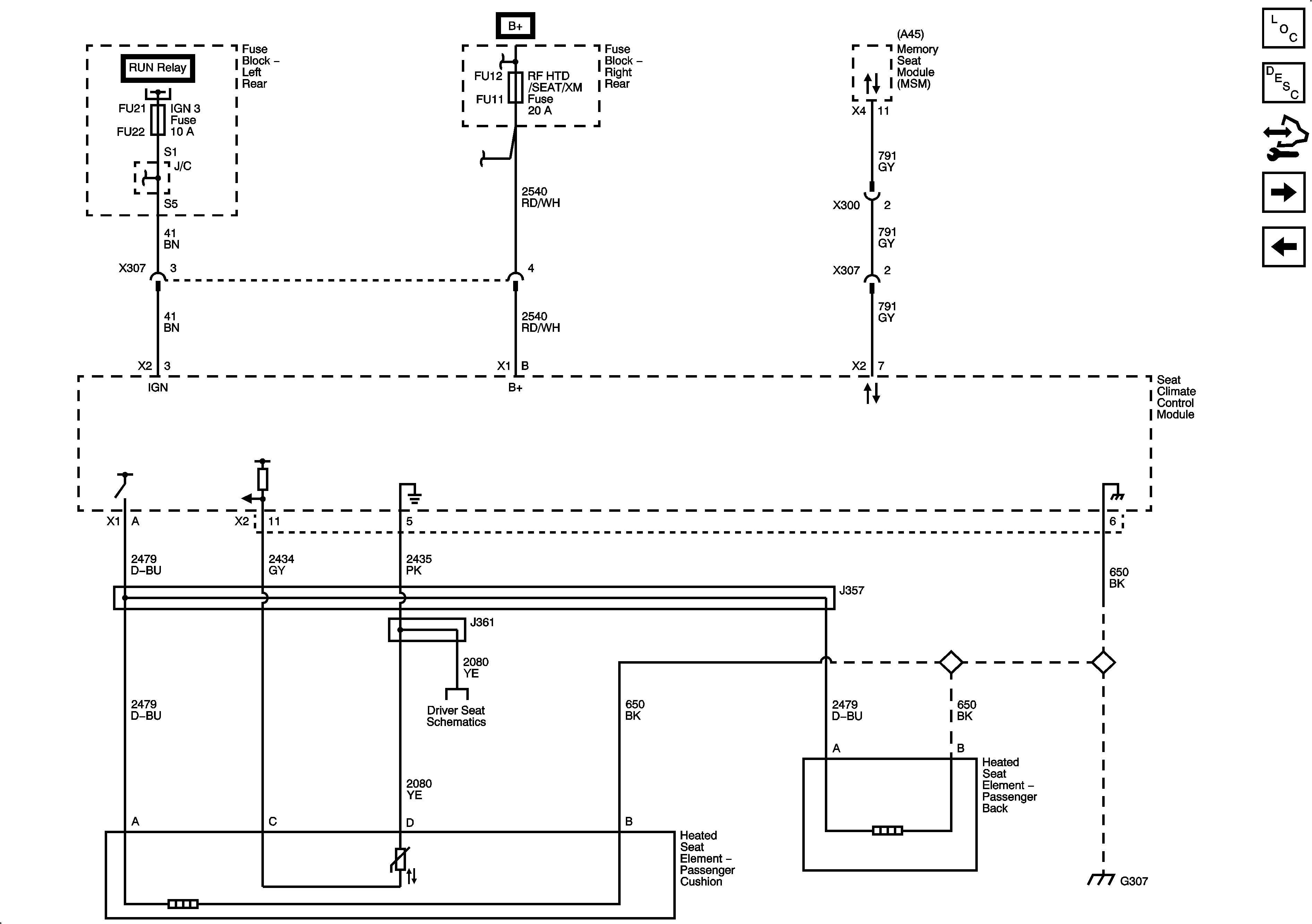
Driver Heated Seat


Object Number: 2063960  Size: FS
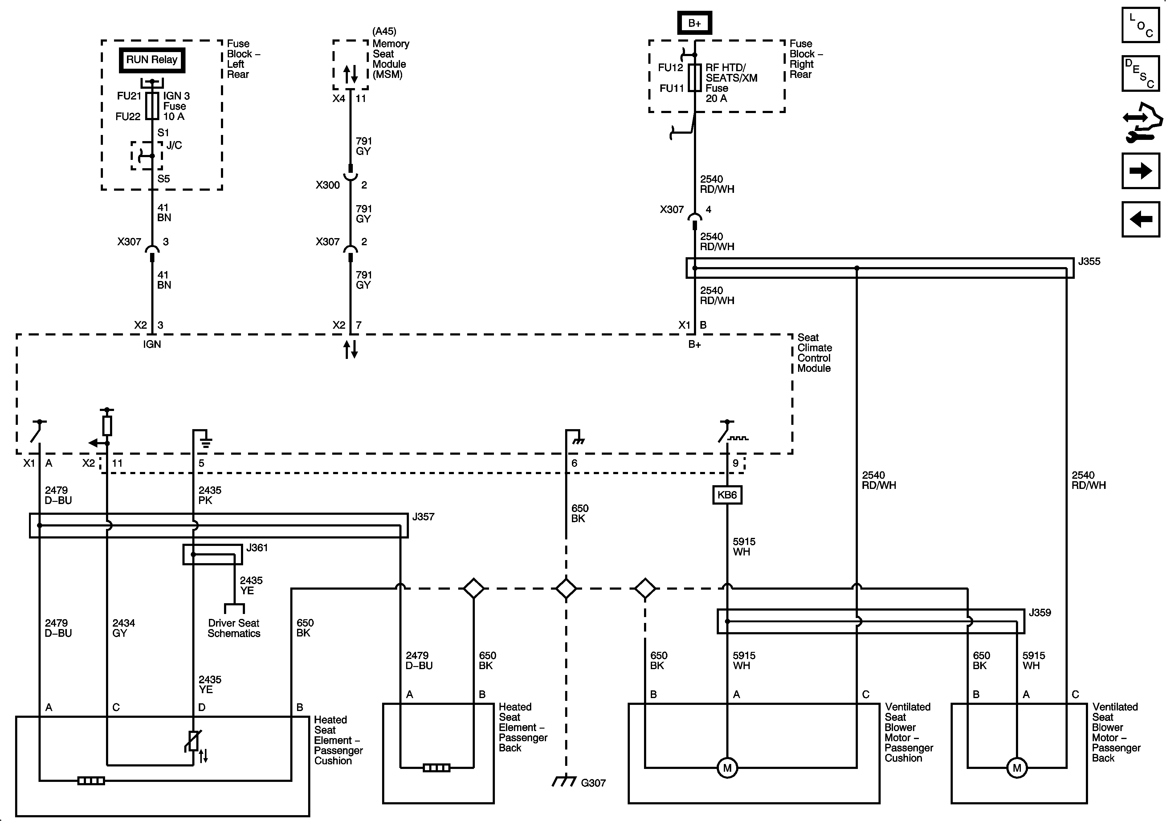
Figure 2:

Driver Heated/Cooled Seat


Object Number: 2063963  Size: FS
Figure 3:

Front Passenger Heated Seat


Object Number: 2063966  Size: FS
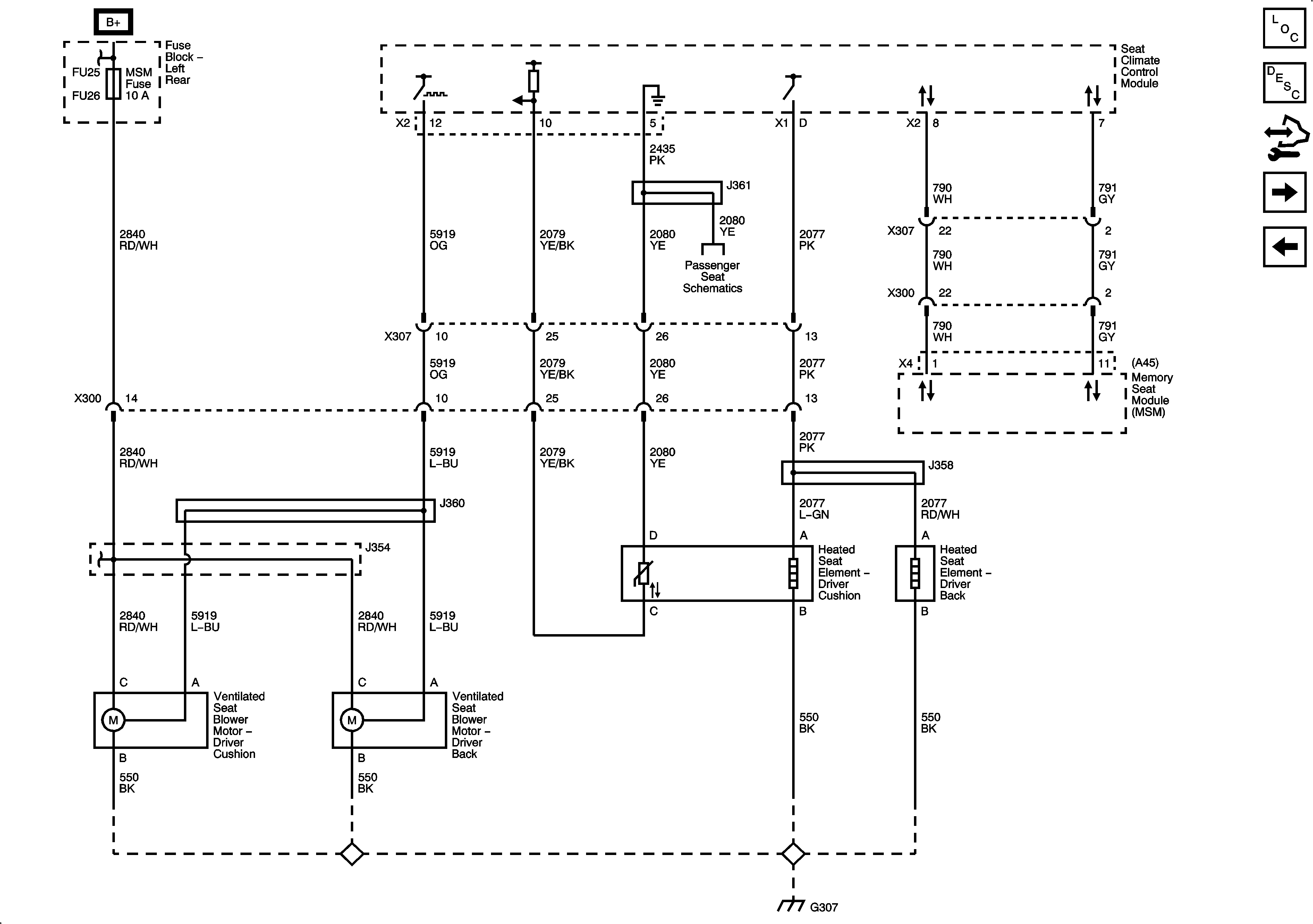
Figure 4:

Front Passenger Heated/Cooled Seat


Object Number: 2063969  Size: FS
Figure 5:

Rear Heated Seat Elements


Object Number: 2063974  Size: FS
Figure 6:

Rear Heated Seat Controls


Object Number: 2063980  Size: FS