GM Service Manual Online
For 1990-2009 cars only
Figure 1:

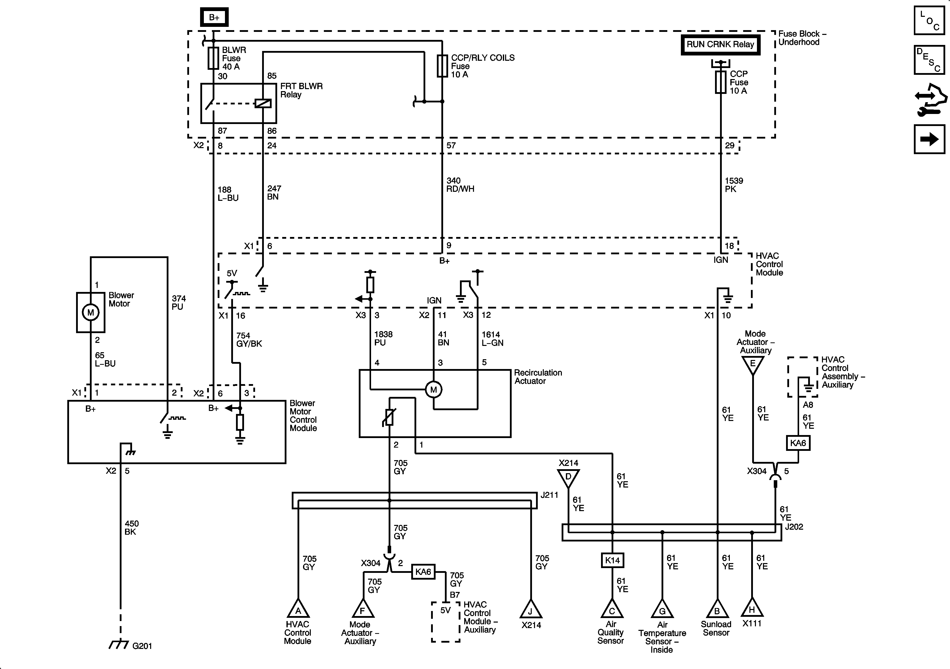
Power, Ground, Blower Motor, Recirculation Actuator


Object Number: 2063904  Size: FS
Master Electrical Component List
Automatic HVAC Description and Operation
Control Module References
Air Delivery, EVAP Temperature Sensor, Rear Passenger Air Temperature Actuator
Figure 2:

Air Delivery, EVAP Temperature Sensor, Rear Passenger Air Temperature Actuator


Object Number: 2063905  Size: FS
Master Electrical Component List
Automatic HVAC Description and Operation
Control Module References
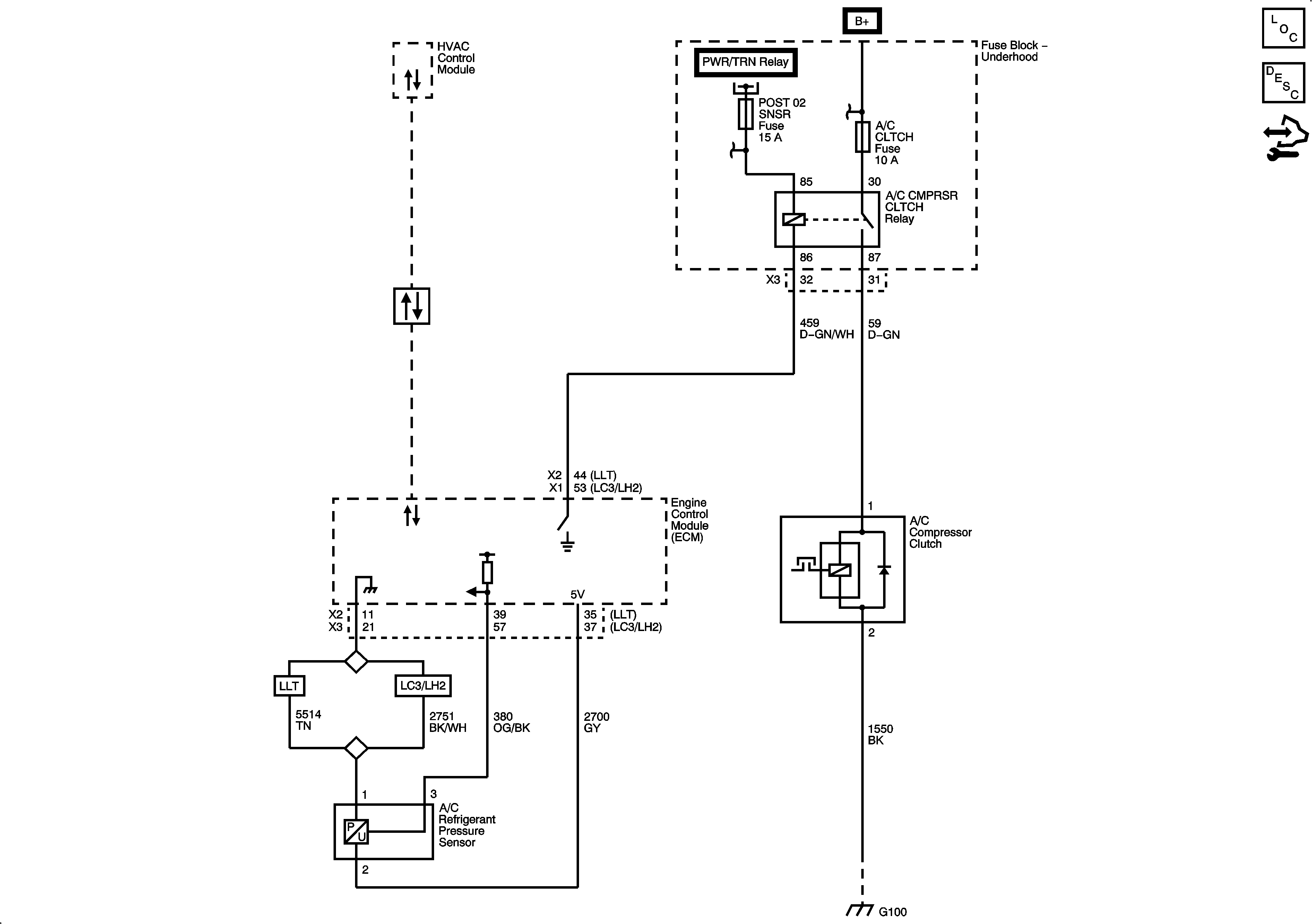
A/C Refrigerant Pressure Sensor
Power, Ground, Blower Motor, Recirculation
Figure 3:

A/C Refrigerant Pressure Sensor


Object Number: 2063908  Size: FS
Master Electrical Component List
Automatic HVAC Description and Operation
Control Module References
DLC, Temperature Controls, Sunload Sensor
Air Delivery, EVAP Temperature Sensor, Rear Passenger Air Temperature Actuator
Figure 4:

DLC, Temperature Controls, Sunload Sensor


Object Number: 2063910  Size: FS
Master Electrical Component List
Automatic HVAC Description and Operation
Control Module References
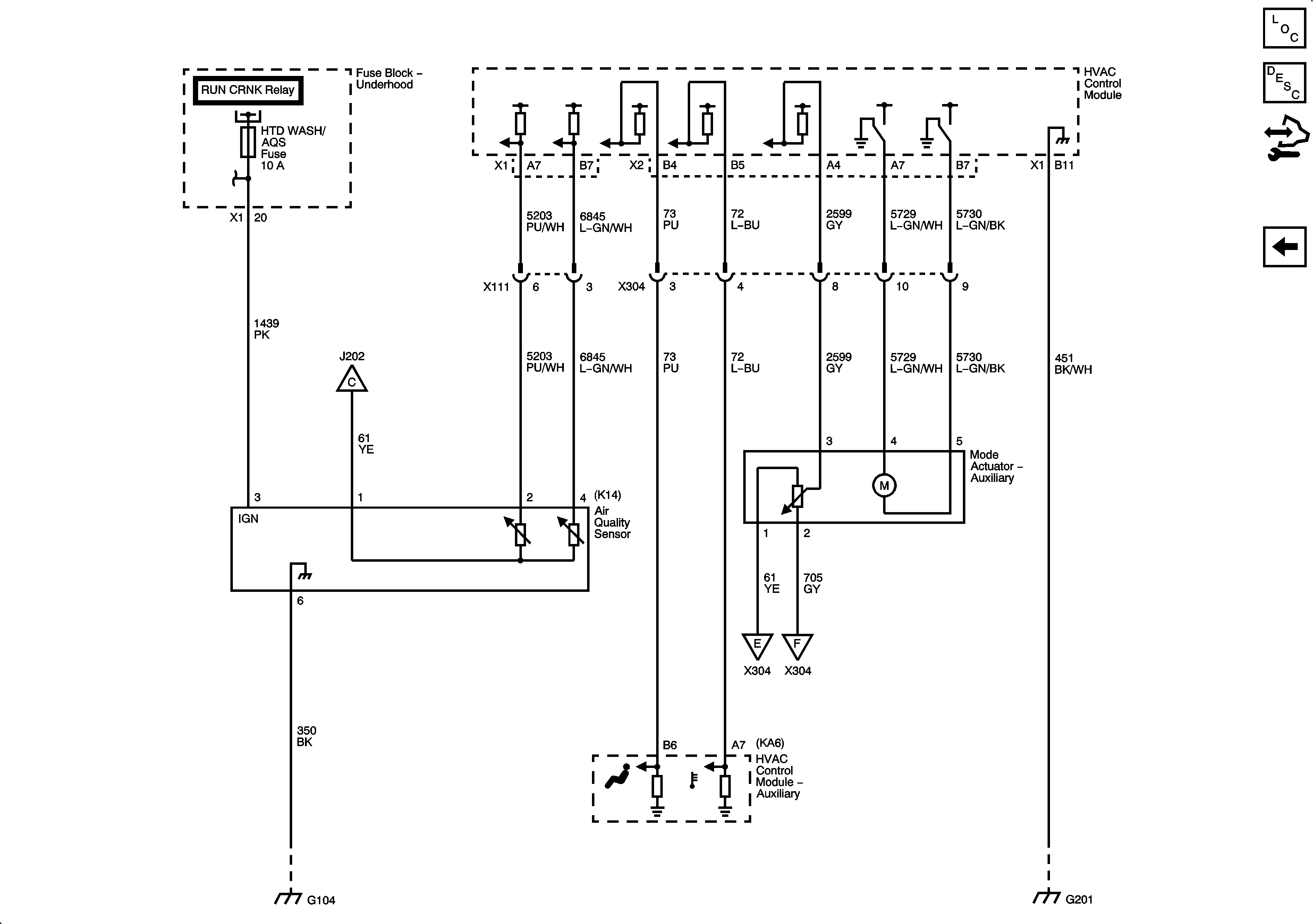
Air Quality Sensor, Rear Mode Motor
A/C Refrigerant Pressure Sensor
Figure 5:

Air Quality Sensor, Rear Mode Motor


Object Number: 2063911  Size: FS
Master Electrical Component List
Automatic HVAC Description and Operation
Control Module References
DLC, Temperature Controls, Sunload Sensor