GM Service Manual Online
For 1990-2009 cars only
Makes
🢒
Cadillac
🢒
2009
🢒
STS
🢒
Safety and Security
🢒
Immobilizer
🢒 Immobilizer Schematics
Figure
1:
Vehicle Theft Deterrent (VTD) System
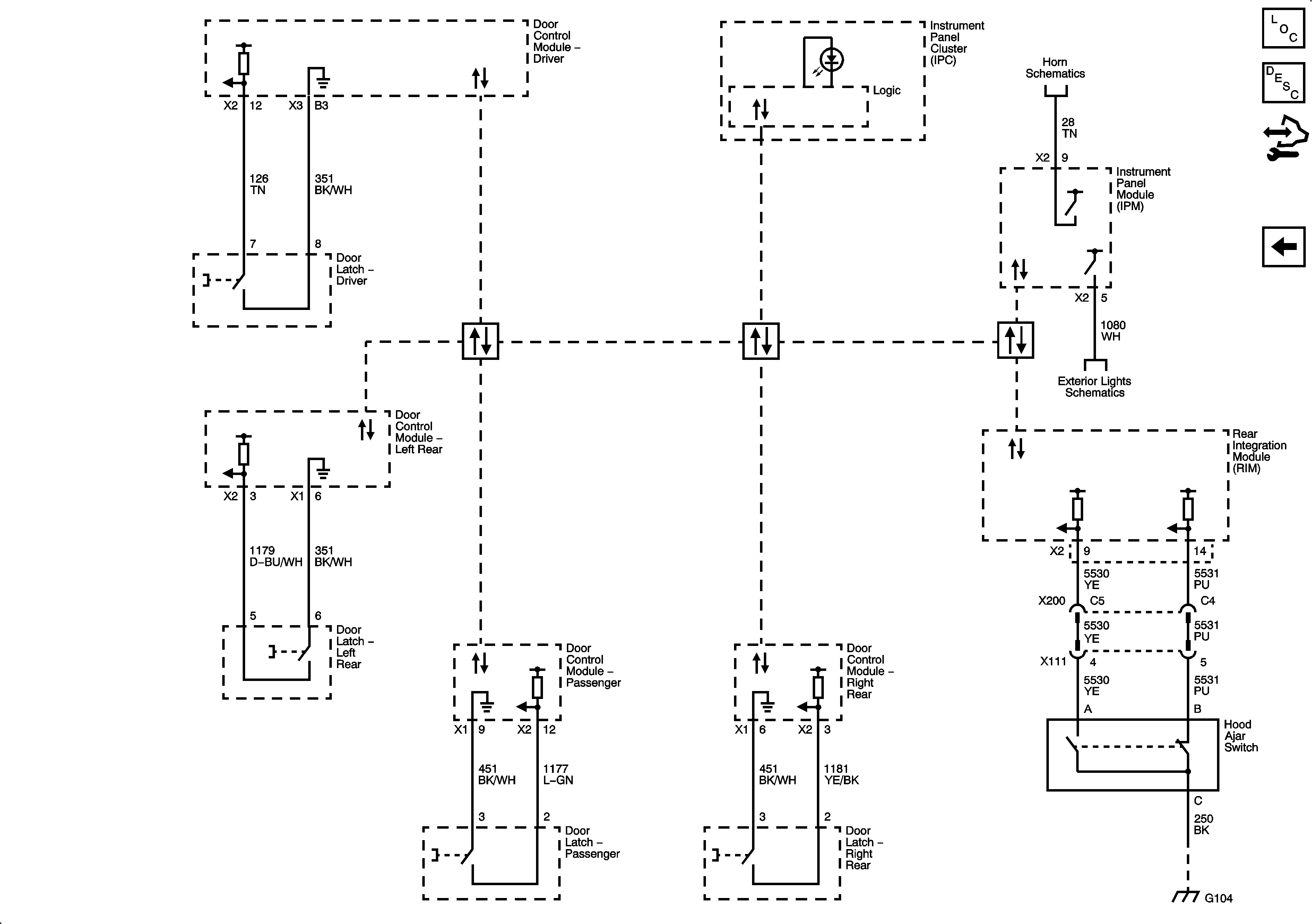
Figure
2:
Door Modules and Horn