GM Service Manual Online
For 1990-2009 cars only
Figure 1:

Garage Door Opener


Object Number: 2062732  Size: FS
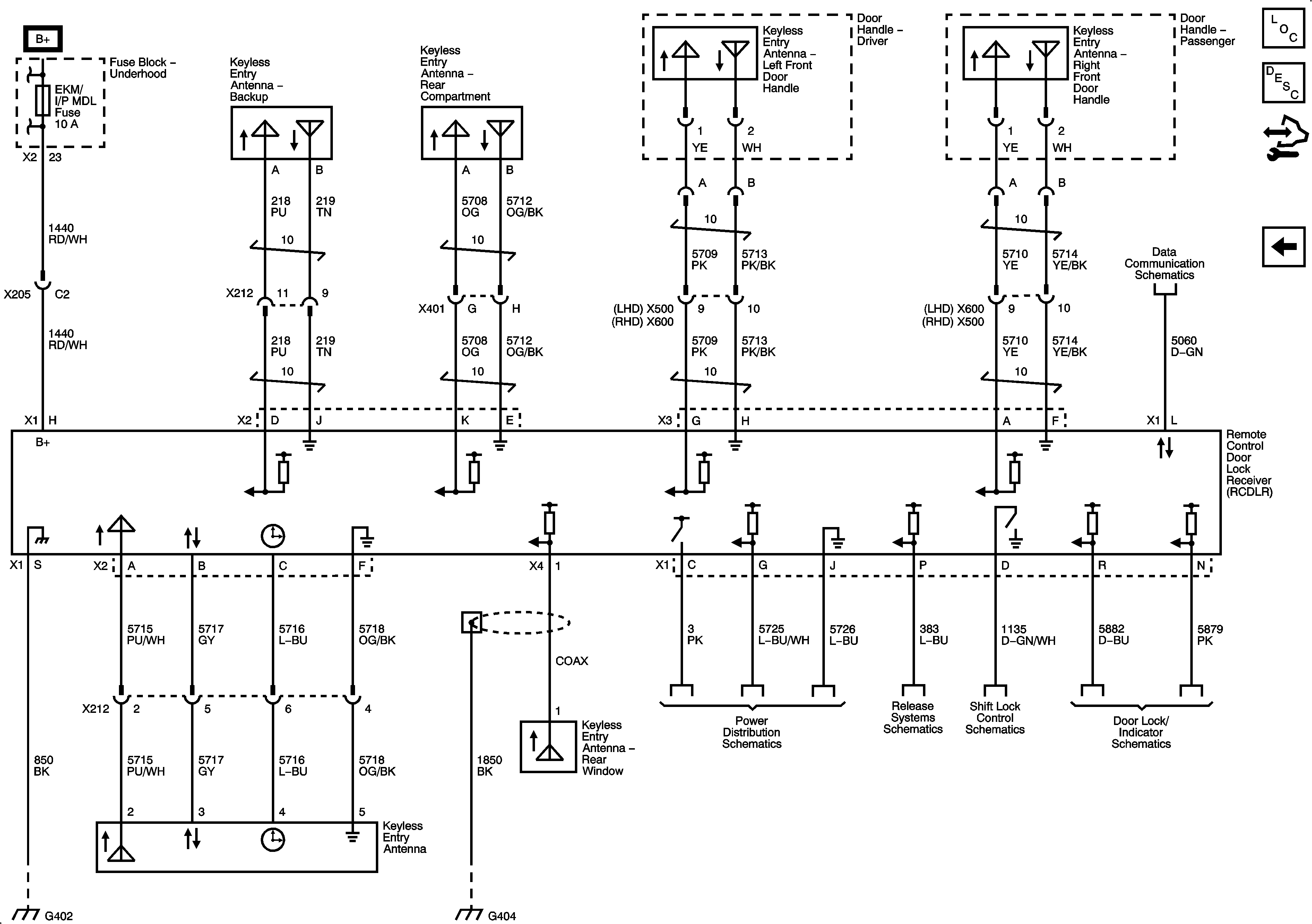
Figure 2:

Keyless Entry Module Power, Grounds, Antennas and Switches


Object Number: 2062742  Size: FS
Figure 3:

Keyless Entry DLC, Instrument Panel Cluster (IPC)


Object Number: 2062749  Size: FS