GM Service Manual Online
For 1990-2009 cars only

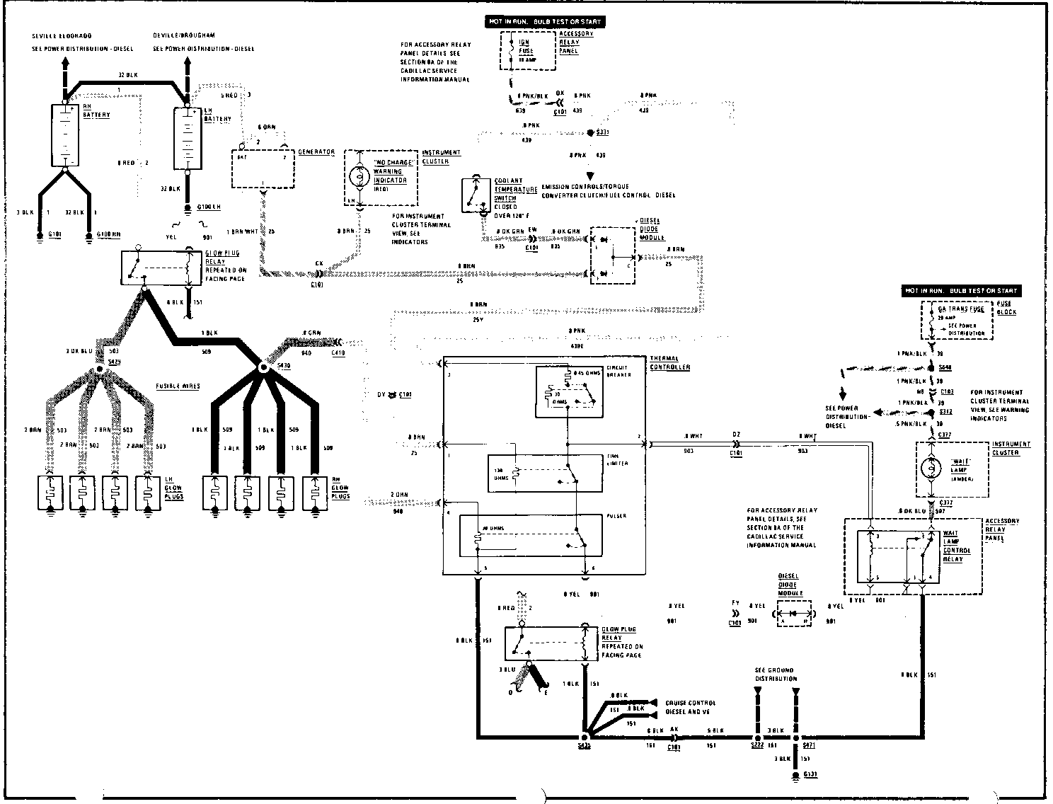
DIODE MODULE & 'WAIT' RELAY LOCATIONS AND WIRING

The diesel diode module location and the diesel "WAIT" lamp relay wiring and location are incorrectly illustrated in Section 6A5 of the 1982 Service Manual and on pages 68 and 69 of the 1982 Electrical Troubleshooting Manual. This bulletin covers the correct locations and wiring of these components.

The "WAIT" lamp relay is located in the accessory relay panel. On DeVilles and Broughams, this relay panel is located to the left of the fuse block. The relay panel for Seville and Eldorado is located above the lower instrument panel cover to the left of the steering column.

The diode module for all diesel cars is taped to the instrument panel wiring harness as shown in Figures 8A-27 and 8A-35 of the Service Manual.

The schematic on the reverse side shows the correct 1982 diesel glow plug circuit wiring.


Object Number: 75051  Size: FS

General Motors bulletins are intended for use by professional technicians, not a "do-it-yourselfer". They are written to inform those technicians of conditions that may occur on some vehicles, or to provide information that could assist in the proper service of a vehicle. Properly trained technicians have the equipment, tools, safety instructions and know-how to do a job properly and safely. If a condition is described, do not assume that the bulletin applies to your vehicle, or that your vehicle will have that condition. See a General Motors dealer servicing your brand of General Motors vehicle for information on whether your vehicle may benefit from the information.