GM Service Manual Online
For 1990-2009 cars only
Makes
🢒
Cadillac
🢒
1998
🢒
Seville
🢒
Body and Accessories
🢒
Lighting Systems
🢒 Fog Lights Schematics
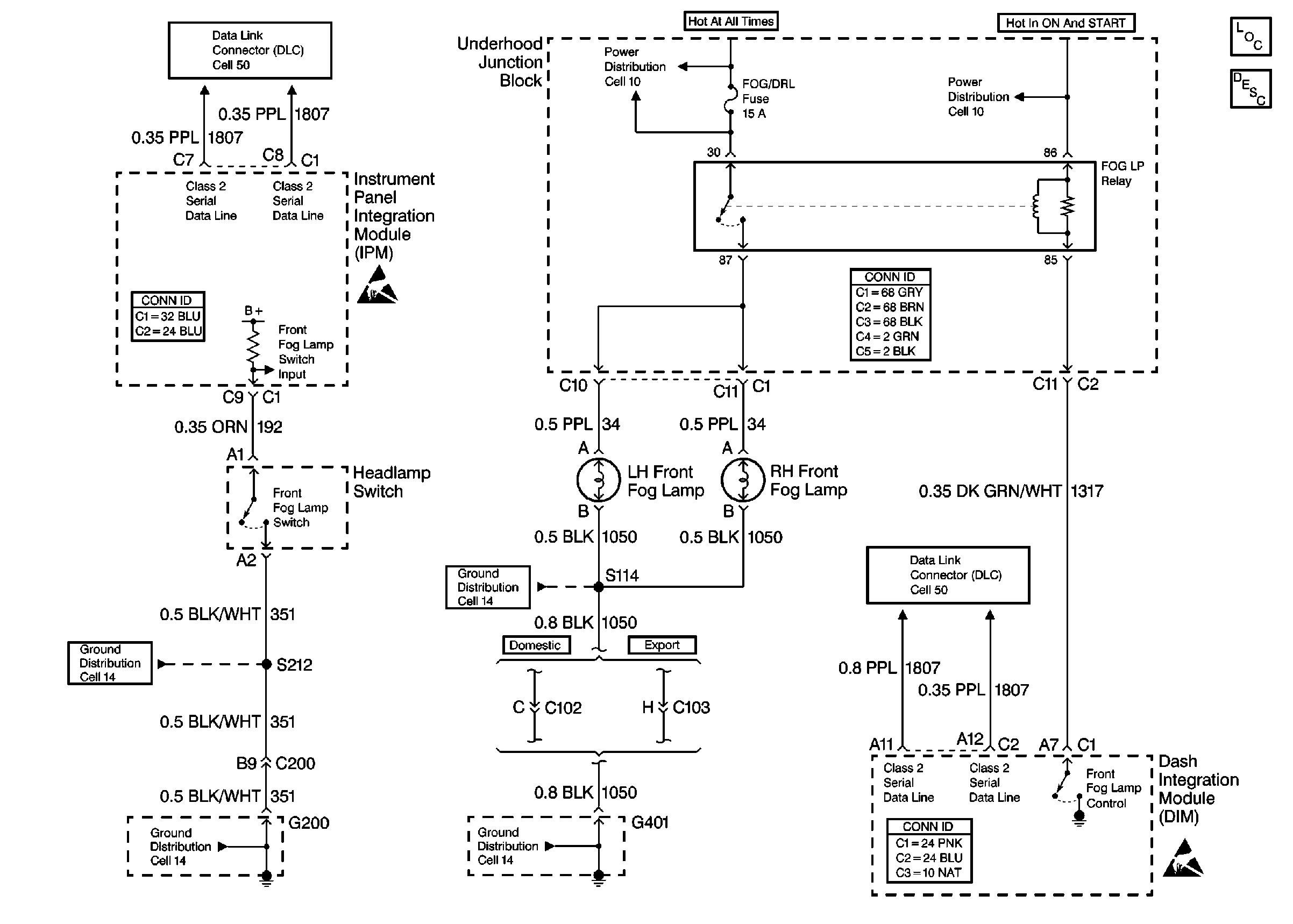
Fog Lights Schematics Front
Cell 103
Lighting Systems Components
Fog Lights Circuit Description
Handling ESD Sensitive Parts Notice
Handling ESD Sensitive Parts Notice
Cell 10: A/C CLU, FOG/DRL, INJR1, and INJR2 Fuses
Cell 10: A/C CLU, FOG/DRL, INJR1, and INJR2 Fuses
Cell 14: G200 (1 of 2)
Cell 14: G200 (1 of 2)
Cell 14: G401 (3 of 3)
Cell 14: G401 (3 of 3)
Cell 50: Class Serial Data Line (2 of 2)
Cell 50: Class Serial Data Line (2 of 2)
Body Control System Connector End Views
Body Control System Connector End Views
Power and Grounding Connector End Views
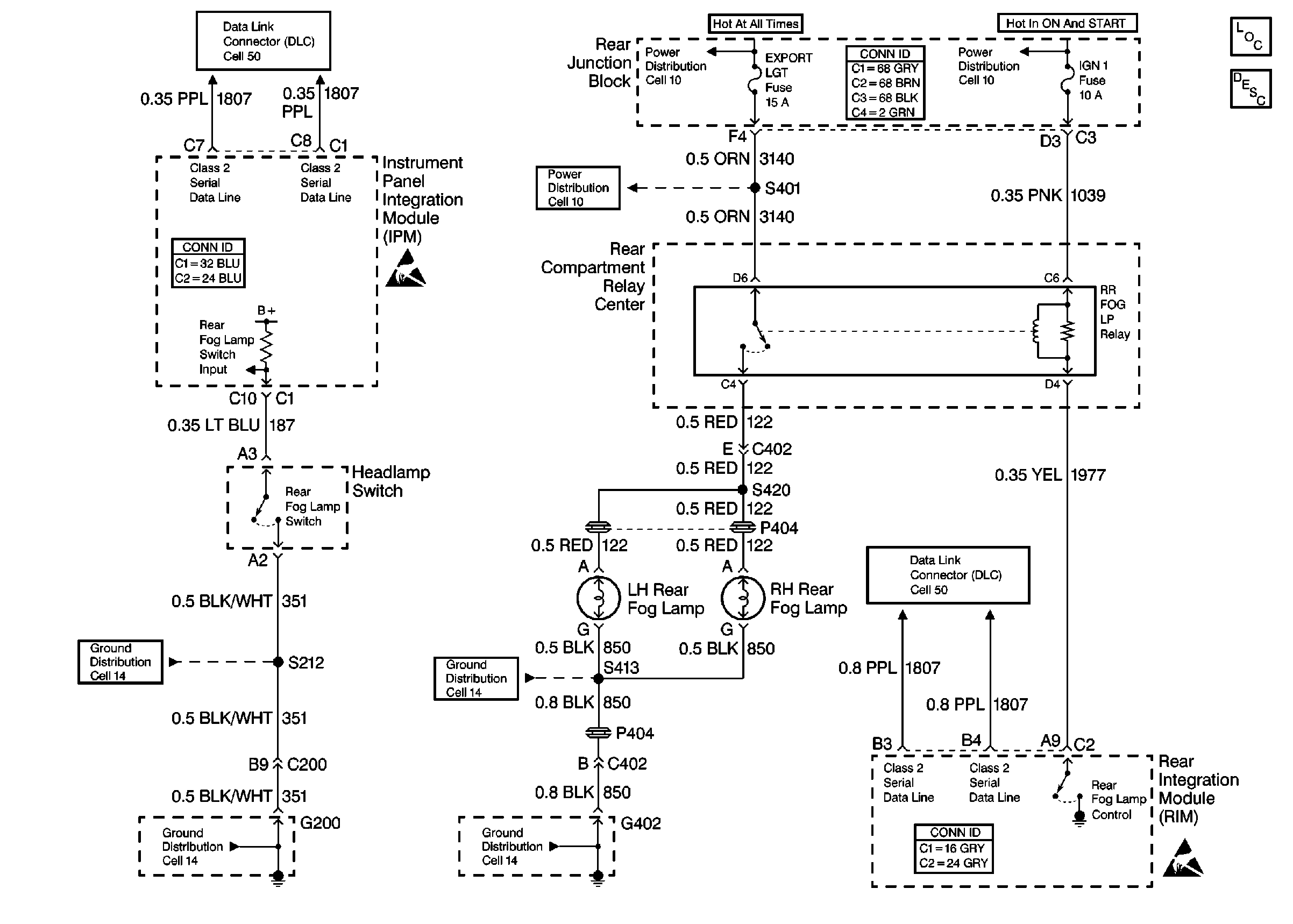
Fog Lights Schematics Rear
Cell 103
Lighting Systems Components
Fog Lights Circuit Description
Handling ESD Sensitive Parts Notice
Handling ESD Sensitive Parts Notice
Cell 10: RAP and EXPORT LGT Fuses
Cell 10: RAP and EXPORT LGT Fuses
Cell 10: IGN 1 Relay and SIR, VENT SOL, IGN 1 Fuses
Cell 14: G200 (1 of 2)
Cell 14: G200 (1 of 2)
Cell 14: G402 (1 of 2)
Cell 14: G402 (2 of 2)
Cell 50: Class Serial Data Line (2 of 2)
Cell 50: Class Serial Data Line (1 of 2)
Body Control System Connector End Views
Body Control System Connector End Views
Power and Grounding Connector End Views