GM Service Manual Online
For 1990-2009 cars only
Makes
🢒
Cadillac
🢒
1998
🢒
Seville
🢒 Cell 112
Cell 112
Cell 112
Lighting Systems Components
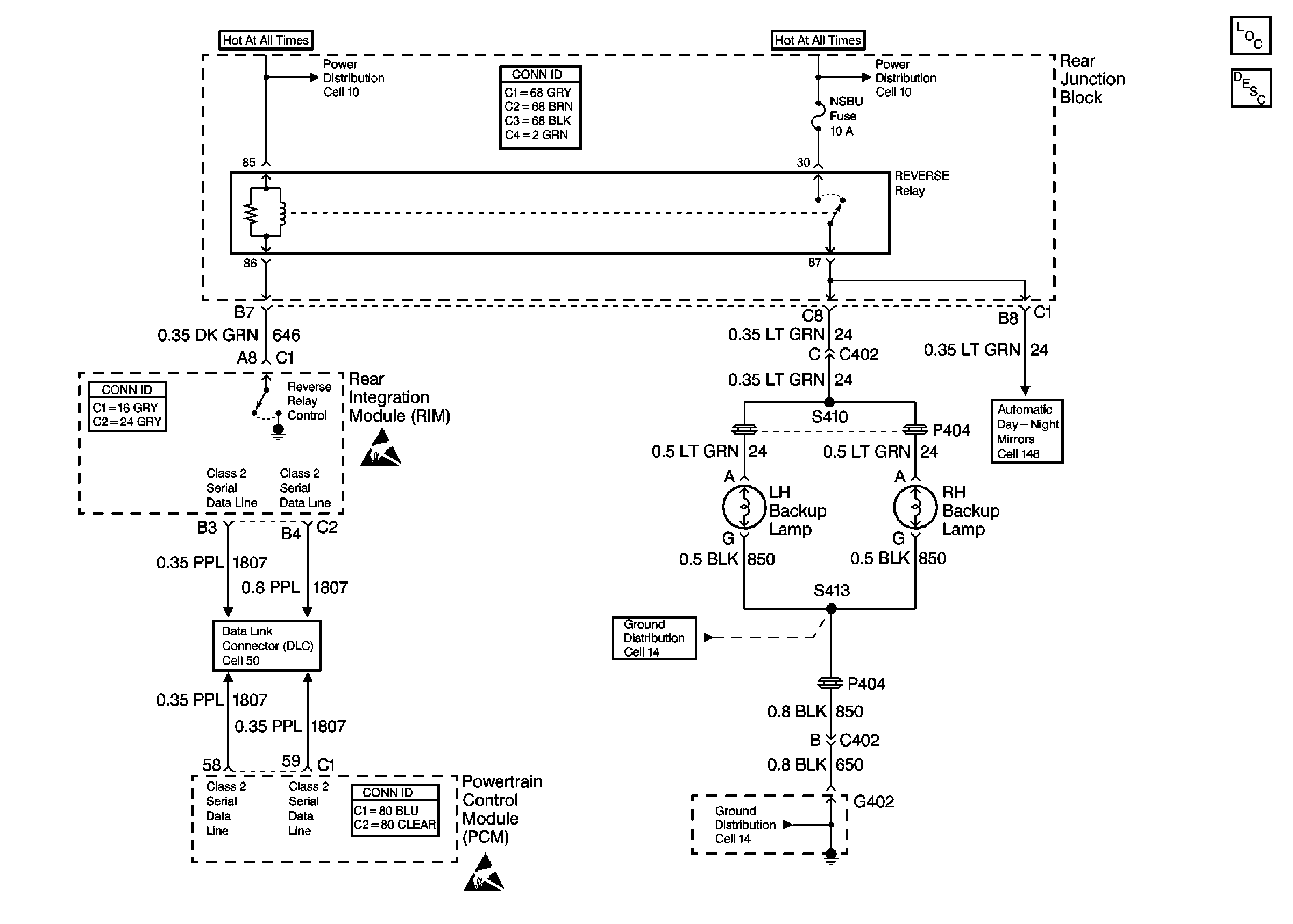
Backup Lamp Circuit Description
Handling ESD Sensitive Parts Notice
Handling ESD Sensitive Parts Notice
Cell 10: NSBU, F/PMP, CVRTD, and BODY Fuses
Cell 10: NSBU, F/PMP, CVRTD, and BODY Fuses
Cell 14: G402 (1 of 2)
Cell 14: G402 (2 of 2)
Cell 50: Class Serial Data Line (1 of 2)
Cell 148: Inside Mirror
Powertrain Control Module Connector End Views
Power and Grounding Connector End Views
Body Control System Connector End Views