GM Service Manual Online
For 1990-2009 cars only
Makes
🢒
Cadillac
🢒
1998
🢒
Seville
🢒 Cell 142
Cell 142
Cell 142
Power Seat Systems Components
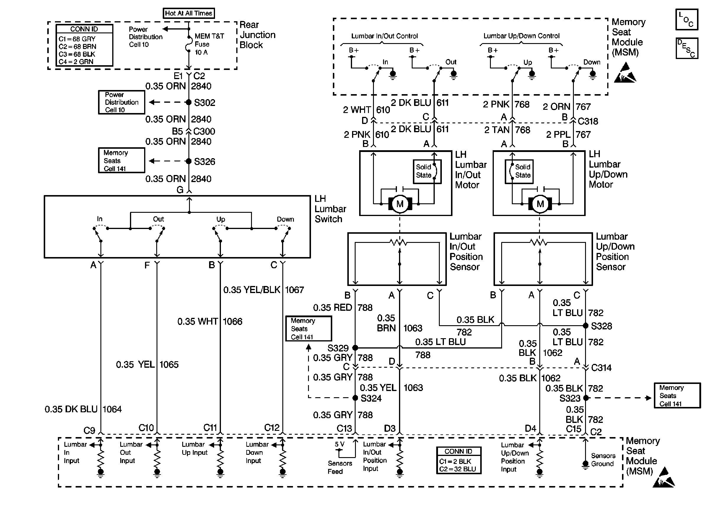
Power Lumbar Circuit Description A45
Handling ESD Sensitive Parts Notice
Handling ESD Sensitive Parts Notice
Cell 10: MEM T/T, PWWR T/T, and TSIG/HAZ Fuses
Cell 10: MEM T/T, PWWR T/T, and TSIG/HAZ Fuses
Cell 141: Front Height, Rear Height, Forward/Back Motors and Position Sensors
Cell 141: Front Height, Rear Height, Forward/Back Motors and Position Sensors
Cell 141: PWR, GND, LH Seat Switch, and MSM
Power and Grounding Connector End Views
Power Seat Connector End Views