GM Service Manual Online
For 1990-2009 cars only
Makes
🢒
Cadillac
🢒
1998
🢒
Seville
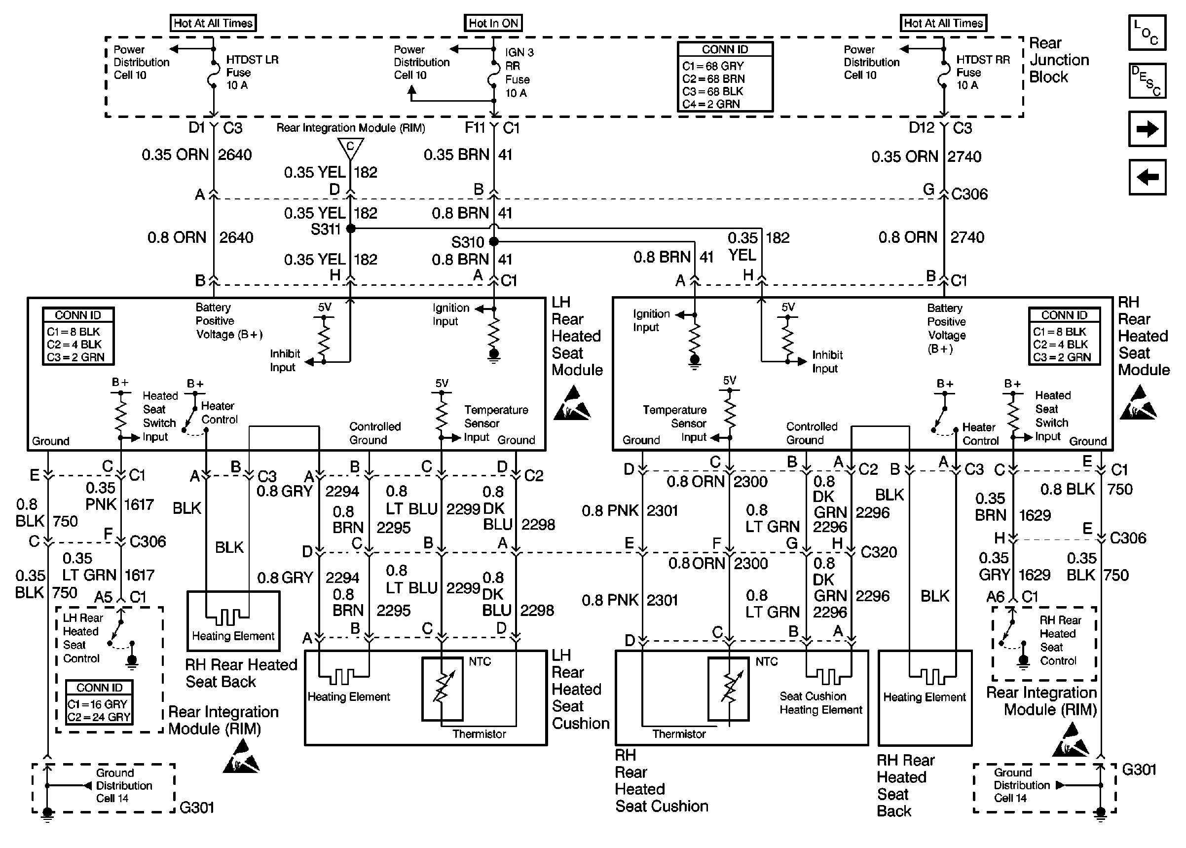
🢒 Cell 143: Rear Heated Seat Modules
Cell 143: Rear Heated Seat Modules
Cell 143: Rear Heated Seat Modules
Power Seat Systems Components
Heated Seats Circuit Description
Cell 143: Rear Heated Seat Switches
Cell 143: RH Front Heated Seat
Handling ESD Sensitive Parts Notice
Handling ESD Sensitive Parts Notice
Handling ESD Sensitive Parts Notice
Handling ESD Sensitive Parts Notice
Cell 10: IGN 3 RR Fuse
Cell 10: IGN SW, HTDST LR, HTDST RR, HTDST LF, and HTDST RF Fuses
Cell 10: IGN SW, HTDST LR, HTDST RR, HTDST LF, and HTDST RF Fuses
Cell 14: G301
Cell 14: G301
Cell 143: LH Front Heated Seat
Power and Grounding Connector End Views
Power Seat Connector End Views
Power Seat Connector End Views
Body Control System Connector End Views