GM Service Manual Online
For 1990-2009 cars only
Makes
🢒
Cadillac
🢒
1998
🢒
Seville
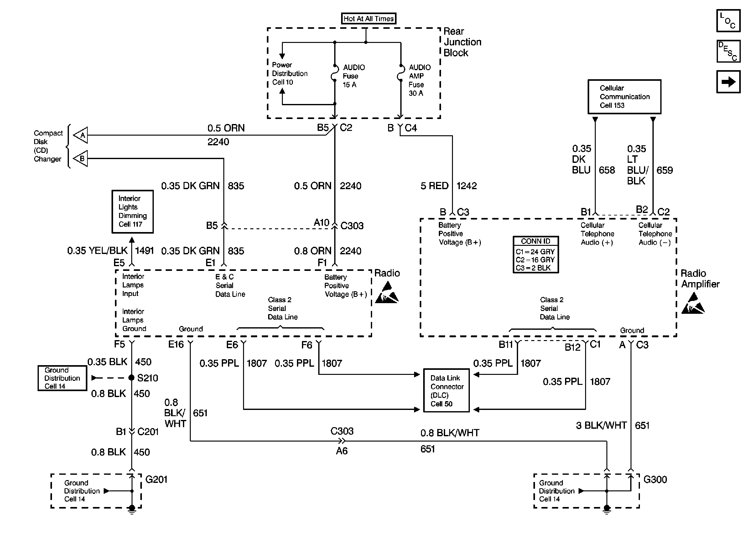
🢒 Cell 150: Power and Ground
Cell 150: Power and Ground
Cell 150: Power and Ground
Entertainment Components
Radio/Audio System Circuit Description
Cell 150: Compact Disk Changer
Power Distribution Schematics
Cellular Telephone Schematics
Cell 150: Compact Disk Changer
Cell 150: Compact Disk Changer
Interior Lights Dimming Schematics
Handling ESD Sensitive Parts Notice
Handling ESD Sensitive Parts Notice
Ground Distribution Schematics
Data Link Connector Schematics
Ground Distribution Schematics
Ground Distribution Schematics