GM Service Manual Online
For 1990-2009 cars only
Makes
🢒
Cadillac
🢒
1998
🢒
Seville
🢒 Cell 150: Amplifier
Cell 150: Amplifier
Cell 150: Amplifier
Entertainment Components
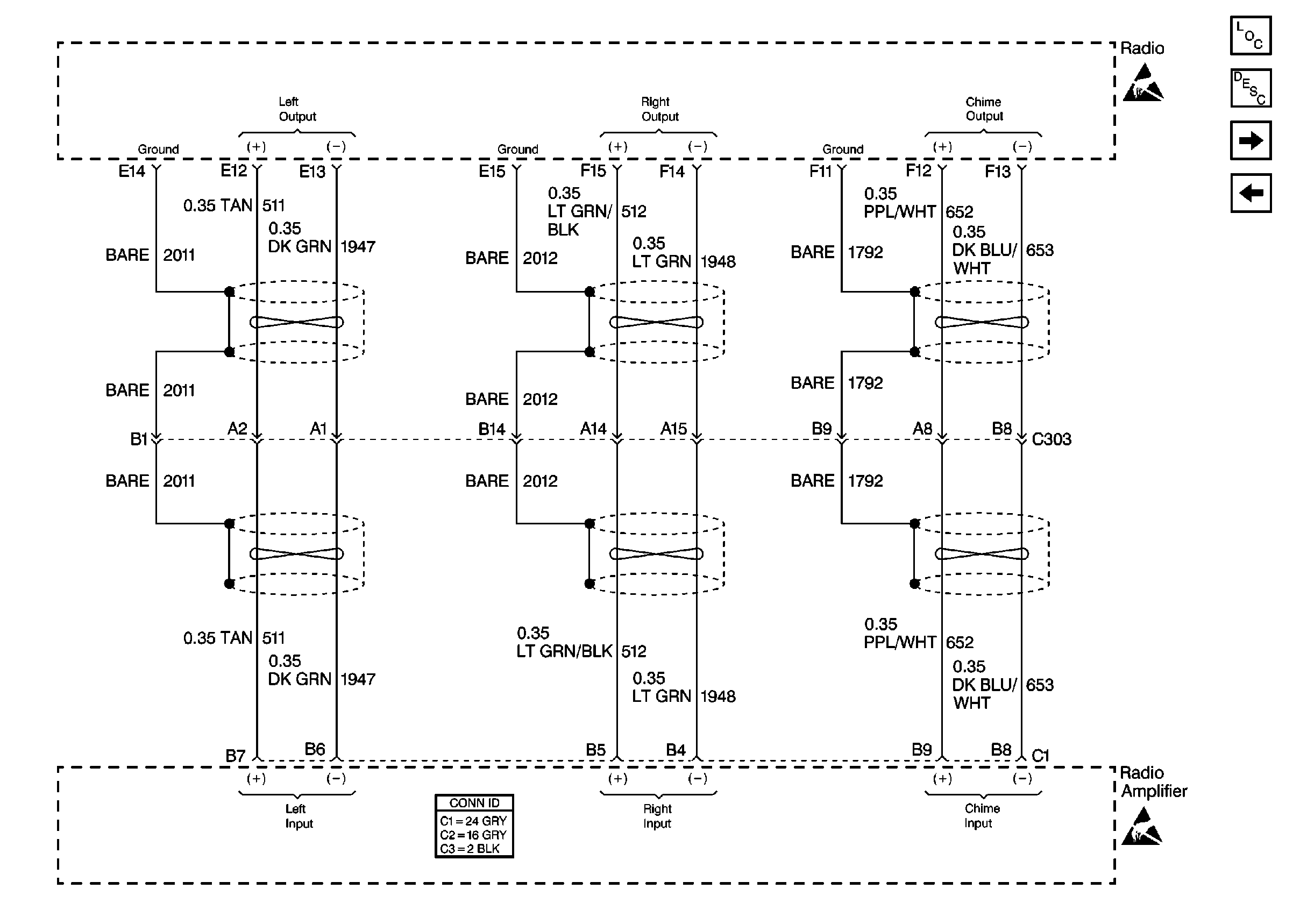
Radio/Audio System Circuit Description
Cell 150: Front Speakers
Cell 150: Compact Disk Changer
Handling ESD Sensitive Parts Notice
Handling ESD Sensitive Parts Notice