GM Service Manual Online
For 1990-2009 cars only
Makes
🢒
Cadillac
🢒
1998
🢒
Seville
🢒 Cell 150: Power and Ground
Cell 150: Power and Ground
Cell 150: Power and Ground
Entertainment Components
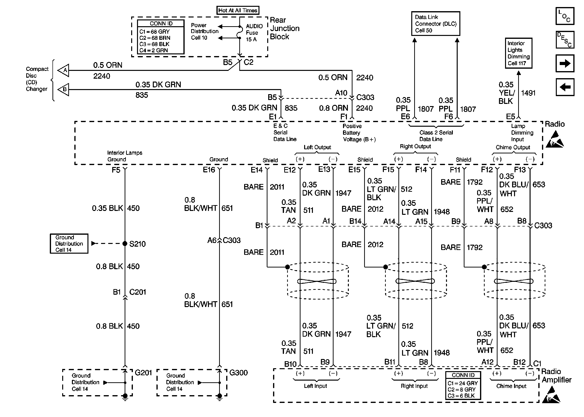
Radio/Audio System Circuit Description
Cell 150: Compact Disc Changer
Cell 150: Antenna
Power Distribution Schematics
Data Link Connector Schematics
Interior Lights Dimming Schematics
Cell 150: Compact Disc Changer
Cell 150: Compact Disc Changer
Handling ESD Sensitive Parts Notice
Handling ESD Sensitive Parts Notice
Ground Distribution Schematics
Ground Distribution Schematics
Ground Distribution Schematics