GM Service Manual Online
For 1990-2009 cars only
Makes
🢒
Cadillac
🢒
1998
🢒
Seville
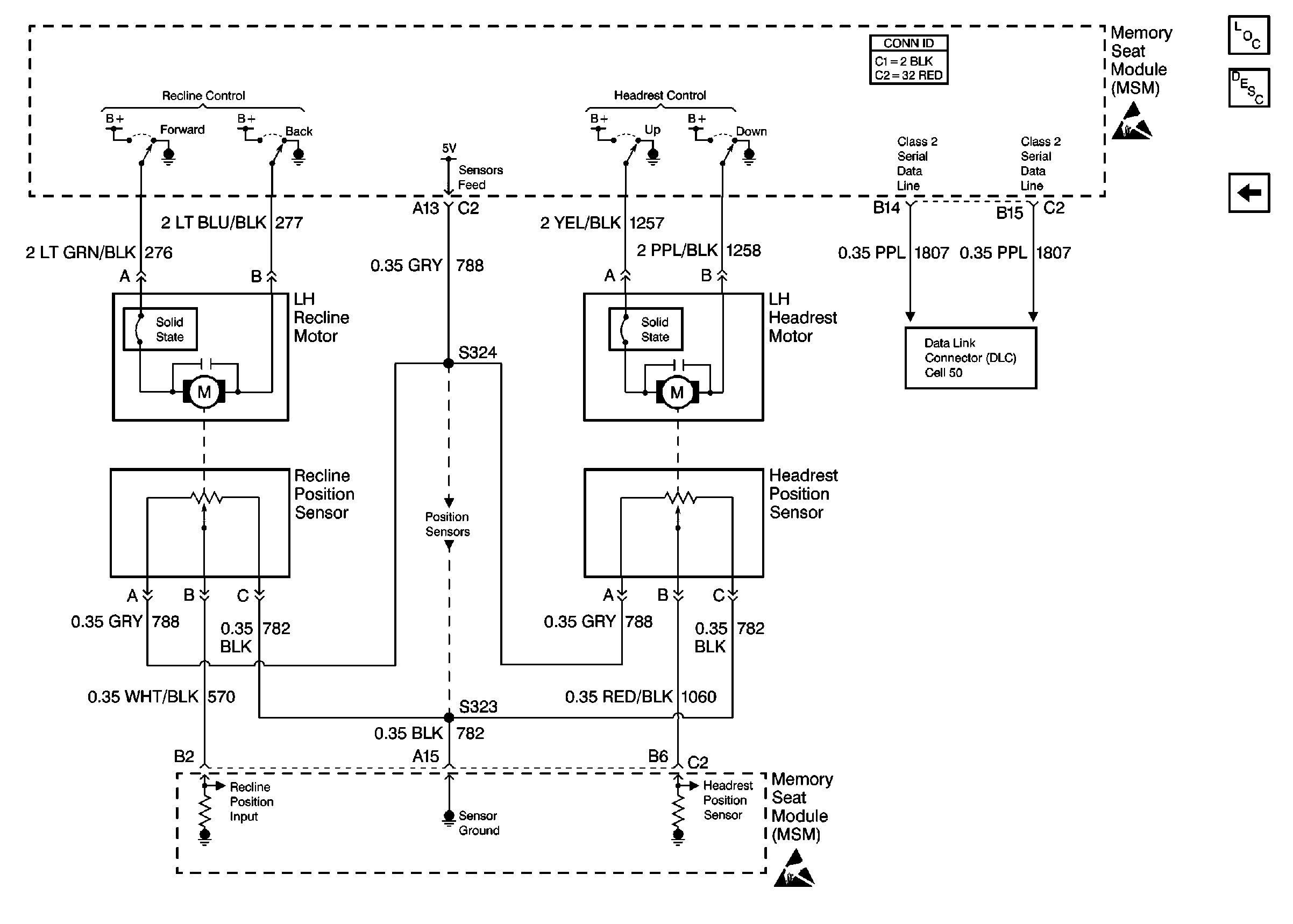
🢒 Cell 141: Recline, Headrest Motors and Position Sensors; Class 2
Cell 141: Recline, Headrest Motors and Position Sensors; Class 2
Cell 141: Recline, Headrest Motors and Position Sensors; Class 2
Power Seat Systems Components
Memory Seat Circuit Description
Cell 141: Front Height, Rear Height, Forward/Back Motors and PositIon Sensors
Handling ESD Sensitive Parts Notice
Handling ESD Sensitive Parts Notice
Cell 50: Class Serial Data Line (1 of 2)
Power Seat Connector End Views