GM Service Manual Online
For 1990-2009 cars only
Makes
🢒
Cadillac
🢒
1998
🢒
Seville
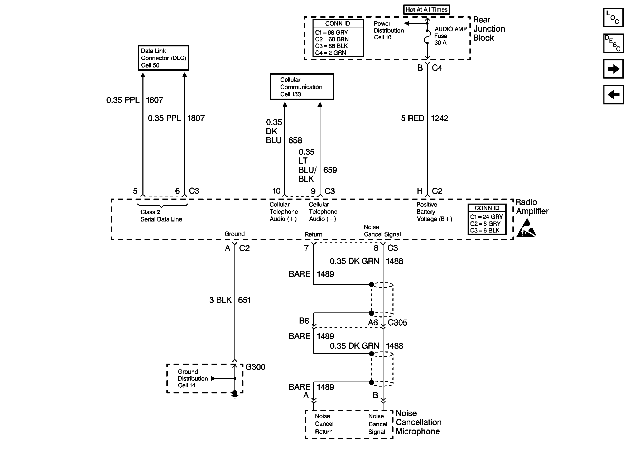
🢒 Cell 150: Amplifier - Power, Ground
Cell 150: Amplifier - Power, Ground
Cell 150: Amplifier -- Power, Ground
Entertainment Components
Radio/Audio System Circuit Description
Cell 150: Amplifier - Speakers
Cell 150: Compact Disk Changer - Navigation Radio UY9
Power Distribution Schematics
Cellular Telephone Schematics
Handling ESD Sensitive Parts Notice
Data Link Connector Schematics
Ground Distribution Schematics