GM Service Manual Online
For 1990-2009 cars only

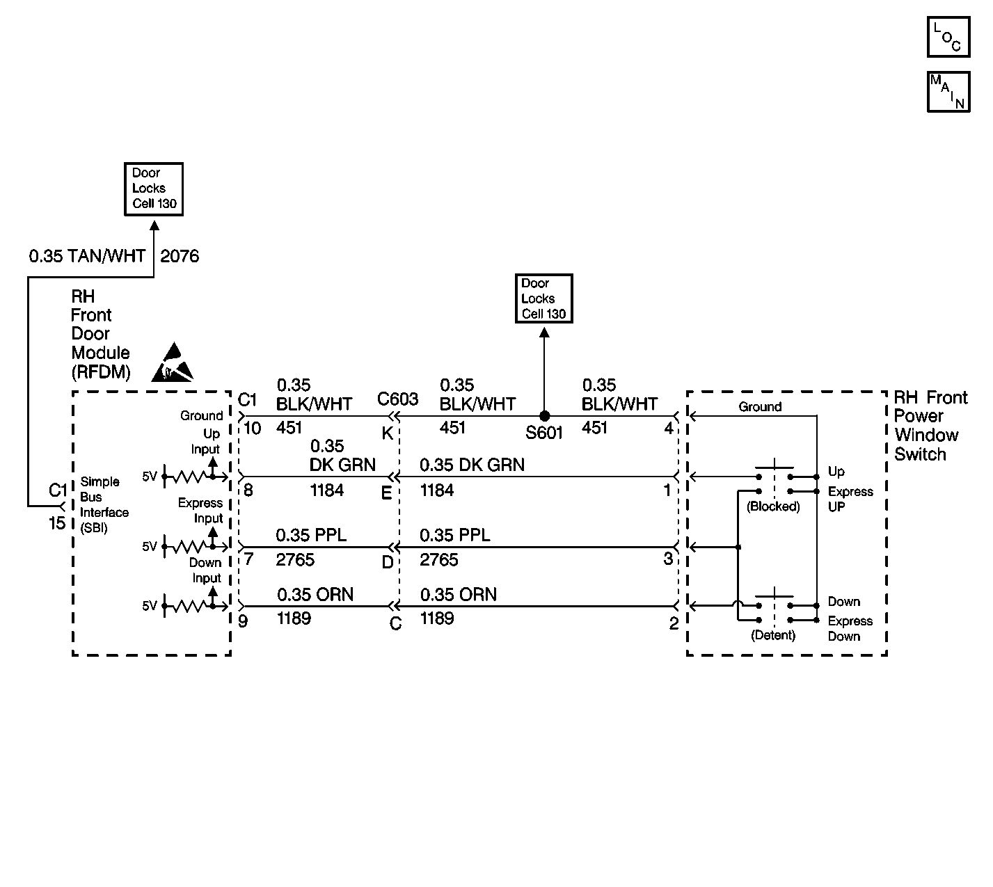
Object Number: 130669  Size: LF
Power Door Systems Components
Cell 55: LH Front Power Window Switch
Cell 130 - RH Power Door Lock
Handling ESD Sensitive Parts Notice
Cell 130 - RH Power Door Lock

Circuit Description

The circuit for the RH Power Window consists of the following:

    • RH Front Power Window Switch
    • RH Front Door Module (RFDM)
    • Simple Bus Interface (SBI)
    • LH Front Door Module (LFDM)

The RH Front Power Window Switch provides input to the RFDM. The RFDM contains a software program to sample the RH Front Power Window Switch and to report all switch activity in the form of SBI messages to the LFDM. The actual diagnostic software program for DTC B2202 is contained in the LFDM and the diagnostic is run no less than once every 300 milliseconds. Problems involving the LFDM or the SBI may set other DTC and will affect the power door locks and outside rearview mirrors.

Conditions for Setting the DTC

If the LFDM detects that the SBI messages from the RFDM show that the RH Front Power Window Switch has been in the UP position for 15 continuous seconds, this DTC will be set current. This diagnostic will not run if either DTC B1982 (Battery Voltage High) or B1983 (Battery Voltage Low) are current.

Action Taken When the DTC Sets

This DTC is dynamic, and as such, is current only while the problem is present. While this DTC is current, the RFDM will ignore any actuations of the RH Front Power Window Switch.

Conditions for Clearing the DTC

    • This DTC will set from current to history when the window UP input cycles off or the power mode changes from OFF to RUN.
    • The history DTC will clear after 50 ignition cycles.
    • The scan tool or the vehicle On Board Diagnostic System can be used to clear the history DTC.

Diagnostic Aids

    • A history DTC is evidence of a intermittent problem.
    • If DTC B2202 is current, cycle the ignition switch from OFF to RUN. If this DTC is still current, perform the following diagnostic.

Test Description

The numbers below refer to the step numbers on the diagnostic table:

  1. Perform the Power Door Diagnostic System Check prior to continuing the diagnosis of this DTC.

  2. This step tests the RH front power window switch for an internal short.

  3. This step tests CKT 1184 for a short to ground.

  4. This repair procedure requires the repair CKT 1184 for a short to ground.

Step

Action

Value(s)

Yes

No

1

Was the Power Door System Diagnostic System Check performed?

--

Go to Step 2

Go to Diagnostic System Check - Power Door Systems

2

  1. Disconnect the RH front power window switch.
  2. Install a scan tool.
  3. Select driver door module input data for the RH front power window switch.

Does the scan tool indicate UP?

--

Go to Step 4

Go to Step 3

3

Replace the RH front power window switch. Refer to Front Door Switch Replacement .

Did you complete the repair?

--

Go to Step 7

--

4

  1. Turn OFF the ignition switch.
  2. Disconnect the RFDM connector C1
  3. Using a DMM, measure the resistance between the RH front power window switch harness connector terminal 1 and ground.

Is the resistance within the specified range?

0-5 ohms

Go to Step 5

Go to Step 6

5

Repair the short to ground in CKT 1184.

Refer to Wiring Repairs in Wiring Systems.

Did you complete the repair?

--

Go to Step 7

--

6

Replace the RH front door module (RFDM). Refer to Door Control Module Replacement .

Did you complete the replacement?

--

Go to Step 7

--

7

  1. Turn OFF the ignition switch.
  2. Reconnect or reinstall any connectors or components that were disconnected or removed.
  3. Turn ON the ignition switch.
  4. Clear any DTCs. Refer to Diagnostic Trouble Code (DTC) Clearing .

Are all DTCs cleared?

--

Go to Diagnostic System Check - Power Door Systems .

--