GM Service Manual Online
For 1990-2009 cars only

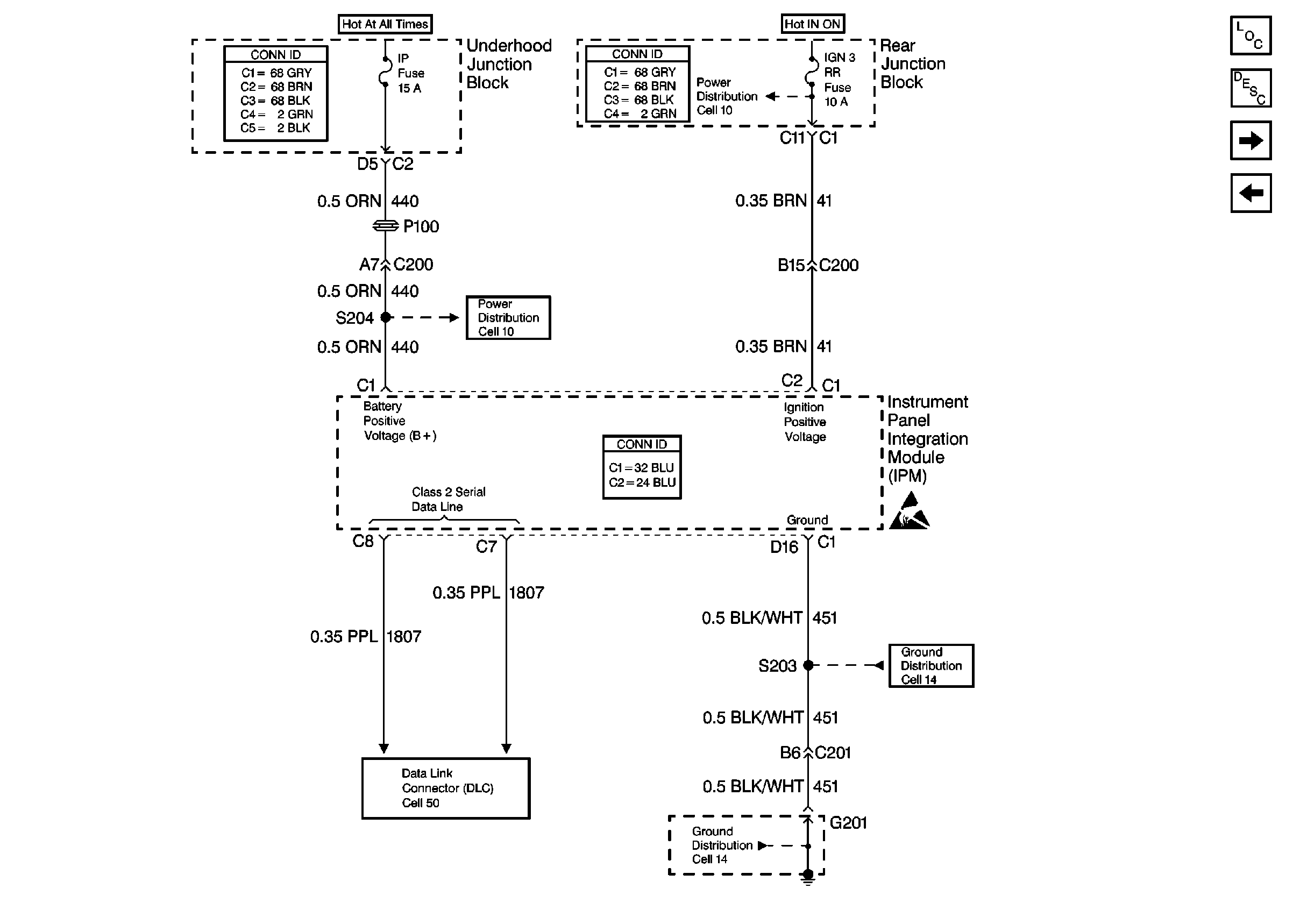
Cell 51: IPM Power and Ground


Object Number: 154534  Size: FS
Body Control Module Components
Body Control System Circuit Description
Cell 51: IPM Inputs and Outputs
Cell 51: DIM Inputs and Outputs
Handling ESD Sensitive Parts Notice
Ground Distribution Schematics
Ground Distribution Schematics
Power and Grounding Connector End Views
Power Distribution Schematics
Power and Grounding Connector End Views
Power and Grounding Connector End Views

Circuit Description

The module contains a data storage area which can save pertinent data when the ignition is turned off. The Keep Alive Memory (KAM) data is lost if battery power is removed from the module. The KAM area is an integral part of the microprocessor and cannot be serviced separately.

Conditions for Setting the DTC

DTC B1652 indicates that the keep alive, or long-term, memory in the module has been reset. It is a normal occurrence whenever power or ground is removed from the module, such as battery disconnected and reconnected.

Action Taken When the DTC Sets

Module KAM memory resets to initial values.

Conditions for Clearing the DTC

    • This DTC requires an ignition cycle in order to change from current to history.
    • The DTC clears if the module no longer detects a KAM failure (checksum error).
    • A history DTC clears after 50 consecutive ignition cycles if the condition for the malfunction is no longer present.
    • The DTC may be cleared using a scan tool.
    • The DTC may be cleared using the On-Board clearing DTCs feature. Refer to Diagnostic Trouble Code (DTC) Clearing in HVAC Systems with A/C - Automatic.

Diagnostic Aids

For the Instrument Panel Integration Module (IPM), if DTC B1652 sets without a battery disconnect, ensure good terminal contacts at power feed CKT 440 (ORN) at connector C1 terminal C1 and ground CKT 451 (BLK/WHT) at connector C1 terminal D16. If power and ground are OK, replace the IPM.

Test Description

The numbers below refer to the step numbers on the diagnostic table:

  1. Perform the Body Control Module Diagnostic System Check before continuing with the diagnosis of this DTC.

  2. Clear all DTCs and cycle ignition to check that the DTC did not falsely set.

  3. Clear all DTCs after the repair procedure is complete.

DTC B1652 -- Loss of Keep Alive Memory

Step

Action

Value(s)

Yes

No

1

Was the Body Control Module Diagnostic System Check performed?

--

Go to Step 2

Go to Diagnostic System Check - Body Control System

2

  1. Turn ON the ignition switch.
  2. Clear any DTCs. Refer to Clearing DTCs.
  3. Turn OFF the ignition switch.
  4. Turn ON the ignition switch.

Is the DTC still present?

--

Go to Step 3

System OK

3

Replace the module which set DTC B1652. For the Instrument Panel Integration Module (IPM) refer to Body Control Module Replacement .

Is the module replacement complete?

--

Go to Step 4

--

4

  1. Turn OFF the ignition switch.
  2. Reconnect or install any connectors or components that were disconnected or removed.
  3. Turn ON the ignition switch.
  4. Clear any DTCs. Refer to Clearing DTCs.

Are all DTCs cleared?

--

Go to Diagnostic System Check - Body Control System

--