GM Service Manual Online
For 1990-2009 cars only

Refer to

Cell 51: DIM Power and Ground


Object Number: 154522  Size: FS
Body Control Module Components
Body Control System Circuit Description
Cell 51: DIM Ignition Inputs
Handling ESD Sensitive Parts Notice
Ground Distribution Schematics
Data Link Connector Schematics
Power Distribution Schematics
Power Distribution Schematics
Power and Grounding Connector End Views
or

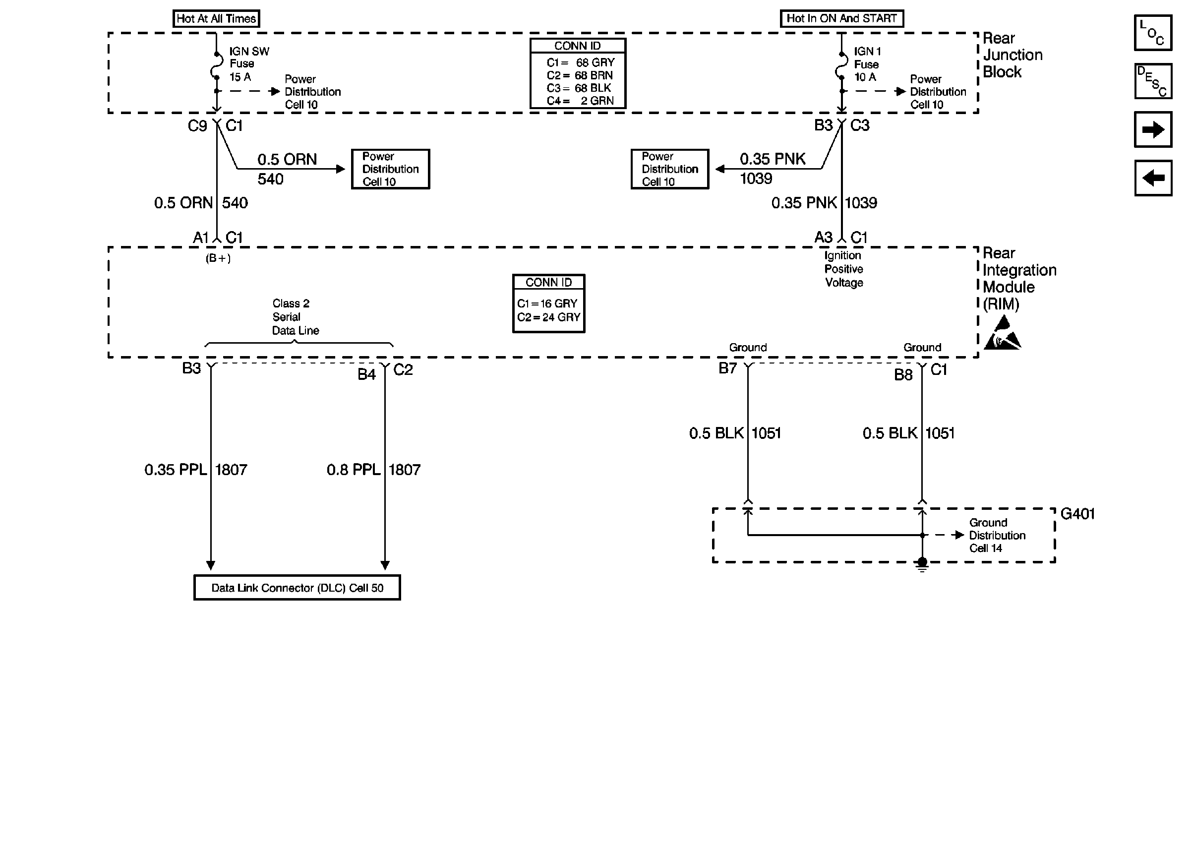
Cell 51: RIM Power and Ground


Object Number: 154556  Size: FS
Body Control Module Components
Body Control System Circuit Description
Cell 51: RIM Inputs and Outputs
Cell 51: IPM Inputs and Outputs
Handling ESD Sensitive Parts Notice
Ground Distribution Schematics
Data Link Connector Schematics
Power Distribution Schematics
Power Distribution Schematics
Power and Grounding Connector End Views
Power Distribution Schematics

Circuit Description

The module performs internal tests on the EEPROM each time the module performs a write function to a memory address in the EEPROM. The module reads back the data that has been written and compares it to the data. If the data does not match after 3 consecutive write and verify attempts, the module will indicate a write malfunction is current.

Conditions for Setting the DTC

    • The data read back after a write does not match the data being written 3 consecutive times.
    • The module detects an internal write malfunction.
    • The condition must occur when data is being written.

Action Taken When the DTC Sets

    • Stores a DTC B1656 in the module memory.
    • No driver warning message will be displayed for this DTC.
    • The module will store the value being written in another memory address in the EEPROM.

Conditions for Clearing the DTC

    • This DTC requires a successful write in order to change from current to history.
    • The module no longer detects an internal write malfunction.
    • A history DTC will clear after 50 consecutive ignition cycles if the condition for the malfunction is no longer present.
    • Use the On-Board clearing DTCs feature. Refer to Diagnostic Trouble Code (DTC) Clearing in HVAC Systems with A/C - Automatic.
    • Use a scan tool.

Diagnostic Aids

Since the EEPROM cannot be removed from the module and DTC B1656 is an internal module malfunction, the module may need to be replaced. Refer to diagnostic table.

Test Description

The numbers below refer to the step numbers on the diagnostic table:

  1. Perform the Body Control Module Diagnostic System Check before continuing with the diagnosis of this DTC.

  2. Clear all DTCs and cycle ignition to check that the DTC did not falsely set.

  3. Clear all DTCs after the repair procedure is complete.

DTC B1656 -- EEPROM Write Error

Step

Action

Value(s)

Yes

No

1

Was the Body Control Module Diagnostic System Check performed?

--

Go to Step 2

Go to Diagnostic System Check - Body Control System

2

  1. Turn ON the ignition switch.
  2. Clear any DTCs. Refer to Clearing DTCs.
  3. Turn OFF the ignition switch.
  4. Turn ON the ignition switch.

Is the DTC still present?

--

Go to Step 3

System OK

3

Replace the module which set DTC B1656. For the Dash Integration Module (DIM), refer to Body Control Module Replacement .

Is the module replacement complete?

--

Go to Step 4

--

4

  1. Turn OFF the ignition switch.
  2. Reconnect or install any connectors or components that were disconnected or removed.
  3. Turn ON the ignition switch.
  4. Clear any DTCs. Refer to Clearing DTCs.

Are all DTCs cleared?

--

Go to Diagnostic System Check - Body Control System

--