GM Service Manual Online
For 1990-2009 cars only

Removal Procedure

    Caution: Unless directed otherwise, the ignition and start switch must be in the OFF or LOCK position, and all electrical loads must be OFF before servicing any electrical component. Disconnect the negative battery cable to prevent an electrical spark should a tool or equipment come in contact with an exposed electrical terminal. Failure to follow these precautions may result in personal injury and/or damage to the vehicle or its components.

  1. Disconnect the negative battery cable.
  2. Remove the accessory drive belt. Refer to Drive Belt Replacement in Engine Mechanical.
  3. Remove the cooling fans. Refer to Engine Coolant Fan Motor Replacement in Engine Cooling.
  4. Raise and suitably support the vehicle. Refer to Lifting and Jacking the Vehicle .

  5. Object Number: 154800  Size: SH
  6. Disconnect the coolant outlet hose (1) from the generator.

  7. Object Number: 154798  Size: SH
  8. Disconnect the coolant inlet hose (1) from the generator.

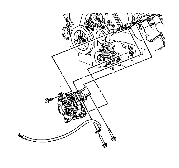
  9. Object Number: 339228  Size: SH
  10. Disconnect the following electrical connections from the generator:
  11. • Regulator
    • Battery output
    • Heated windshield (if equipped).

    Object Number: 339234  Size: SH
  12. Remove the generator fasteners from the generator.
  13. Remove the generator from the vehicle.

Installation Procedure


    Object Number: 339234  Size: SH
  1. Install the generator to the engine.
  2. Notice: Use the correct fastener in the correct location. Replacement fasteners must be the correct part number for that application. Fasteners requiring replacement or fasteners requiring the use of thread locking compound or sealant are identified in the service procedure. Do not use paints, lubricants, or corrosion inhibitors on fasteners or fastener joint surfaces unless specified. These coatings affect fastener torque and joint clamping force and may damage the fastener. Use the correct tightening sequence and specifications when installing fasteners in order to avoid damage to parts and systems.

  3. Install the generator fasteners.
  4. Tighten
    Tighten the generator fasteners to 50 N·m (37 lb ft).

  5. Connect the following electrical connections to the generator:
  6. • Regulator
    • Battery output

    Tighten
    Tighten the battery output cable to 13 N·m (115 lb in).

    • Heated windshield (if equipped).

    Object Number: 154798  Size: SH
  7. Connect the coolant inlet hose to the generator.

  8. Object Number: 154800  Size: SH
  9. Connect the coolant outlet hose to the generator.
  10. Lower the vehicle. Refer to Lifting and Jacking the Vehicle in General Information.
  11. Install the cooling fans. Refer to Engine Coolant Fan Motor Replacement in Engine Cooling.
  12. Install the accessory drive belt. Refer to Drive Belt Replacement in Engine Mechanical.
  13. Connect the negative battery cable. Refer to Battery Negative Cable Disconnection and Connection .