GM Service Manual Online
For 1990-2009 cars only
Makes
🢒
Cadillac
🢒
1999
🢒
Seville
🢒
Brakes
🢒
Park Brake
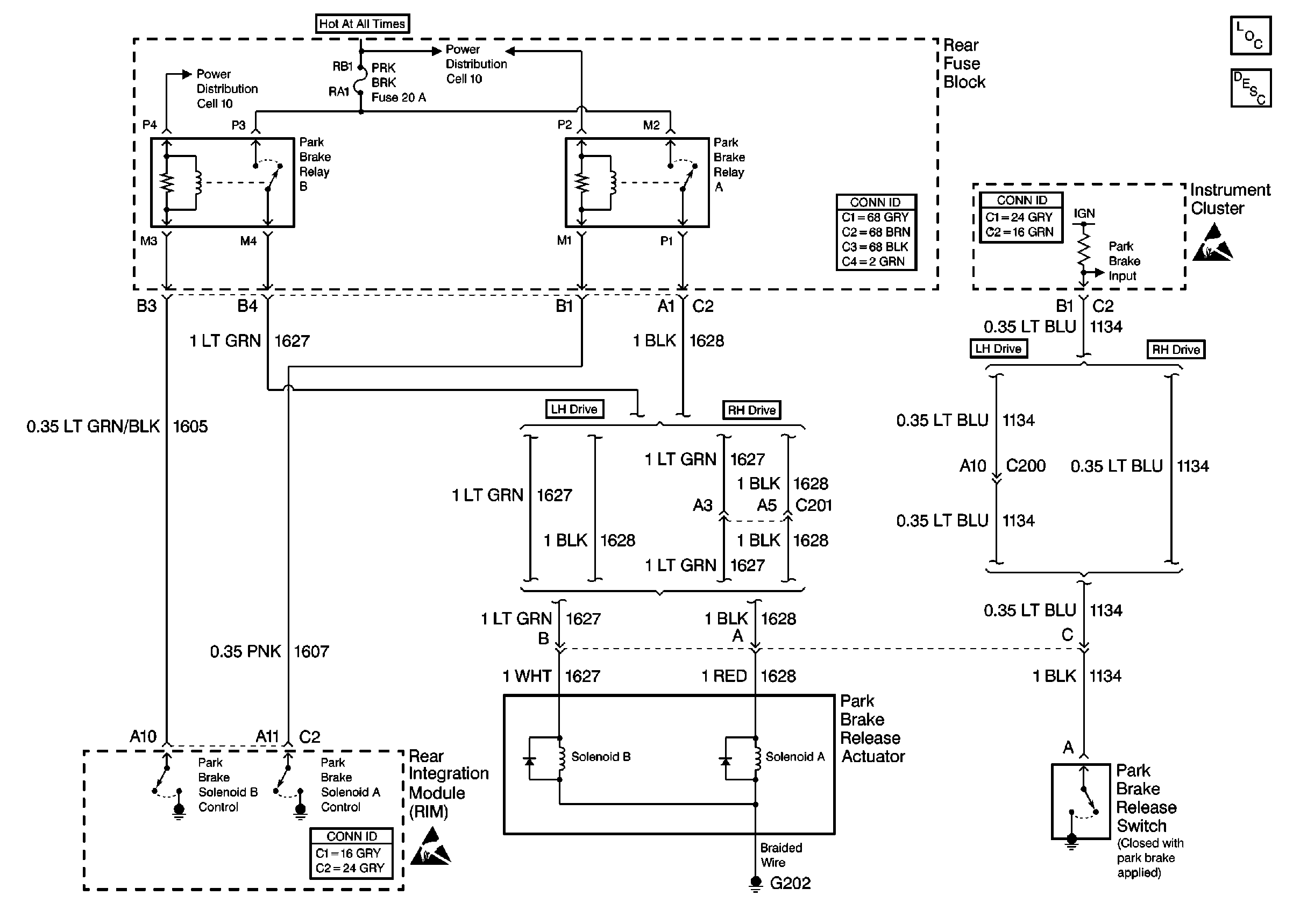
🢒 Park Brake System Schematics
Cell 46: Park Brake Release
Park Brake System Components
Park Brake System Circuit Description
Handling ESD Sensitive Parts Notice
Handling ESD Sensitive Parts Notice
Power Distribution Schematics
Power Distribution Schematics
Instrument Panel, Gages, and Console Connector End Views