GM Service Manual Online
For 1990-2009 cars only

Inflatable Restraint Steering Wheel Module Coil Assemble - Off Vehicle Power Tilt and Telescope


    Object Number: 293252  Size: SH
  1. Install the wave washer (1) onto the race and upper shaft assembly (2).

  2. Object Number: 293254  Size: SH
  3. To install the inflatable restraint steering wheel module coil:
  4. Align the block tooth on the race and upper shaft assembly (1) to the 12 o'clock position.
  5. When reusing the original inflatable restraint steering wheel module coil, refer to the centering procedure Inflatable Restraint Coil Centering - Off Vehicle before assembly.

  6. Object Number: 293255  Size: SH
  7. The new inflatable restraint steering wheel module coil will be precentered. Do not depress the tab (1) on the back of the inflatable restraint steering wheel module coil.

  8. Object Number: 312359  Size: SH
  9. Align the inflatable restraint steering wheel module coil (1) with the horn tower on the turn signal cancel cam assembly (2).

  10. Object Number: 293257  Size: SH

    Important: The retaining ring (1) must seat securely on the groove of the upper shaft assembly (2).

  11. Install the retaining ring (1).

  12. Object Number: 312364  Size: SH
  13. Install the black inflatable restraint steering wheel module coil connector (2) to the fused jumper assembly connector (1).
  14. Install the upper and lower trim covers. Refer to Steering Column Trim Covers - Assemble - Off Vehicle .

Inflatable Restraint Steering Wheel Module Coil Assemble - Off Vehicle Manual Tilt


    Object Number: 293252  Size: SH
  1. Install the wave washer (1) to the race and upper shaft assembly (2).

  2. Object Number: 293254  Size: SH
  3. To install the inflatable restraint steering wheel module coil:
  4. Align the block tooth on the race and upper shaft assembly (1) to the 12 o'clock position.

  5. When reusing the original inflatable restraint steering wheel module coil, refer to the centering procedure Inflatable Restraint Coil Centering - Off Vehicle before assembly.

  6. Object Number: 293255  Size: SH
  7. The new inflatable restraint steering wheel module coil will be precentered. Pull the tab and remove. Do not depress the tab (1) on the back of the inflatable restraint steering wheel module coil.

  8. Object Number: 293256  Size: SH
  9. Align the inflatable restraint steering wheel module coil (1) with the horn tower on the turn signal cancel cam assembly (2).

  10. Object Number: 293257  Size: SH

    Important: The retaining ring (1) must seat securely on the groove of the race and upper shaft assembly (2).

  11. Install the retaining ring (1).

  12. Object Number: 293258  Size: SH
  13. Route the lower inflatable restraint steering wheel module coil wires along the steering column jacket assembly.

  14. Object Number: 293261  Size: SH
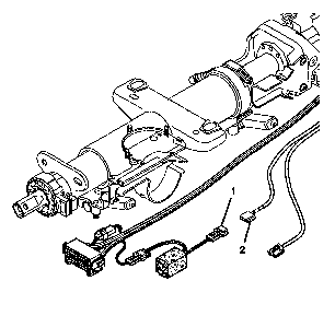
  15. Install the black inflatable restraint steering wheel module coil connector (2) to the fused jumper assembly connector (1).

  16. Object Number: 293260  Size: SH
  17. Install the wire harness assembly (1) into the wire harness strap (2).

  18. Object Number: 293259  Size: SH
  19. Install the 2 wire harness straps (2). Install the wire harness strap (2) to the steering column tilt head assembly (1).
  20. Install the upper and lower trim covers. Refer to Steering Column Trim Covers - Assemble - Off Vehicle .