GM Service Manual Online
For 1990-2009 cars only
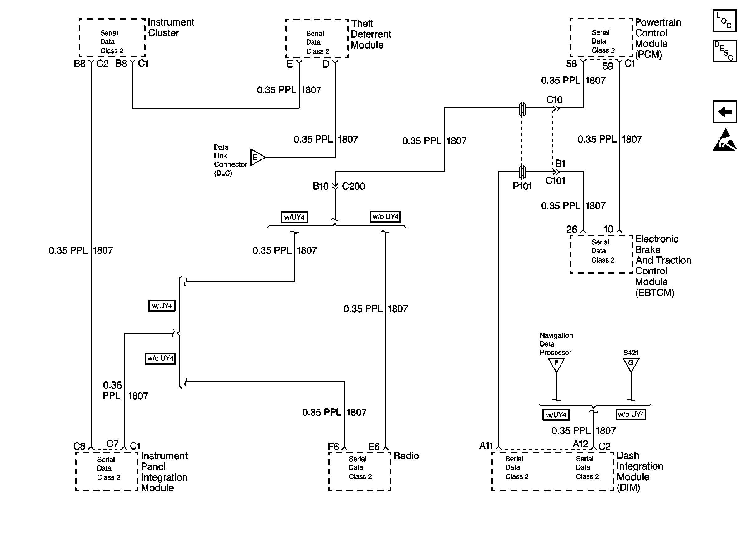
Figure 1:

Cell 50: Data Link Connector Power and Ground (LH Drive)


Object Number: 384495  Size: FS
Cell 50: Class 2 Serial Data Line (LH Drive)
Cell 14: G201 (2 of 3)
Cell 14: G200 (1 of 2)
Cell 14: G201 (2 of 3)
Cell 14: G200 (1 of 2)
Cell 10: DRV MDL, PASS MDL, RRDR MDL and ALDL Fuses
Cell 50: Class 2 Serial Data Line (LH Drive)
Data Link Communications Components
Data Link Communications Circuit Description
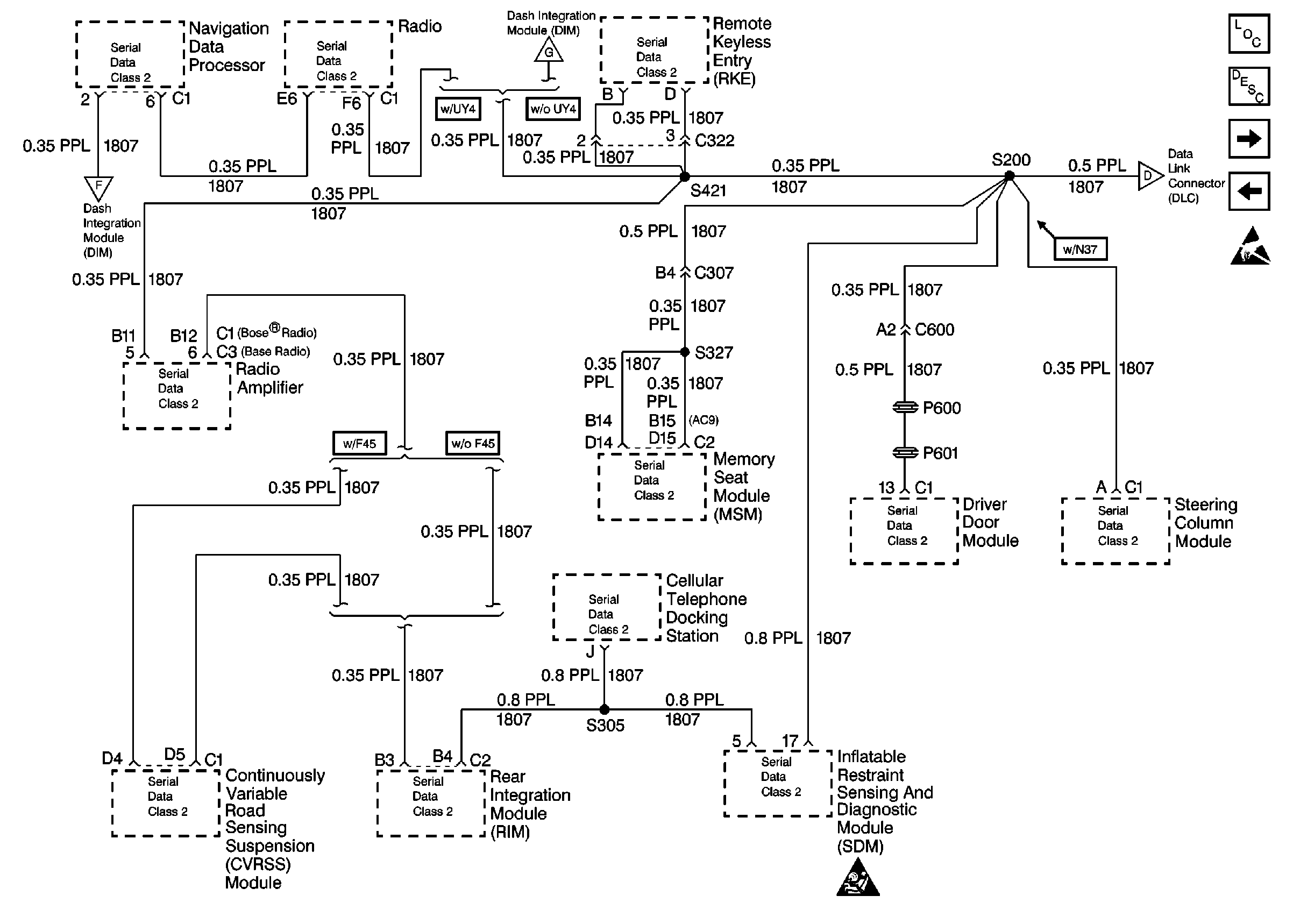
Figure 2:

Cell 50: Class 2 Serial Data Line (LH Drive)


Object Number: 361704  Size: FS
Cell 50: Class 2 Serial Data Line (LH Drive)
Cell 50: Class 2 Serial Data Line (LH Drive)
Cell 50: Class 2 Serial Data Line (LH Drive)
Handling ESD Sensitive Parts Notice
SIR Handling Caution
Cell 50: Data Link Connector Power and Ground (RH Drive)
Data Link Communications Circuit Description
Data Link Communications Components
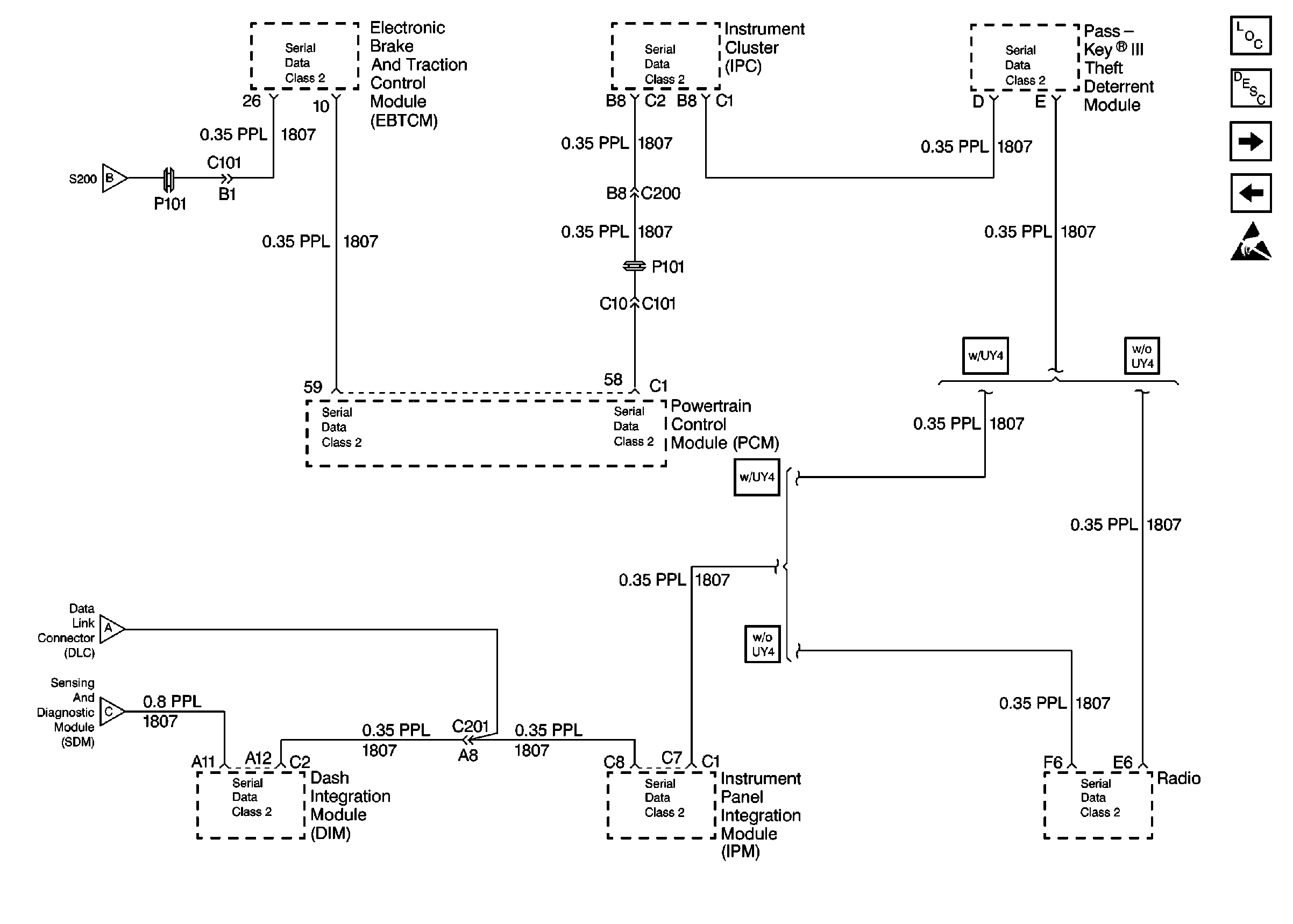
Figure 3:

Cell 50: Class 2 Serial DataLine (LH Drive)


Object Number: 361707  Size: FS
Cell 50: Class 2 Serial Data Line (LH Drive)
Cell 50: Data Link Connector Power and Ground (LH Drive)
Cell 50: Class 2 Serial Data Line (LH Drive)
Cell 50: Data Link Connector Power and Ground (LH Drive)
Cell 50: Class 2 Serial Data Line (LH Drive)
Handling ESD Sensitive Parts Notice
Data Link Communications Circuit Description
Data Link Communications Components
Figure 4:

Cell 50: Data Link Connector Power and Ground (RH Drive)


Object Number: 384502  Size: FS
Cell 10: DRV MDL, PASS MDL, RRDR MDL and ALDL Fuses
Cell 14: G200 (1 of 2)
Cell 14: G200 (1 of 2)
Cell 14: G201 (2 of 3)
Cell 14: G201 (2 of 3)
Cell 50: Class 2 Serial Data Line (RH Drive)
Cell 50: Class 2 Serial Data Line (RH Drive)
Cell 50: Class 2 Serial Data Line (RH Drive)
Data Link Communications Components
Data Link Communications Circuit Description
Cell 50: Class 2 Serial Data Line (LH Drive)
Figure 5:

Cell 50: Class 2 Serial Data Line (RH Drive)


Object Number: 384513  Size: FS
Cell 50: Class 2 Serial Data Line (RH Drive)
Cell 50: Class 2 Serial Data Line (RH Drive)
Handling ESD Sensitive Parts Notice
Cell 50: Data Link Connector Power and Ground (RH Drive)
Cell 50: Class 2 Serial Data Line (RH Drive)
SIR Handling Caution
Cell 50: Data Link Connector Power and Ground (RH Drive)
Data Link Communications Circuit Description
Data Link Communications Components
Figure 6:

Cell 50: Class 2 Serial Data Line (RH Drive)


Object Number: 384540  Size: FS
Cell 50: Class 2 Serial Data Line (RH Drive)
Handling ESD Sensitive Parts Notice
Cell 50: Data Link Connector Power and Ground (RH Drive)
Cell 50: Class 2 Serial Data Line (RH Drive)
Cell 50: Class 2 Serial Data Line (RH Drive)
Data Link Communications Components
Data Link Communications Circuit Description
Cell 50: Simple Bus Interface (SBI)
Figure 7:

Cell 50: Simple Bus Interface (SBI)


Object Number: 384749  Size: FS
Data Link Communications Components
Data Link Communications Circuit Description
Cell 50: Class 2 Serial Data Line (RH Drive)
Handling ESD Sensitive Parts Notice