GM Service Manual Online
For 1990-2009 cars only
Makes
🢒
Cadillac
🢒
1999
🢒
Seville
🢒
Body and Accessories
🢒
Wipers/Washer Systems
🢒 Wiper/Washer System (Pulse) Schematics
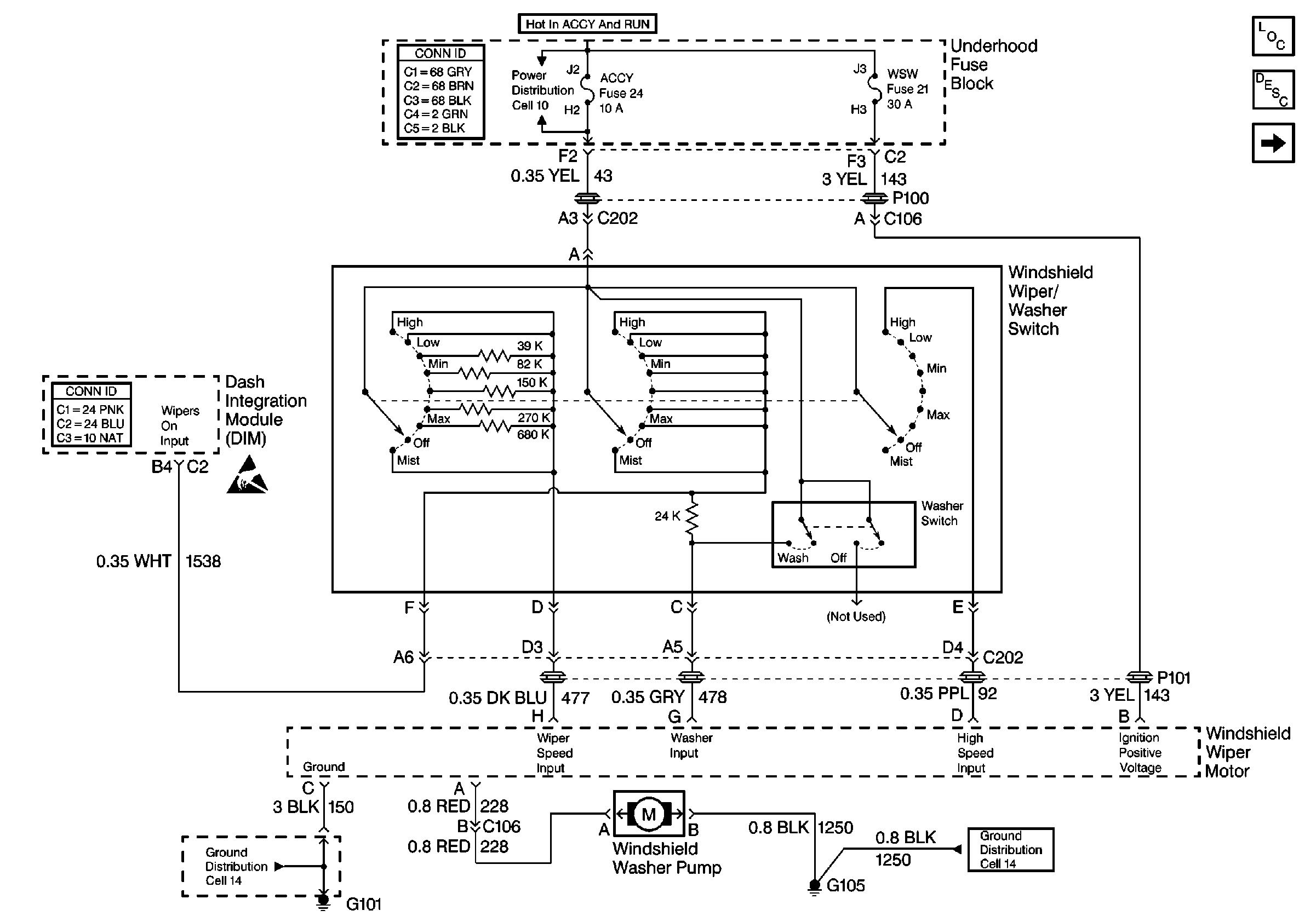
Figure
1:
Cell 91: Power, Ground, and Components
Power Distribution Schematics
Handling ESD Sensitive Parts Notice
Ground Distribution Schematics
Ground Distribution Schematics
Wiper/Washer System Circuit Description
Wiper/Washer System Components
Cell 91: Outside Moisture Sensor (w/CE1)
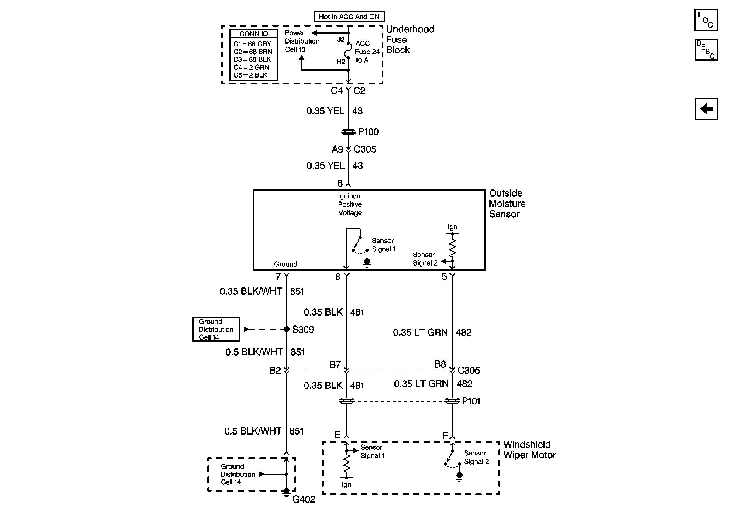
Figure
2:
Cell 91: Outside Moisture Sensor (w/CE1)
Power Distribution Schematics
Ground Distribution Schematics
Ground Distribution Schematics
Wiper/Washer System Circuit Description
Wiper/Washer System Components
Cell 91: Power, Ground, and Components