GM Service Manual Online
For 1990-2009 cars only
Makes
🢒
Cadillac
🢒
1999
🢒
Seville
🢒
Body and Accessories
🢒
Wiring Systems
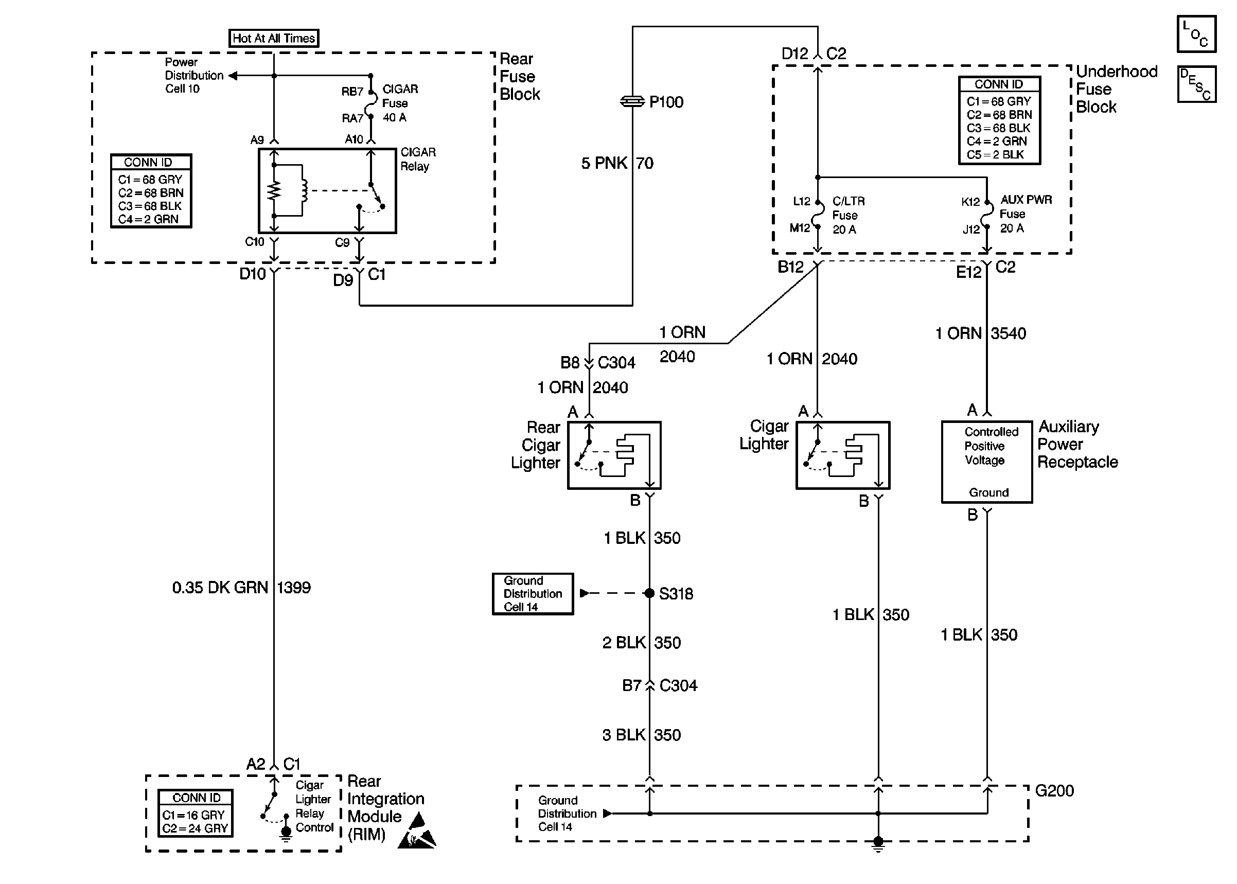
🢒 Cigar Lighter/Power Outlet Schematics
Cell 19
Ground Distribution Schematics
Handling ESD Sensitive Parts Notice
Ground Distribution Schematics
Power Distribution Schematics